GM Service Manual Online
For 1990-2009 cars only
Makes
🢒
Pontiac
🢒
2009
🢒
Montana SV6 Ext.
🢒
Safety and Security
🢒
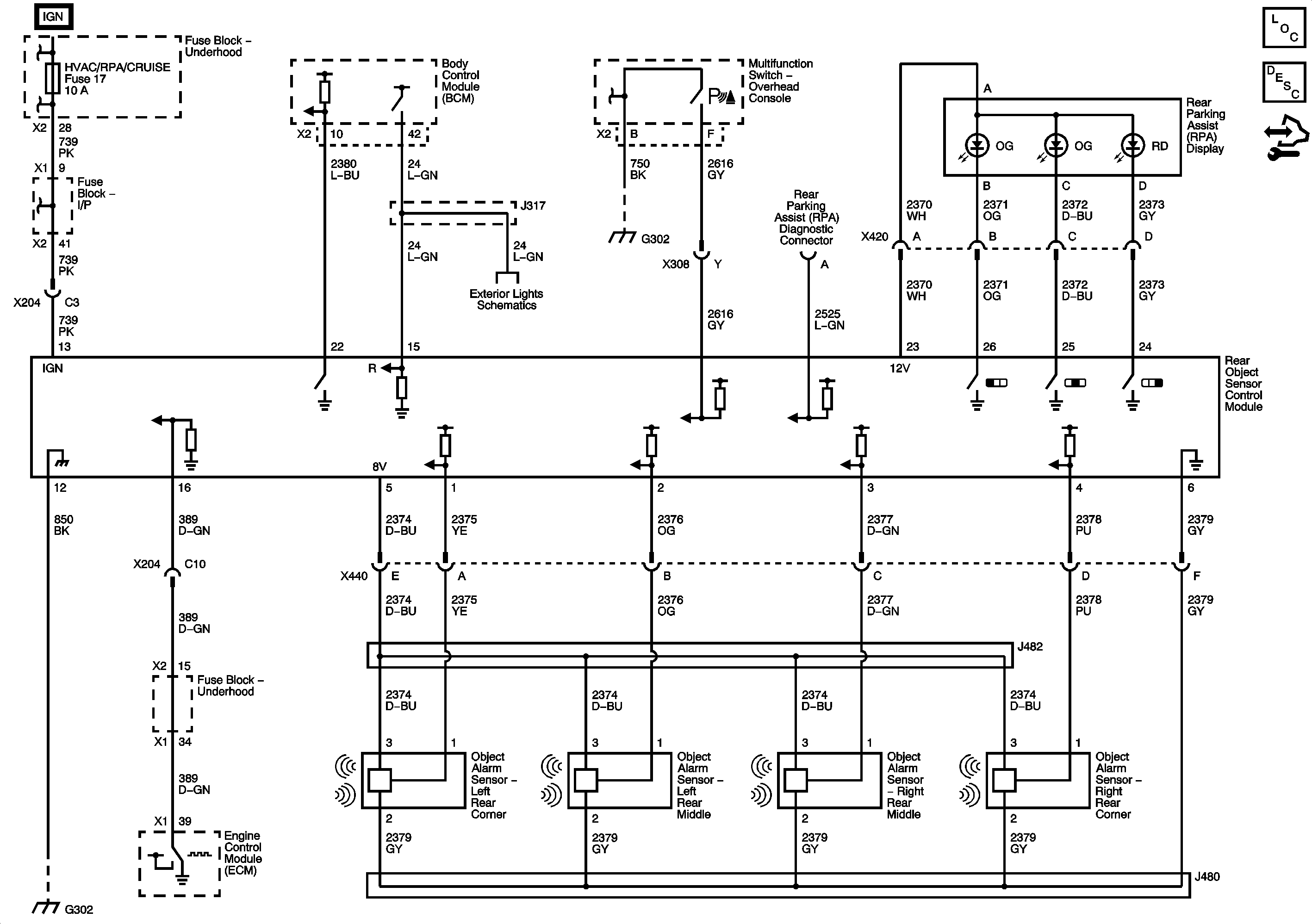
Object Detection
🢒 Object Detection Schematics