GM Service Manual Online
For 1990-2009 cars only
Makes
🢒
Pontiac
🢒
2009
🢒
Montana SV6 Ext.
🢒 Switches
Switches
Switches
Master Electrical Component List
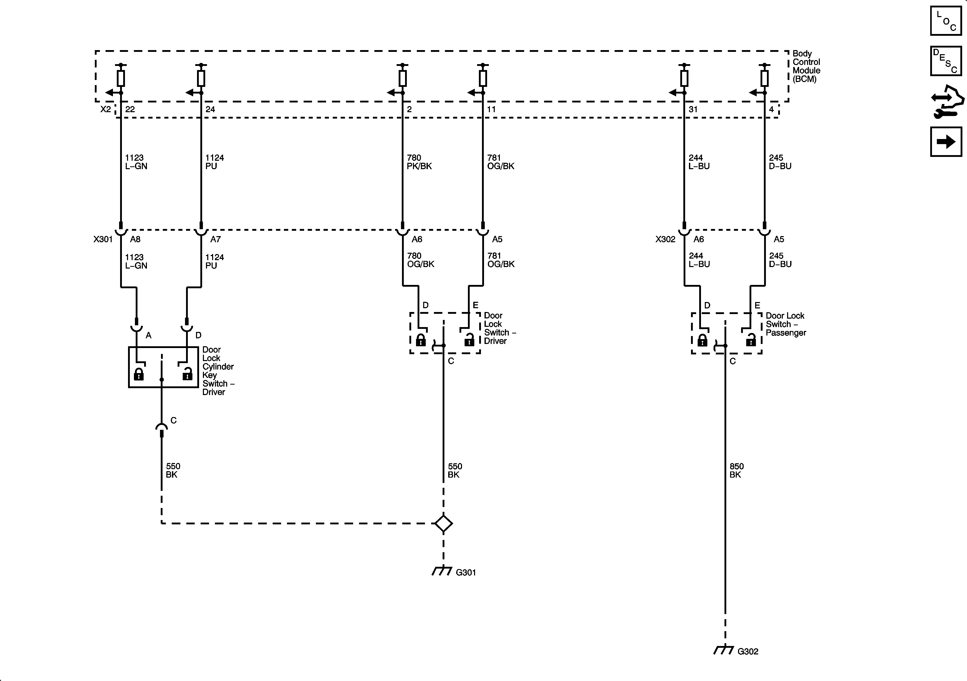
Power Door Locks Description and Operation
Control Module References
Actuators