GM Service Manual Online
For 1990-2009 cars only
Makes
🢒
Pontiac
🢒
2009
🢒
Montana SV6 Ext.
🢒 Indicators
Indicators
Indicators
Master Electrical Component List
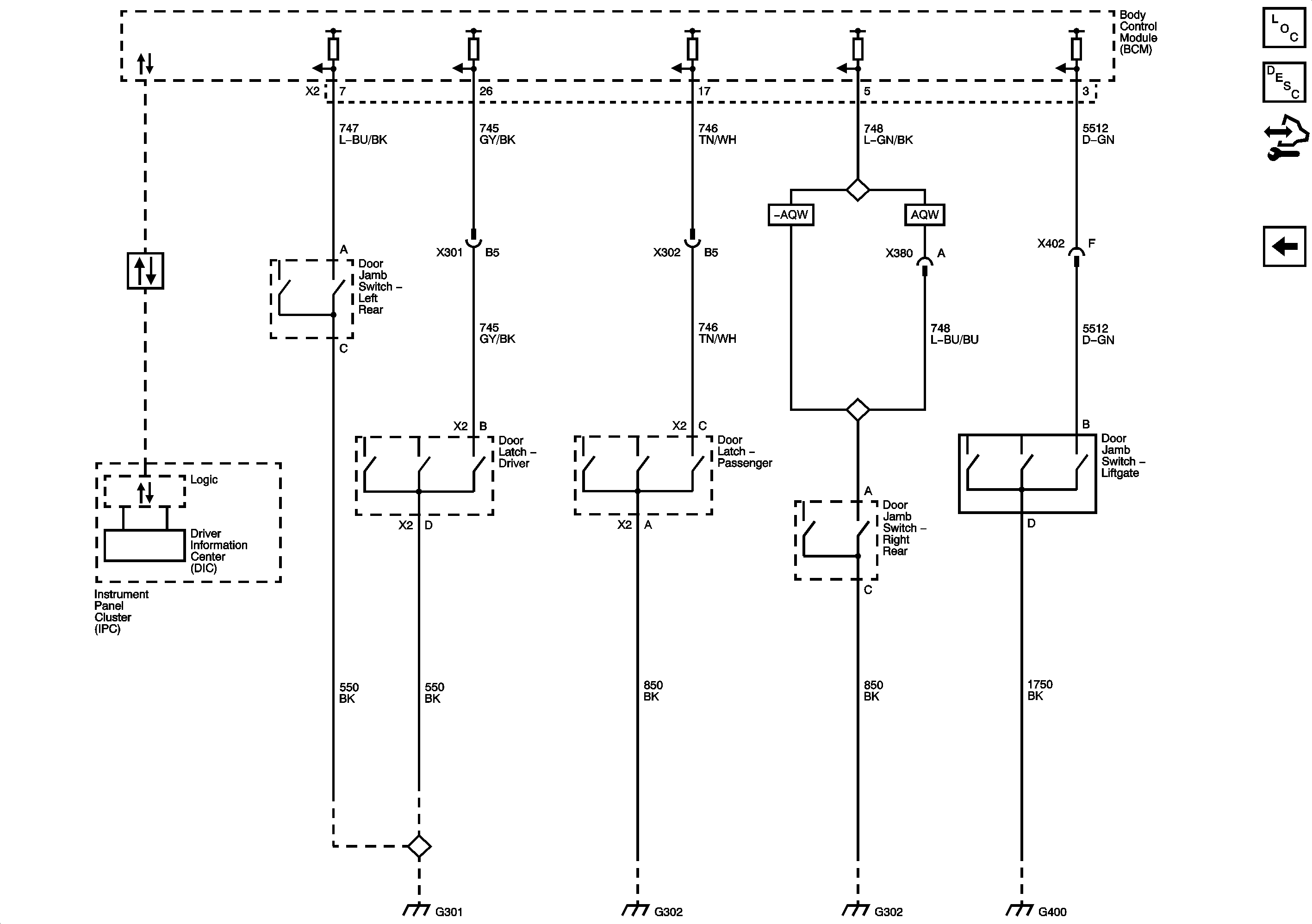
Door Ajar Indicator Description and Operation
Control Module References
Actuators