GM Service Manual Online
For 1990-2009 cars only
Makes
🢒
Pontiac
🢒
2002
🢒
Montana - 4WD
🢒
Suspension
🢒
Automatic Level Control
🢒 Automatic Level Control Schematics
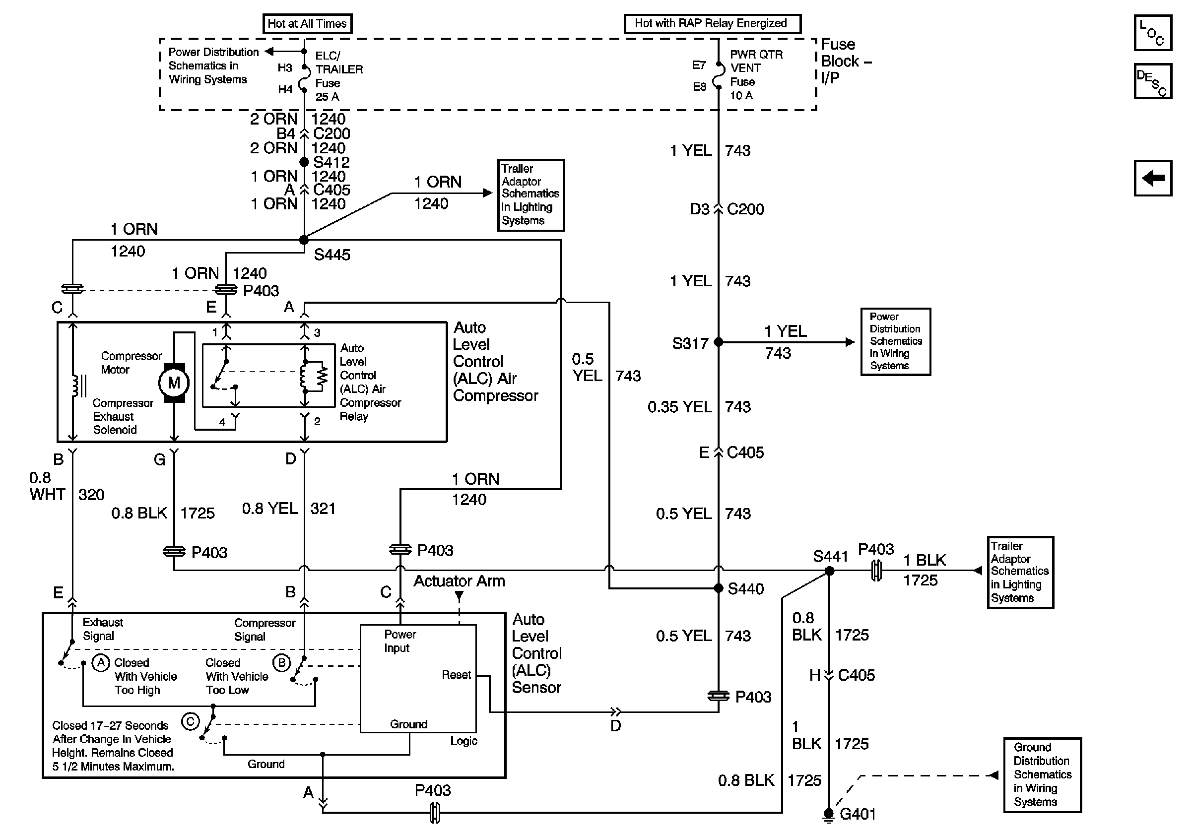
Figure
1:
With Inflator
Master Electrical Component List
Automatic Level Control Description and Operation
Without Inflator
RAP RELAY, Underhood Accessory Wiring Junction Block, ECM SENSE, B/U LAMP, ALT/SENSE, AIR fuses
BATT Main2, ELC/ TRAILER, RR DEFOG, RR FOG LP fuses and PWR/HEATED SEAT PSD circuit breaker
BATT Main2, ELC/ TRAILER, RR DEFOG, RR FOG LP fuses and PWR/HEATED SEAT PSD circuit breaker
G401
Trailer Wiring, Power and Ground
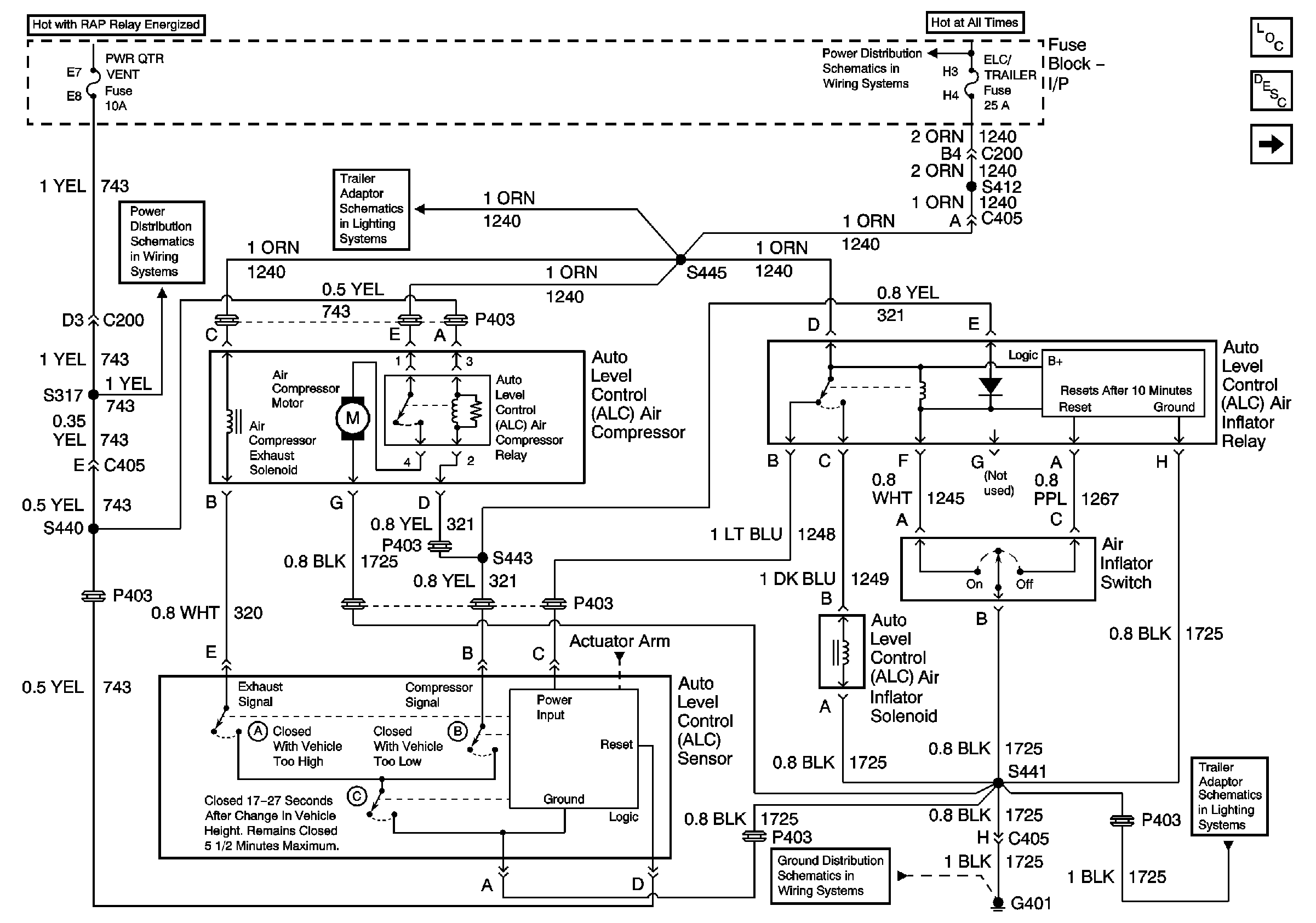
Figure
2:
Without Inflator
Master Electrical Component List
Automatic Level Control Description and Operation
With Inflator
BATT Main2, ELC/ TRAILER, RR DEFOG, RR FOG LP fuses and PWR/HEATED SEAT PSD circuit breaker
BATT Main2, ELC/ TRAILER, RR DEFOG, RR FOG LP fuses and PWR/HEATED SEAT PSD circuit breaker
RAP RELAY, Underhood Accessory Wiring Junction Block, ECM SENSE, B/U LAMP, ALT/SENSE, AIR fuses
Trailer Wiring, Power and Ground
G401