GM Service Manual Online
For 1990-2009 cars only

Removal Procedure


    Object Number: 851552  Size: SH
  1. Support the engine with a hydraulic floor jack. Use a piece of wood between the jack and the oil pan.

  2. Object Number: 1546774  Size: SH
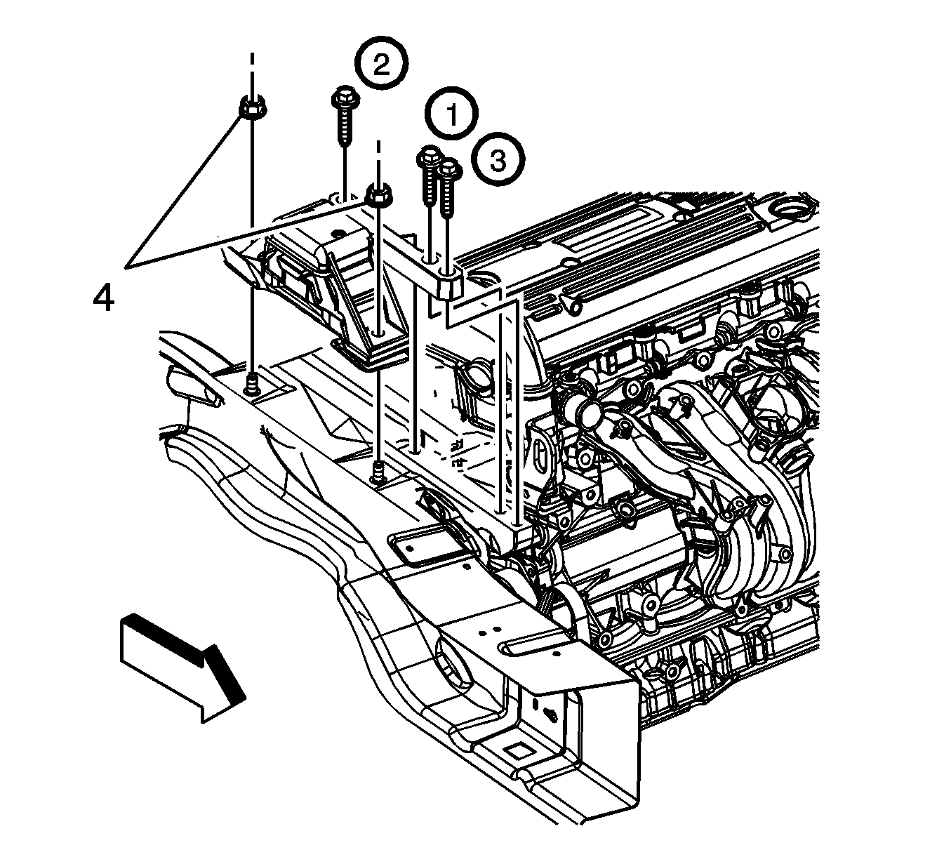
  3. Remove the engine mount to intermediate bracket bolts.
  4. Remove the engine mount to midrail nuts (4).
  5. Remove the engine mount from the engine compartment.

Installation Procedure


    Object Number: 1546774  Size: SH
  1. Place the engine mount onto the midrail and hand start the nuts.
  2. Notice: Refer to Fastener Notice in the Preface section.

  3. Tighten the engine mount to midrail nuts (4).
  4. Tighten
    Tighten the nuts to 100 N·m (74 lb ft).

    Important: The engine mount to intermediate bracket bolts must be hand started. Do not pry the engine mount to align the holes.

  5. Hand start the engine mount to intermediate bracket bolts.
  6. Important: The engine mount bracket bolts must be torqued in a mandatory torque sequence as shown.

  7. Tighten the engine mount to intermediate bracket bolts.
  8. Tighten
    Tighten the bolts to 50 N·m (37 lb ft).

  9. Remove the hydraulic floor jack.