GM Service Manual Online
For 1990-2009 cars only
Figure 1:

Cooling Fan and Indicators (L61)


Object Number: 1582696  Size: FS
Master Electrical Component List
Cooling System Description and Operation
Control Module References
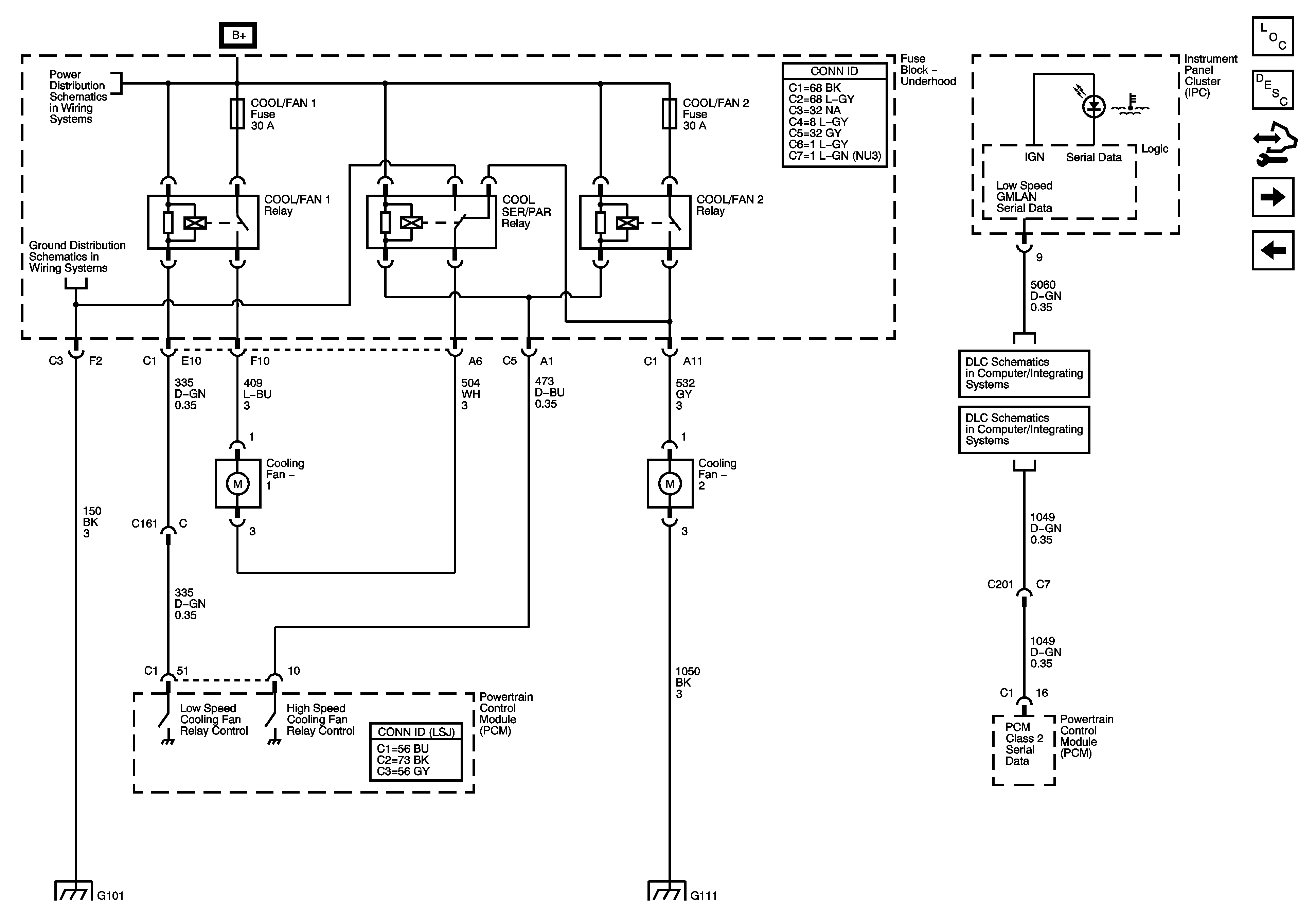
Cooling Fan and Indicators (LSJ)
Underhood Fuse Block, B+ Bus
High Speed GMLAN
DLC Power, Ground, and Low Speed GMLAN
G109, G203, G306
Figure 2:

Cooling Fan and Indicators (LSJ)


Object Number: 1582697  Size: FS
Master Electrical Component List
Cooling System Description and Operation
Control Module References
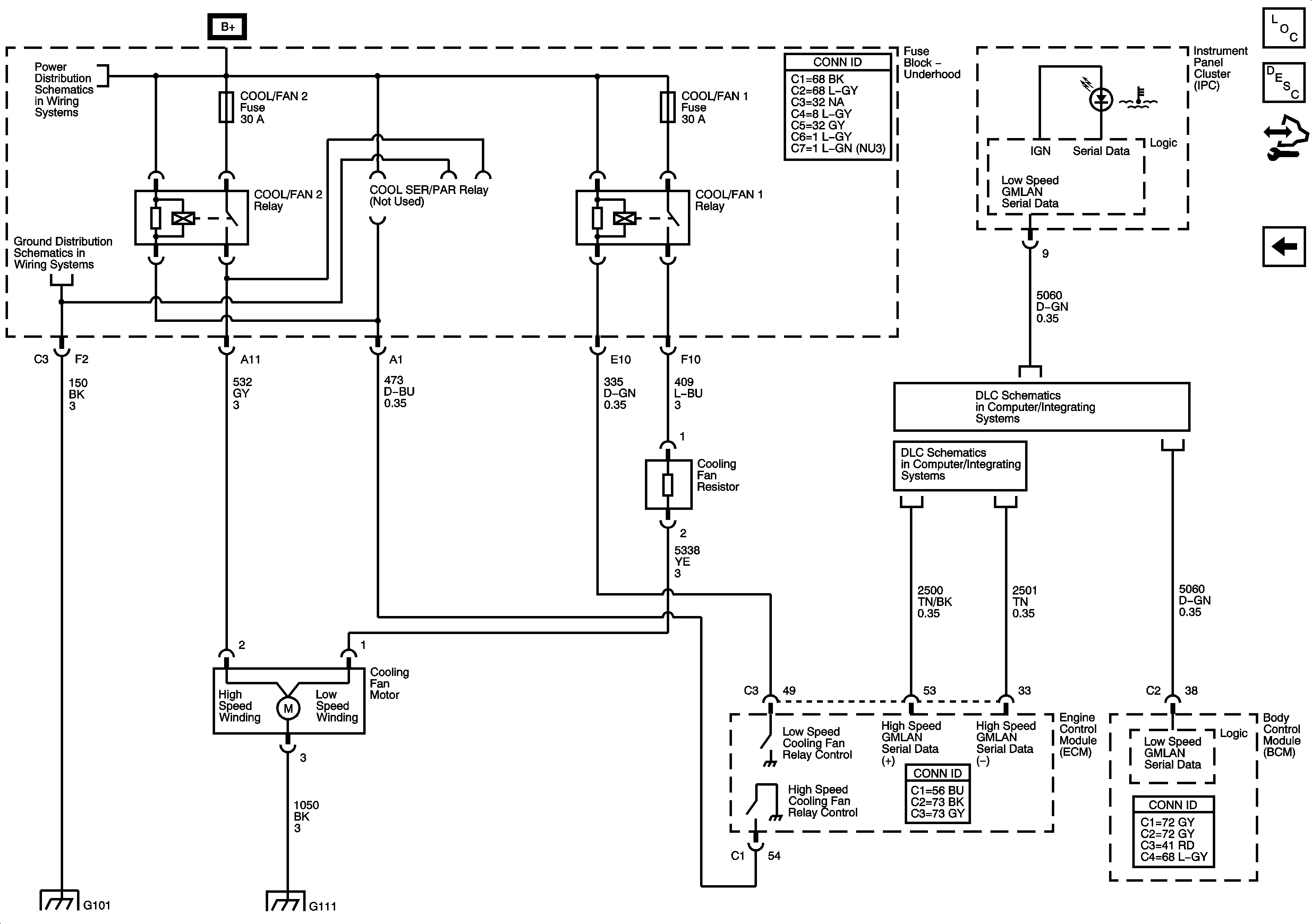
Cooling Fan and Indicators LE5
Cooling Fan and Indicators (L61)
Underhood Fuse Block, B+ Bus
G101, G102
DLC Power, Ground, and Low Speed GMLAN
High Speed GMLAN
G109, G203, G306
Figure 3:

Cooling Fan and Indicators LE5


Object Number: 1687536  Size: FS
Master Electrical Component List
Cooling System Description and Operation
Control Module References
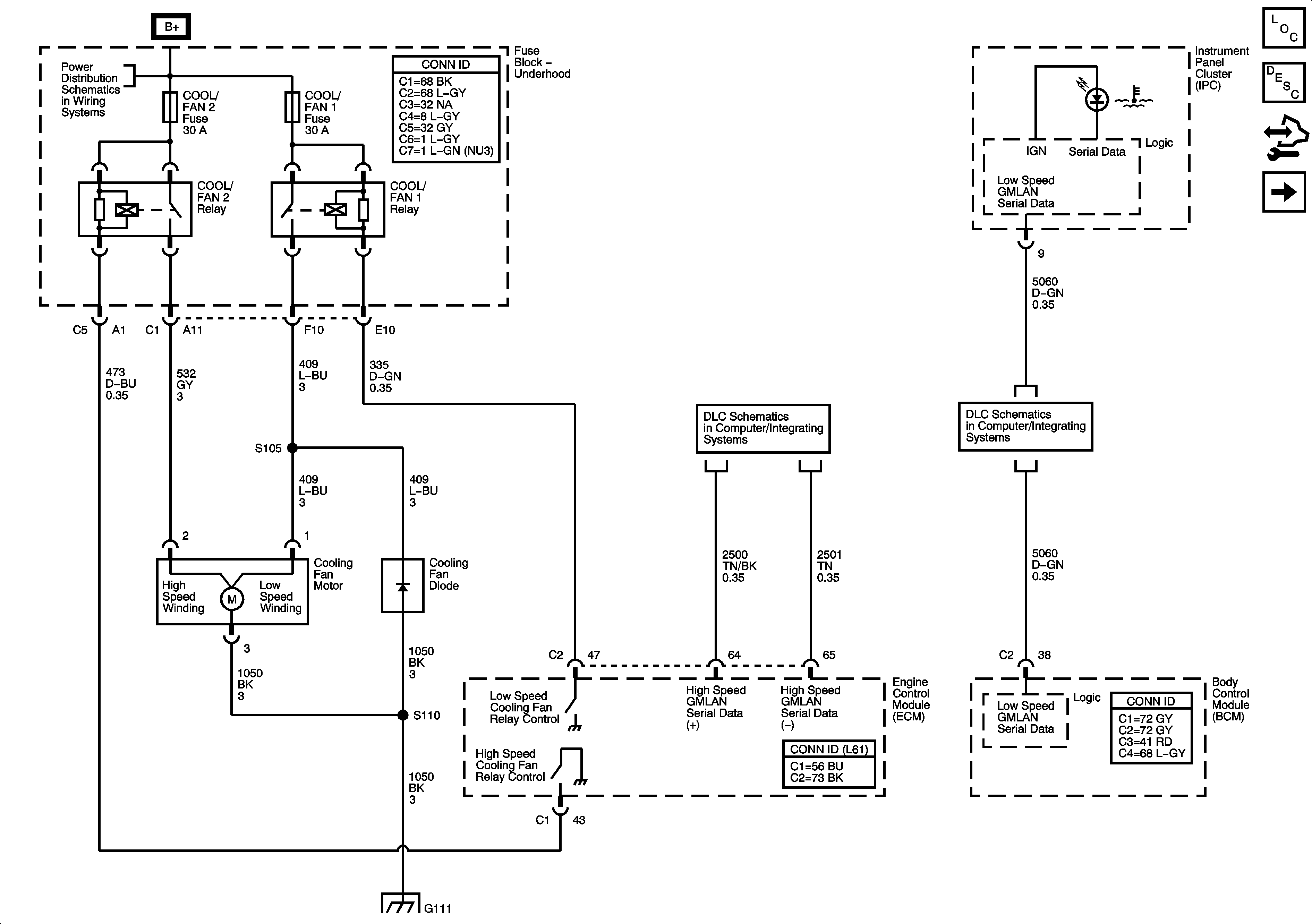
Cooling Fan and Indicators (LSJ)
Underhood Fuse Block, B+ Bus
G101, G102
DLC Power, Ground, and Low Speed GMLAN
High Speed GMLAN
G101, G102
G109, G203, G306