GM Service Manual Online
For 1990-2009 cars only

Battery Negative Cable Replacement Engine to Chassis

Removal Procedure

Important: 

   • Always use replacement cables that are of the same type, diameter and length of the cables that you are replacing.
   • Always route the replacement cable the same way as the original cable.


    Object Number: 1656128  Size: SH
  1. Disconnect the negative battery cable. Refer to Battery Negative Cable Disconnection and Connection .
  2. Raise and support the vehicle. Refer to Lifting and Jacking the Vehicle .
  3. If equipped with regular production options (RPOs) L61/LE5 with MN5 perform the following, remove the engine harness ground nut (4).
  4. Remove the engine harness ground terminal (3) from the stud (1).
  5. Remove the negative battery cable ground terminal (2) from the stud (1).

  6. Object Number: 1656340  Size: SH
  7. If equipped with RPOs L61/LE5 with M86 perform the following, remove the engine harness ground nut (1).
  8. Remove the engine harness ground terminal (3) from the stud (2).
  9. Remove the stud (2).
  10. Separate the negative battery cable ground terminal (4) from the engine block.

  11. Object Number: 1656341  Size: SH
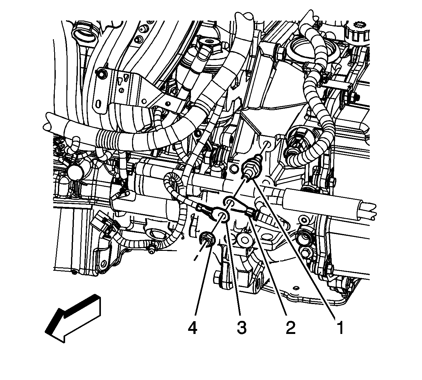
  12. If equipped with RPO LSJ perform the following, remove the engine harness ground nut (1).
  13. Remove the engine harness grounds (2).
  14. Remove the stud (2).
  15. Reposition the engine harness ground (4).
  16. Separate the negative battery cable ground terminal (5) from the engine block.

  17. Object Number: 1656239  Size: SH
  18. Remove the negative battery cable ground nut from the stud on the side rail.
  19. Remove the negative battery cable ground terminal from the stud.

  20. Object Number: 1656337  Size: SH
  21. Cut open the tape on the positive/negative battery cable conduit (1).
  22. Remove the old tape from the conduit.

  23. Object Number: 1656338  Size: SH
  24. Remove the negative battery cable (2).

Installation Procedure


    Object Number: 1656338  Size: SH
  1. Install the negative battery cable (2) to the conduit.

  2. Object Number: 1656337  Size: SH
  3. Wrap tape around the positive/negative battery cable conduit (1).

  4. Object Number: 1656239  Size: SH
  5. Install the negative battery cable ground terminal to the stud.
  6. Notice: Refer to Fastener Notice in the Preface section.

  7. Install the battery cable ground nut to the stud on the side rail.
  8. Tighten
    Tighten the nut to 20 N·m (15 lb ft).


    Object Number: 1656341  Size: SH
  9. If equipped with RPO LSJ perform the following, position the negative battery cable ground terminal (5) to the engine block.
  10. Position the engine harness ground (4) on top of the ground terminal.
  11. Install the stud (2).
  12. Tighten
    Tighten the stud to 25 N·m (18 lb ft).

  13. Install the engine harness grounds (2) onto the stud.
  14. Install the engine harness ground nut (1).
  15. Tighten
    Tighten the nut to 17 N·m (13 lb ft).


    Object Number: 1656340  Size: SH
  16. If equipped with RPOs L61/LE5 with M86 perform the following, position the negative battery cable ground terminal (4) to the engine block.
  17. Install the stud (2).
  18. Tighten
    Tighten the stud to 25 N·m (18 lb ft).

  19. Install the engine harness ground terminal (3) to the stud (2).
  20. Install the engine harness ground nut (1).
  21. Tighten
    Tighten the nut to 17 N·m (13 lb ft).


    Object Number: 1656128  Size: SH
  22. If equipped with RPOs L61/LE5 with MN5 perform the following, install the negative battery cable ground terminal (2) to the stud (1).
  23. Install the engine harness ground terminal (3) to the stud (1).
  24. Install the engine harness ground nut (4).
  25. Tighten
    Tighten the nut to 17 N·m (13 lb ft).

  26. Lower the vehicle.
  27. Connect the negative battery cable. Refer to Battery Negative Cable Disconnection and Connection .

Battery Negative Cable Replacement Battery to Battery Tray

Removal Procedure

Important: 

   • Always use replacement cables that are of the same type, diameter and length of the cables that you are replacing.
   • Always route the replacement cable the same way as the original cable.


    Object Number: 1656237  Size: SH
  1. Disconnect the negative battery cable. Refer to Battery Negative Cable Disconnection and Connection.
  2. Disconnect the body harness electrical connector (7) from the battery current sensor (6).
  3. Remove the negative battery cable ground bolt (4).
  4. Separate the negative battery cable terminal (5) from the battery support.
  5. Remove the negative battery cable (3).

Installation Procedure


    Object Number: 1656237  Size: SH
  1. Install the negative battery cable (3). Ensure that the anti-rotation tab on the terminal (5) is correctly located.
  2. Notice: Refer to Fastener Notice in the Preface section.

  3. Install the negative battery cable ground bolt (4).
  4. Tighten
    Tighten the bolt to 17 N·m (13 lb ft).

  5. Connect the body harness electrical connector (7) to the battery current sensor (6).
  6. Connect the negative battery cable. Refer to Battery Negative Cable Disconnection and Connection.