GM Service Manual Online
For 1990-2009 cars only
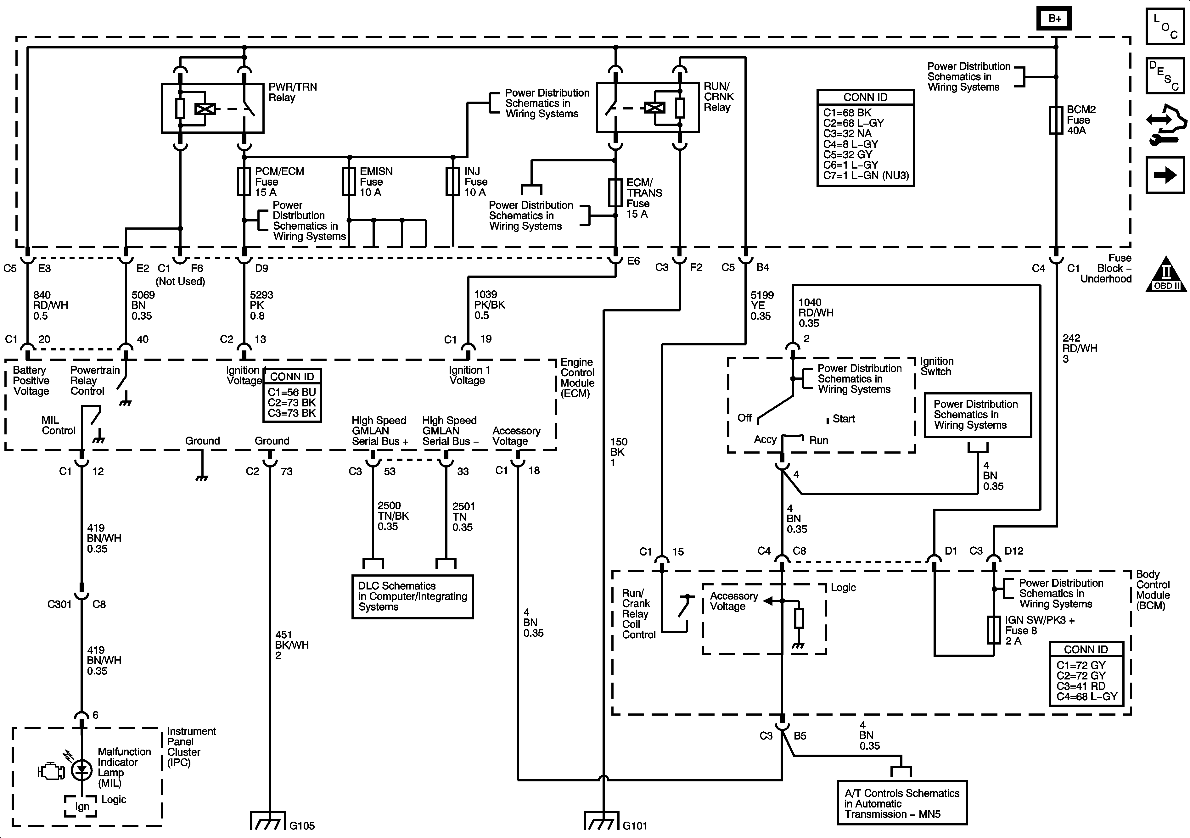
Figure 1:

Power, Ground, MIL, and DLC


Object Number: 1575970  Size: FS
Master Electrical Component List
Engine Control Module Description
Control Module References
Engine Data Sensors - 5-Volt and Low Reference
Engine Controls Schematic Icons
FUEL PUMP, POWERTRAIN Relay, FUEL PUMP, EMISSION, INJECTOR Fuses
FUEL PUMP, POWERTRAIN Relay, FUEL PUMP, EMISSION, INJECTOR Fuses
RUN/CRANK Relay, I/P IGN, BACKUP, ABS, ECM, TRANS, LIGHTING, S-BAND, MIRROR, ABS, EPS, BCM2, BCM3, HEATED SEATS Fuses
BCM2, CLUSTER, IGN SW, STOP LPS, AUDIO AMPLIFIER Fuses
High Speed GMLAN
BCM2, CLUSTER, IGN SW, STOP LPS, AUDIO AMPLIFIER Fuses
G103, G105
G101, G102
TCM, Power, Ground, and PNP Switch
Figure 2:

Engine Data Sensors - 5-Volt and Low Reference


Object Number: 1575972  Size: FS
Master Electrical Component List
Engine Control Module Description
Control Module References
Engine Data Sensors - Pressure, Temperature, MAF, and VSS
Power, Ground, MIL, and DLC
Engine Controls Schematic Icons
Figure 3:

Engine Data Sensors - Pressure, Temperature, MAF, and VSS


Object Number: 1575975  Size: FS
Master Electrical Component List
Engine Control Module Description
Control Module References
Engine Data Sensors - Oxygen Sensors
Engine Data Sensors - 5-Volt and Low Reference
Engine Controls Schematic Icons
Ambient Air Temperature Sensor, EOP Sensor, Fuel Level Sensor and Indicator
Engine Controls Schematic Icons
G103, G105
Figure 4:

Engine Data Sensors - Oxygen Sensors


Object Number: 1575980  Size: FS
Master Electrical Component List
Engine Control Module Description
Control Module References
Engine Data Sensors - Throttle Actuator Controls
Engine Data Sensors - Pressure, Temperature, MAF, and VSS
Engine Controls Schematic Icons
Figure 5:

Engine Data Sensors - Throttle Actuator Controls


Object Number: 1575981  Size: FS
Master Electrical Component List
Throttle Actuator Control (TAC) System Description
Control Module References
Ignition Controls - Ignition System
Engine Data Sensors - Oxygen Sensors
Engine Controls Schematic Icons
Figure 6:

Ignition Control - Ignition System


Object Number: 1575983  Size: FS
Master Electrical Component List
Electronic Ignition (EI) System Description
Control Module References
Ignition Controls - Sensors
Engine Data Sensors - Throttle Actuator Controls
Engine Controls Schematic Icons
Fuel Controls
G103, G105
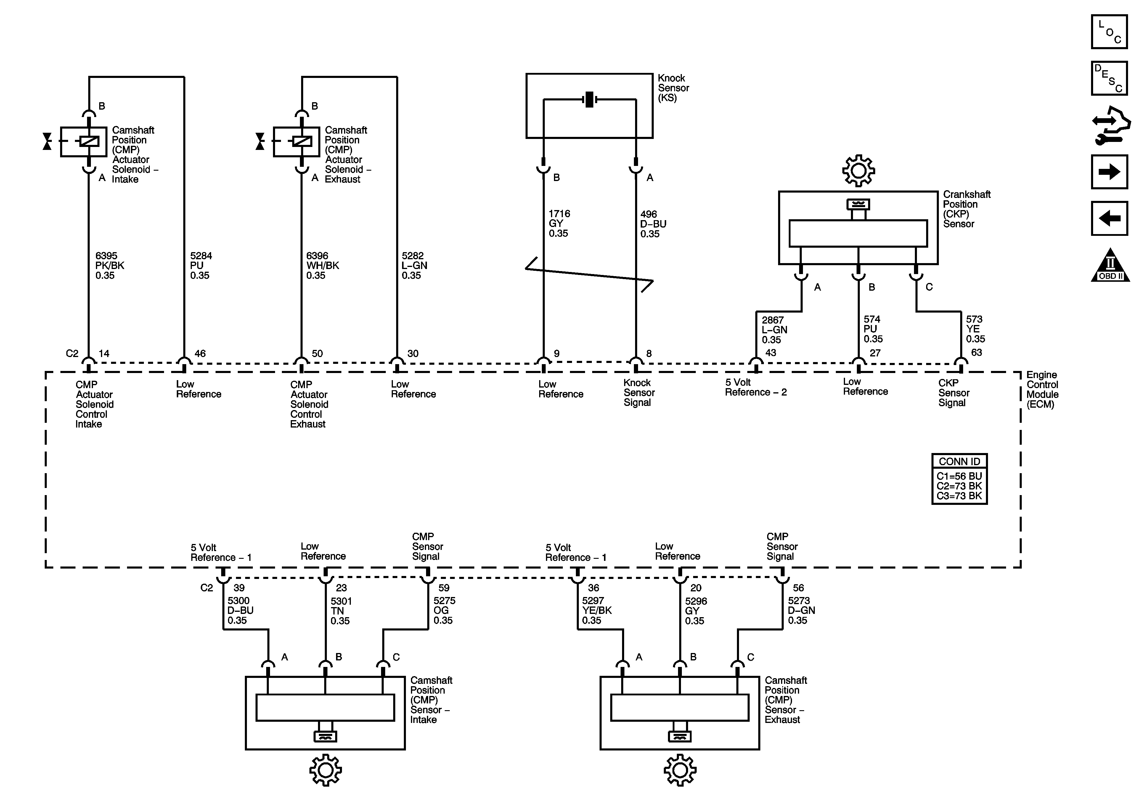
Figure 7:

Ignition Control - Sensors


Object Number: 1575986  Size: FS
Master Electrical Component List
Camshaft Actuator System Description
Control Module References
Fuel Controls
Ignition Controls - Ignition System
Engine Controls Schematic Icons
Figure 8:

Fuel Controls


Object Number: 1575987  Size: FS
Master Electrical Component List
Fuel System Description
Control Module References
Fuel Controls - EVAP Controls
Ignition Controls - Sensors
Engine Controls Schematic Icons
Ignition Controls - Ignition System
G101, G102
G402, G403
G101, G102
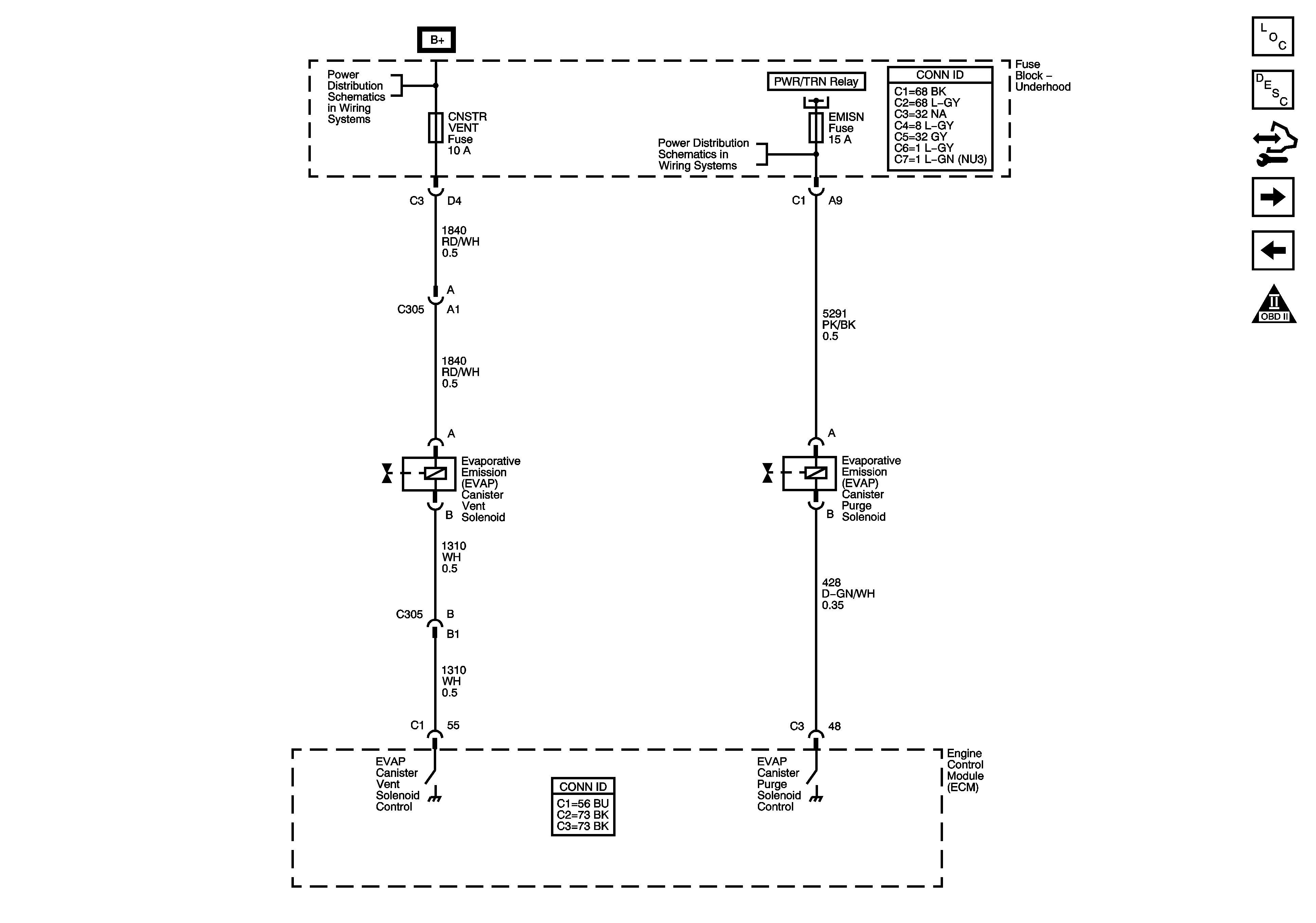
Figure 9:

Fuel Controls - EVAP Controls


Object Number: 1575988  Size: FS
Master Electrical Component List
Evaporative Emission Control System Description
Control Module References
Controlled/Monitored Subsystem References
Fuel Controls
Engine Controls Schematic Icons
RUN/CRANK Relay, I/P IGN, BACKUP, ABS, ECM, TRANS, LIGHTING, S-BAND, MIRROR, ABS, EPS, BCM2, BCM3, HEATED SEATS Fuses
FUEL PUMP, POWERTRAIN Relay, FUEL PUMP, EMISSION, INJECTOR Fuses
Figure 10:

Controlled/Monitored Subsystem References


Object Number: 1575992  Size: FS
Master Electrical Component List
Engine Control Module Description
Control Module References
Fuel Controls - EVAP Controls
Engine Controls Schematic Icons
Ambient Air Temperature Sensor, EOP Sensor, Fuel Level Sensor and Indicator
Manual Transmission (L61/2.2L) Schematics
Clutch Pedal Position Switch, Stop Lamp Switch
Cooling Fan and Indicators (L61)
Compressor Controls
Charging
Starting
Manual Transmission (L61/2.2L) Schematics