GM Service Manual Online
For 1990-2009 cars only
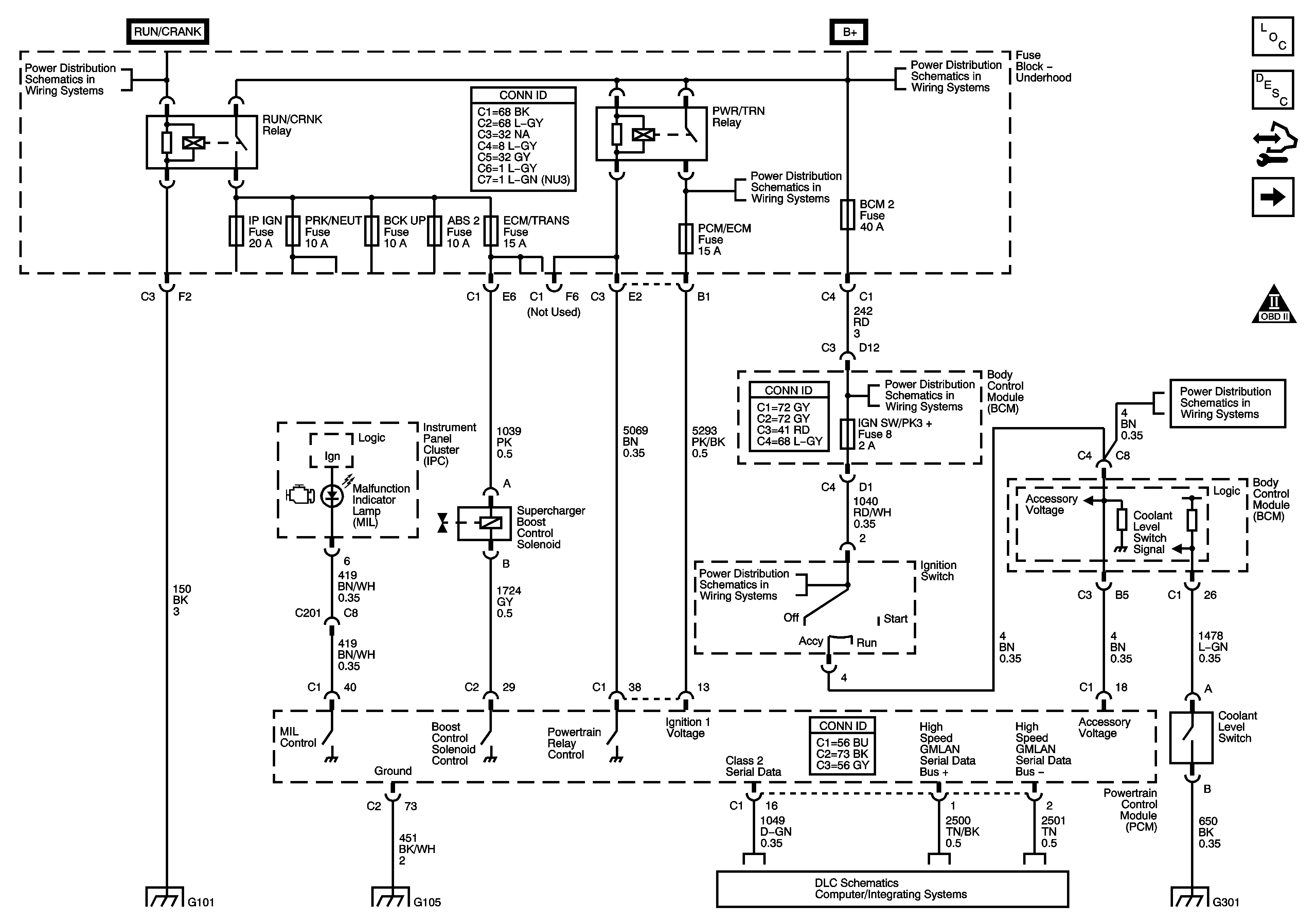
Figure 1:

Power, Ground, MIL, and DLC


Object Number: 1582639  Size: FS
Master Electrical Component List
Powertrain Control Module Description
Control Module References
Engine Data Sensors - 5-Volt and Low Reference Bussing
Engine Controls Schematic Icons
BCM2, CLUSTER, IGN SW, STOP LPS, AUDIO AMPLIFIER Fuses
BCM2, CLUSTER, IGN SW, STOP LPS, AUDIO AMPLIFIER Fuses
BCM2, CLUSTER, IGN SW, STOP LPS, AUDIO AMPLIFIER Fuses
G101, G102
High Speed GMLAN
G301 (2 of 2)
G101, G102
G103, G105
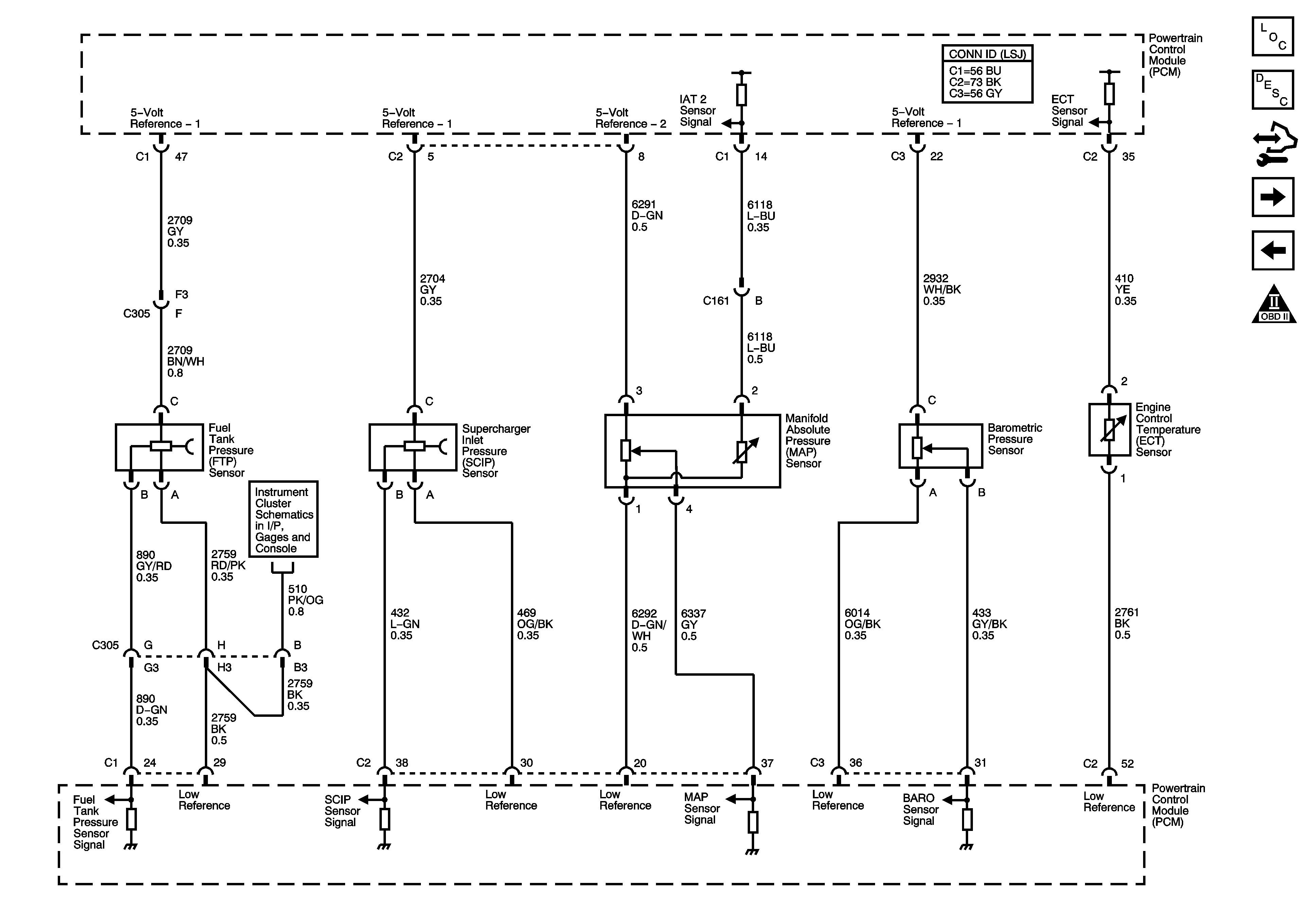
Figure 2:

Engine Data Sensors - 5-Volt and Low Reference Bussing


Object Number: 1582649  Size: FS
Master Electrical Component List
Powertrain Control Module Description
Control Module References
Engine Data Sensors and Pressure Temperature
Power, Ground, MIL, and DLC
Engine Controls Schematic Icons
Figure 3:

Engine Data Sensors and Pressure Temperature


Object Number: 1582652  Size: FS
Master Electrical Component List
Air Intake System Description
Control Module References
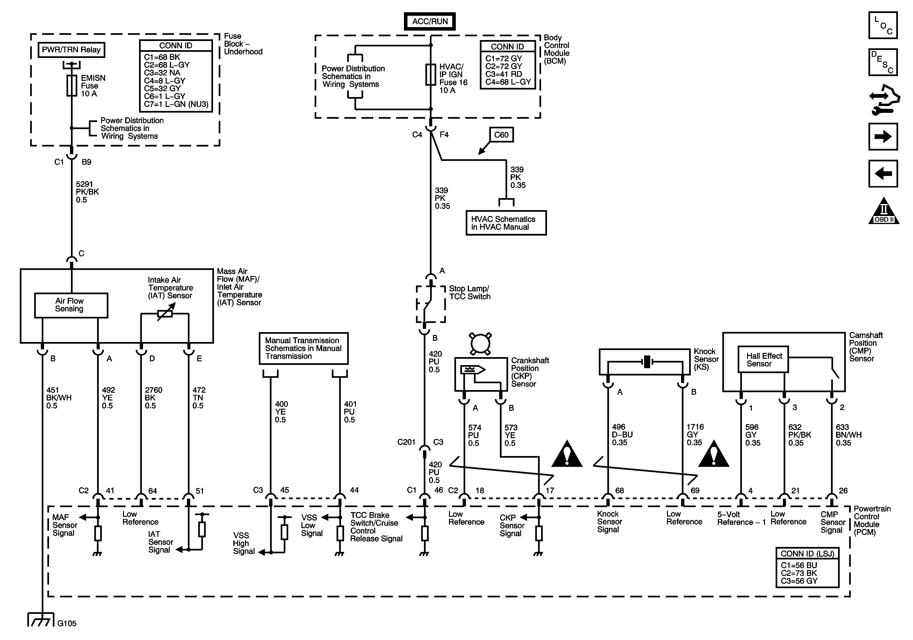
Engine Data Sensors - MAF/IAT, CKP, KS, CMP, VSS
Engine Data Sensors - 5-Volt and Low Reference Bussing
Engine Controls Schematic Icons
Figure 4:

Engine Data Sensors - MAF/IAT, CKP, KS, CMP, and VSS


Object Number: 1582655  Size: FS
Master Electrical Component List
Knock Sensor (KS) System Description
Control Module References
Engine Data Sensors, HO2S
Engine Data Sensors and Pressure Temperature
Engine Controls Schematic Icons
FUEL PUMP, POWERTRAIN Relay, FUEL PUMP, EMISSION, INJECTOR Fuses
Power, Ground, and Blower Motor
Manual Transmission (L61/2.2L) Schematics
Engine Controls Schematic Icons
Engine Controls Schematic Icons
G103, G105
Figure 5:

Engine Data Sensors, HO2S


Object Number: 1582657  Size: FS
Master Electrical Component List
Powertrain Control Module Description
Control Module References
Engine Data Sensors, APP and TAC
Engine Data Sensors - MAF/IAT, CKP, KS, CMP, VSS
Engine Controls Schematic Icons
FUEL PUMP, POWERTRAIN Relay, FUEL PUMP, EMISSION, INJECTOR Fuses
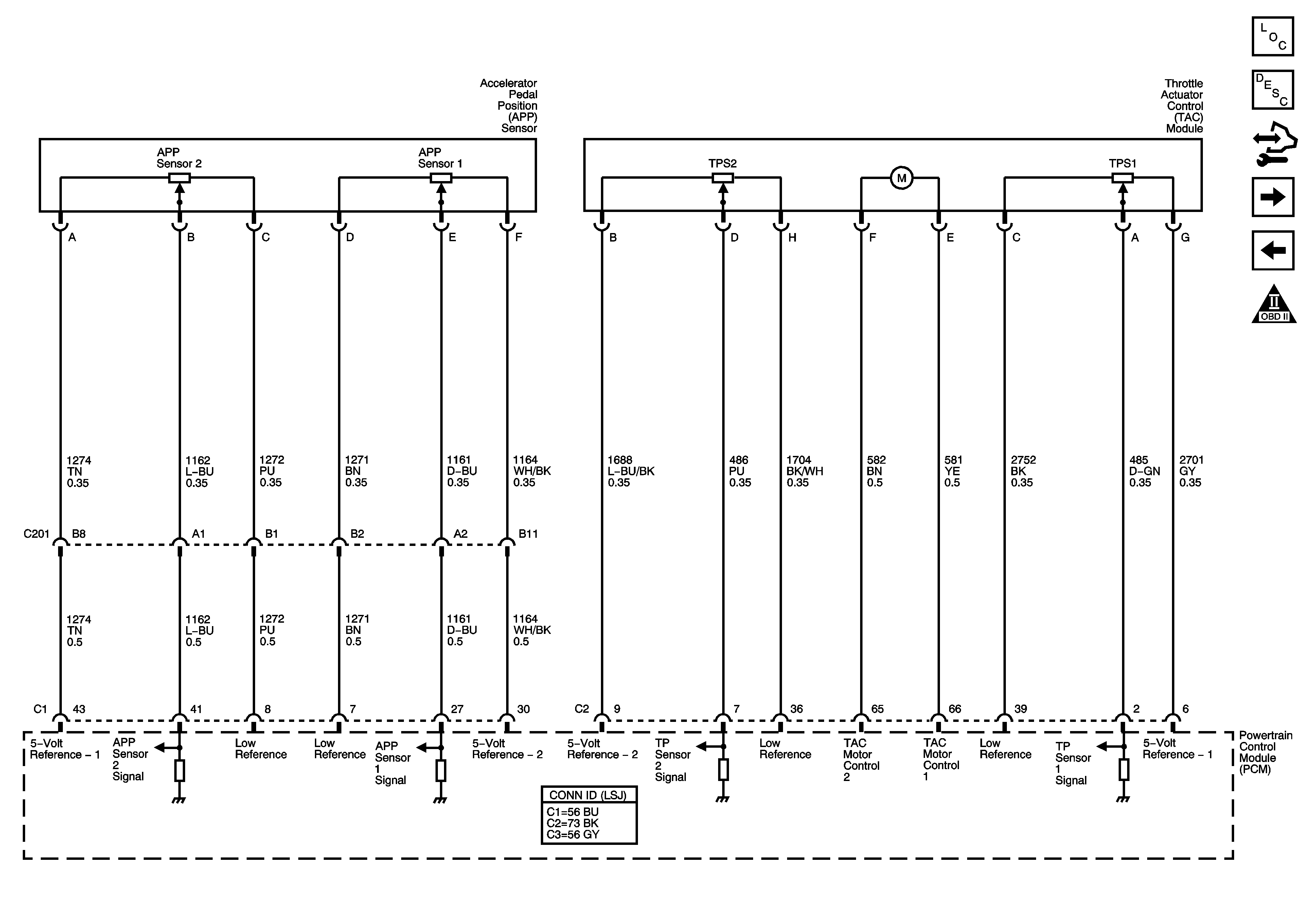
Figure 6:

Engine Data Sensors - APP and TAC


Object Number: 1582659  Size: FS
Master Electrical Component List
Throttle Actuator Control (TAC) System Description
Control Module References
Ignition Controls - Ignition System and Sensors
Engine Data Sensors, HO2S
Engine Controls Schematic Icons
Figure 7:

Ignition Controls - Ignition System and Sensors


Object Number: 1582662  Size: FS
Master Electrical Component List
Electronic Ignition (EI) System Description
Control Module References
Fuel Delivery
Engine Data Sensors, APP and TAC
Engine Controls Schematic Icons
Fuel Delivery
Engine Controls Schematic Icons
Engine Controls Schematic Icons
G103, G105
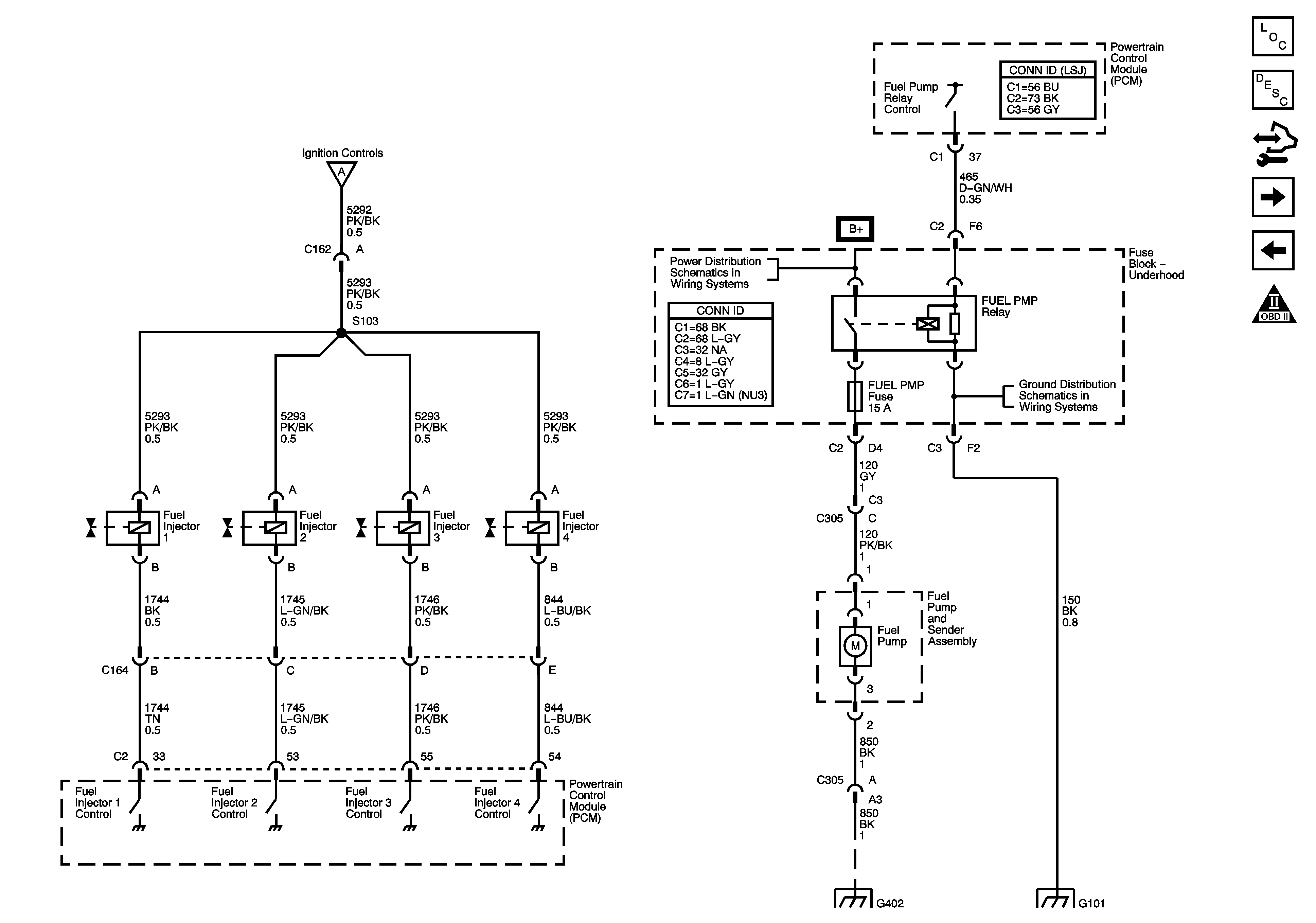
Figure 8:

Fuel Delivery


Object Number: 1582664  Size: FS
Master Electrical Component List
Fuel System Description
Control Module References
Engine Data Sensors, EVAP, Aftercooler Pump, Supercharger Boost Control Solenoid
Ignition Controls - Ignition System and Sensors
Engine Controls Schematic Icons
Ignition Controls - Ignition System and Sensors
G101, G102
G402, G403
G101, G102
Figure 9:

Engine Data Sensors, EVAP, Aftercooler Pump, Supercharger Boost Control Solenoid


Object Number: 1582682  Size: FS
Master Electrical Component List
Supercharger Description and Operation
Control Module References
Controlled/Monitored Subsystem References
Fuel Delivery
Engine Controls Schematic Icons
RUN/CRANK Relay, I/P IGN, BACKUP, ABS, ECM, TRANS, LIGHTING, S-BAND, MIRROR, ABS, EPS, BCM2, BCM3, HEATED SEATS Fuses
AIR SOLENOID, A/C CLUTCH, HORN, FOG LAMP Relays, AIR SOLENOID, A/C, HORN, FOG LAMP Fuses
RUN/CRANK Relay, I/P IGN, BACKUP, ABS, ECM, TRANS, LIGHTING, S-BAND, MIRROR, ABS, EPS, BCM2, BCM3, HEATED SEATS Fuses
G103, G105
Figure 10:

Controlled/Monitored Subsystem References


Object Number: 1582684  Size: FS
Master Electrical Component List
Powertrain Control Module Description
Control Module References
Engine Data Sensors, EVAP, Aftercooler Pump, Supercharger Boost Control Solenoid
Engine Controls Schematic Icons
Ambient Air Temperature Sensor, EOP Sensor, Fuel Level Sensor and Indicator
Clutch Pedal Position Switch, Stop Lamp Switch
Cooling Fan and Indicators (L61)
Compressor Controls
Charging
Starting
Manual Transmission (MU3) Schematics