GM Service Manual Online
For 1990-2009 cars only
Makes
🢒
Pontiac
🢒
2006
🢒
Pursuit
🢒
Vehicle Control Systems
🢒
Vehicle DTC Information
🢒 Starting and Charging Schematics
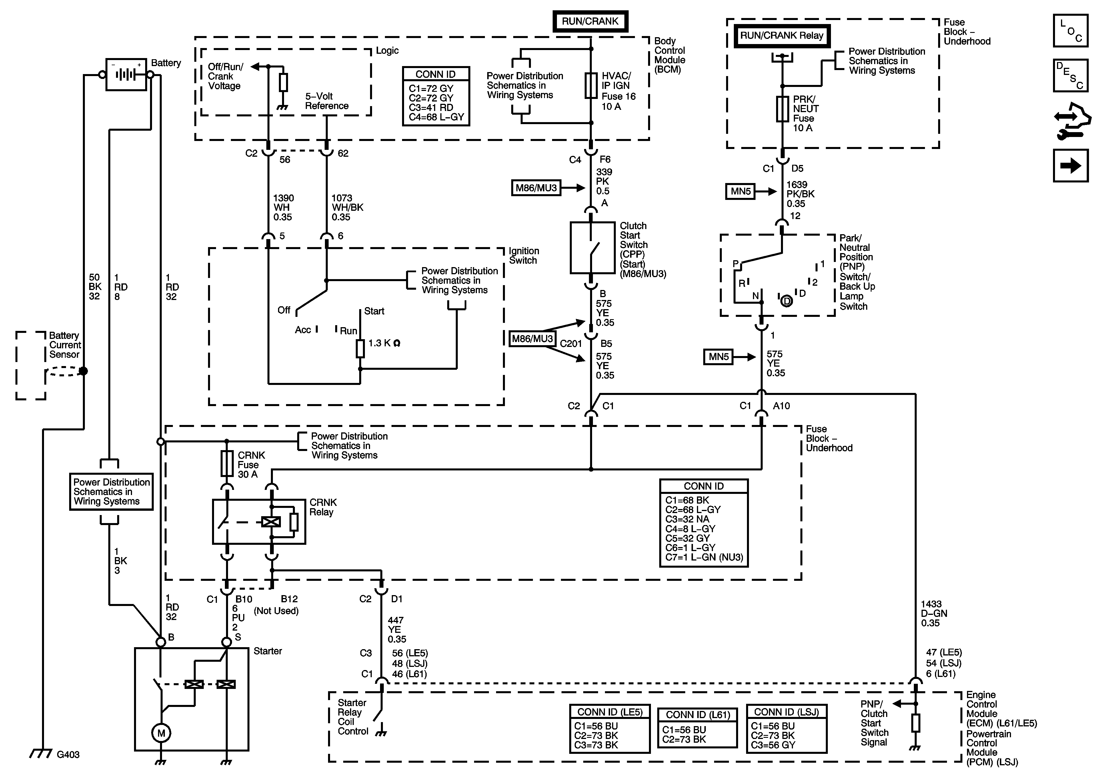
Figure
1:
Starting
Master Electrical Component List
Starting System Description and Operation
Control Module References
Charging
RUN/CRANK, HVAC Relays, I/P, IGN, BCM3, WIPER, I/P IGN Fuses
RUN/CRANK Relay, I/P IGN, BACKUP, ABS, ECM, TRANS, LIGHTING, S-BAND, MIRROR, ABS, EPS, BCM2, BCM3, HEATED SEATS Fuses
Underhood Fuse Block, B+ Bus
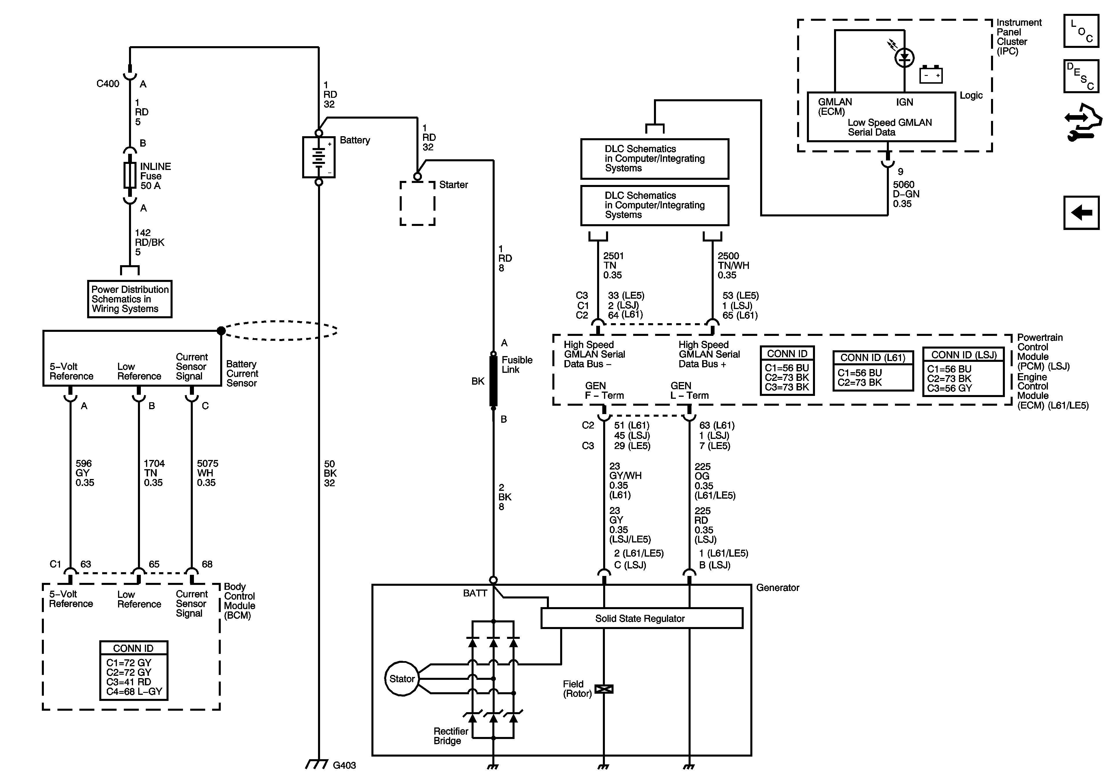
Figure
2:
Charging
Master Electrical Component List
Charging System Description and Operation (w/RVC)
Control Module References
Starting
DLC Power, Ground, and Low Speed GMLAN
High Speed GMLAN
Underhood Fuse Block, B+ Bus