GM Service Manual Online
For 1990-2009 cars only

Object Number: 1545954  Size: LF

Callout

Component Name

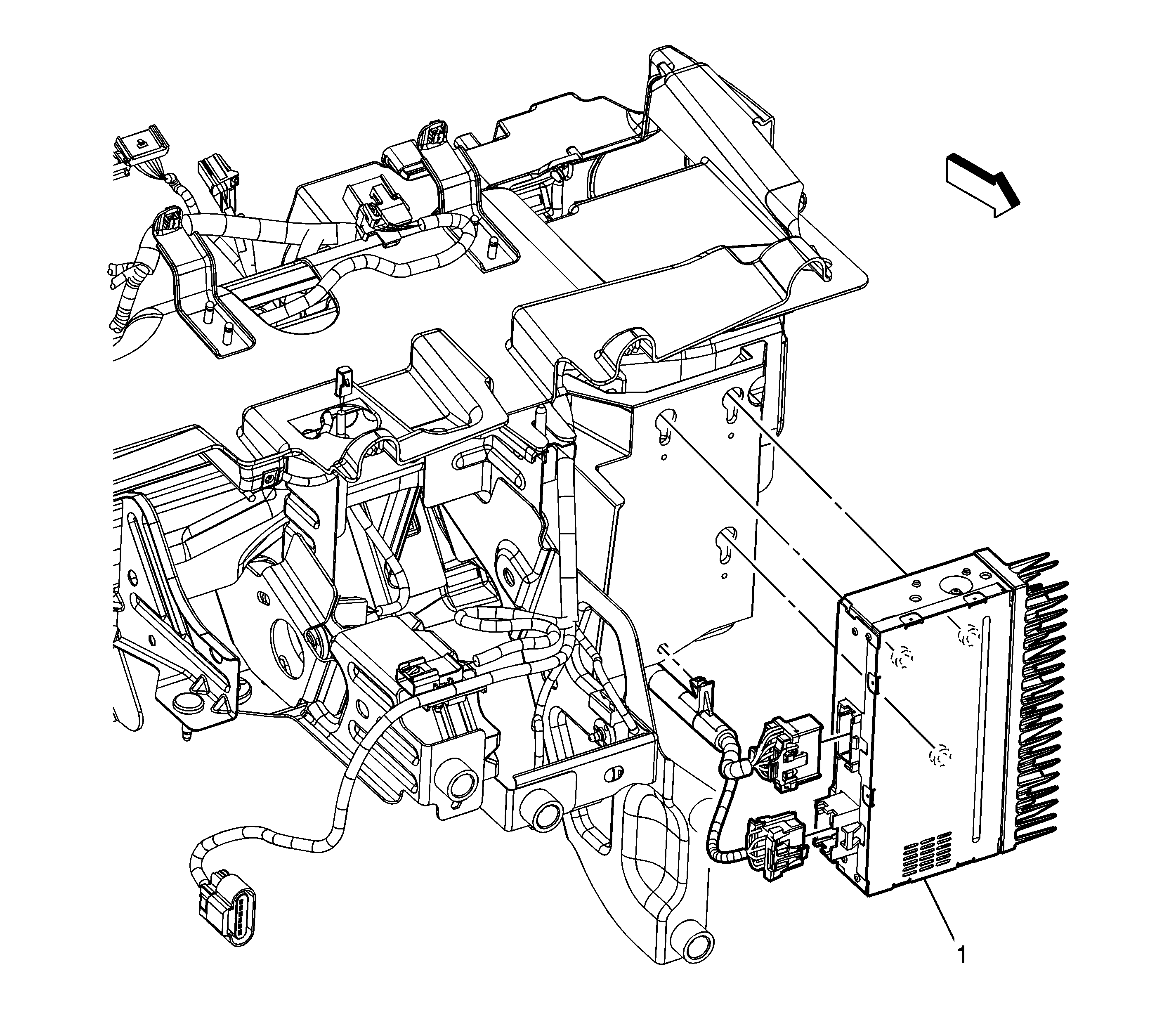
1

Radio Amplifier Assembly

Refer to Control Module References for programming and setup information.

Tip

    • Amp is located under the instrument panel (I/P) left of steering column.
    • Disconnect the electrical connectors.