GM Service Manual Online
For 1990-2009 cars only
Figure 1:

Radio w/ UQ4


Object Number: 1582784  Size: FS
Master Electrical Component List
Radio/Audio System Description and Operation
Control Module References
Radio Power, Ground and Communication (UQ3)
RAP, DOOR LOCK, DOOR UNLOCK, INTERIOR LAMPS Relays, DOOR LOCK RADIO, PWR WINDOW, SUNROOF, INT LPS, ECM/TCM, SDM, CURRENT SENSOR Fuses
RAP, DOOR LOCK, DOOR UNLOCK, INTERIOR LAMPS Relays, DOOR LOCK RADIO, PWR WINDOW, SUNROOF, INT LPS, ECM/TCM, SDM, CURRENT SENSOR Fuses
DLC Power, Ground, and Low Speed GMLAN
Redundant Steering Wheel Controls Schematics
OnStar Schematics (UE1)
Entertainment Schematic Icons
Entertainment Schematic Icons
Entertainment Schematic Icons
Entertainment Schematic Icons
Entertainment Schematic Icons
Entertainment Schematic Icons
Entertainment Schematic Icons
Entertainment Schematic Icons
Figure 2:

Radio Power, Ground, Communication- w/UQ3


Object Number: 1582787  Size: FS
Master Electrical Component List
Radio/Audio System Description and Operation
Control Module References
Amplifier Power, Speakers (UQ3)
Radio (UQ4)
RAP, DOOR LOCK, DOOR UNLOCK, INTERIOR LAMPS Relays, DOOR LOCK RADIO, PWR WINDOW, SUNROOF, INT LPS, ECM/TCM, SDM, CURRENT SENSOR Fuses
RAP, DOOR LOCK, DOOR UNLOCK, INTERIOR LAMPS Relays, DOOR LOCK RADIO, PWR WINDOW, SUNROOF, INT LPS, ECM/TCM, SDM, CURRENT SENSOR Fuses
DLC Power, Ground, and Low Speed GMLAN
Redundant Steering Wheel Controls Schematics
OnStar Schematics (UE1)
Entertainment Schematic Icons
Entertainment Schematic Icons
G201
Figure 3:

Amplifier Power, Speakers-w/UQ3


Object Number: 1582792  Size: FS
Master Electrical Component List
Radio/Audio System Description and Operation
Control Module References
Digital Radio Receiver (U2K)
Radio Power, Ground and Communication (UQ3)
BCM2, CLUSTER, IGN SW, STOP LPS, AUDIO AMPLIFIER Fuses
Entertainment Schematic Icons
Entertainment Schematic Icons
Entertainment Schematic Icons
Entertainment Schematic Icons
Entertainment Schematic Icons
Entertainment Schematic Icons
Entertainment Schematic Icons
Entertainment Schematic Icons
G201
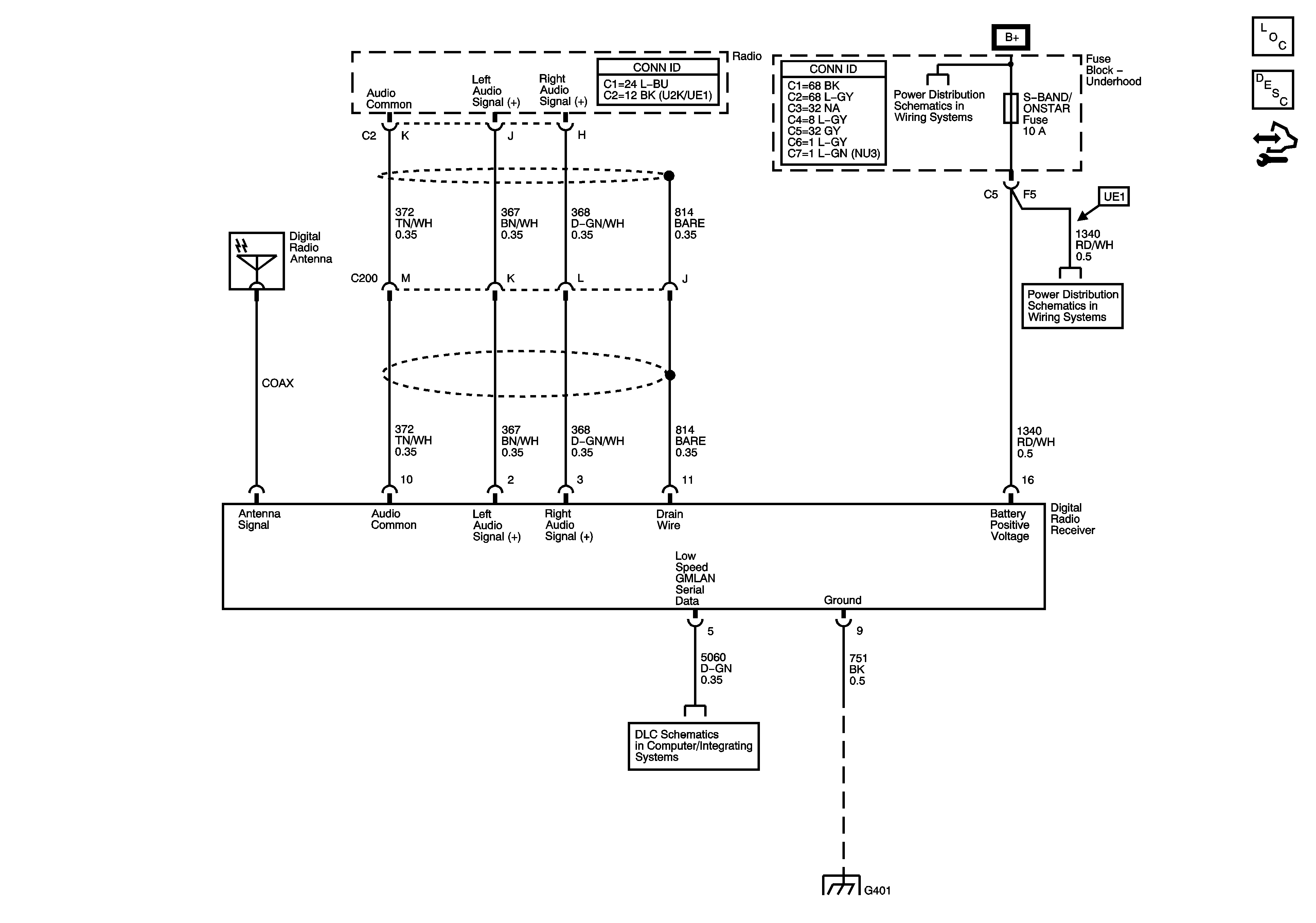
Figure 4:

Digital Radio Receiver (U2K)


Object Number: 1582796  Size: FS
Master Electrical Component List
Radio/Audio System Description and Operation
Redundant Radio Controls
Amplifier Power, Speakers (UQ3)
Control Module References
Entertainment Schematic Icons
Entertainment Schematic Icons
RUN/CRANK Relay, I/P IGN, BACKUP, ABS, ECM, TRANS, LIGHTING, S-BAND, MIRROR, ABS, EPS, BCM2, BCM3, HEATED SEATS Fuses
DLC Power, Ground, and Low Speed GMLAN
G401 (2 of 2)
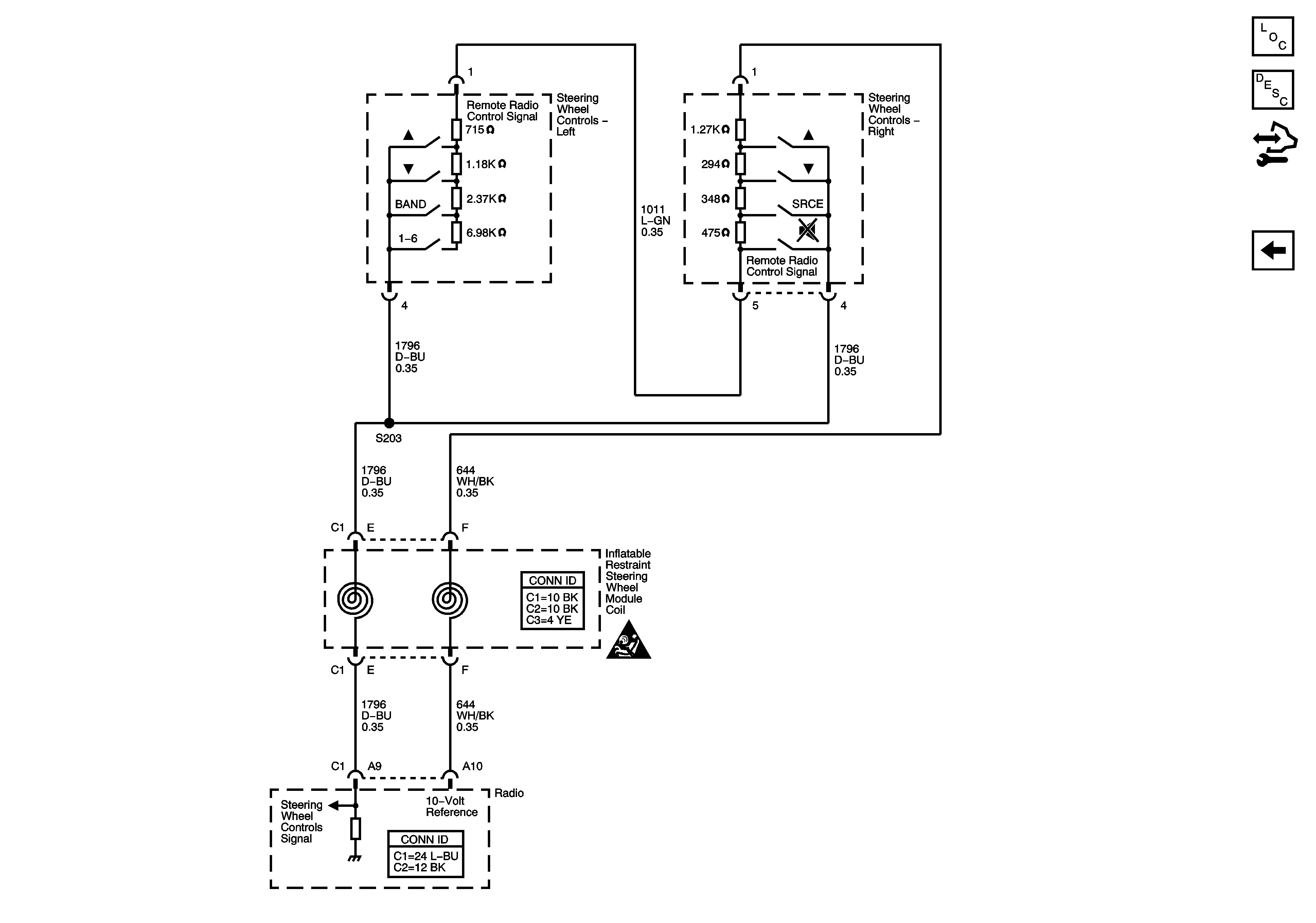
Figure 5:

Redundant Radio Controls (UK3)


Object Number: 1689318  Size: FS
Master Electrical Component List
Steering Wheel Controls Description and Operation
Control Module References
Digital Radio Receiver (U2K)
Entertainment Schematic Icons