GM Service Manual Online
For 1990-2009 cars only
Figure 1:

Underhood Fuse Block, B+ Bus


Object Number: 1582405  Size: FS
Master Electrical Component List
Control Module References
RUN/CRANK Relay, I/P IGN, BACKUP, ABS, ECM, TRANS, LIGHTING, S-BAND, MIRROR, ABS, EPS, BCM2, BCM3, HEATED SEATS Fuses
Figure 2:

RUN/CRANK Relay, I/P IGN, BACKUP, ABS ECM, TRANS, LIGHTING, S-BAND, MIRROR, ABS EPS, BCM2, BCM3, HEATED SEATS Fuses


Object Number: 1582406  Size: FS
Master Electrical Component List
Control Module References
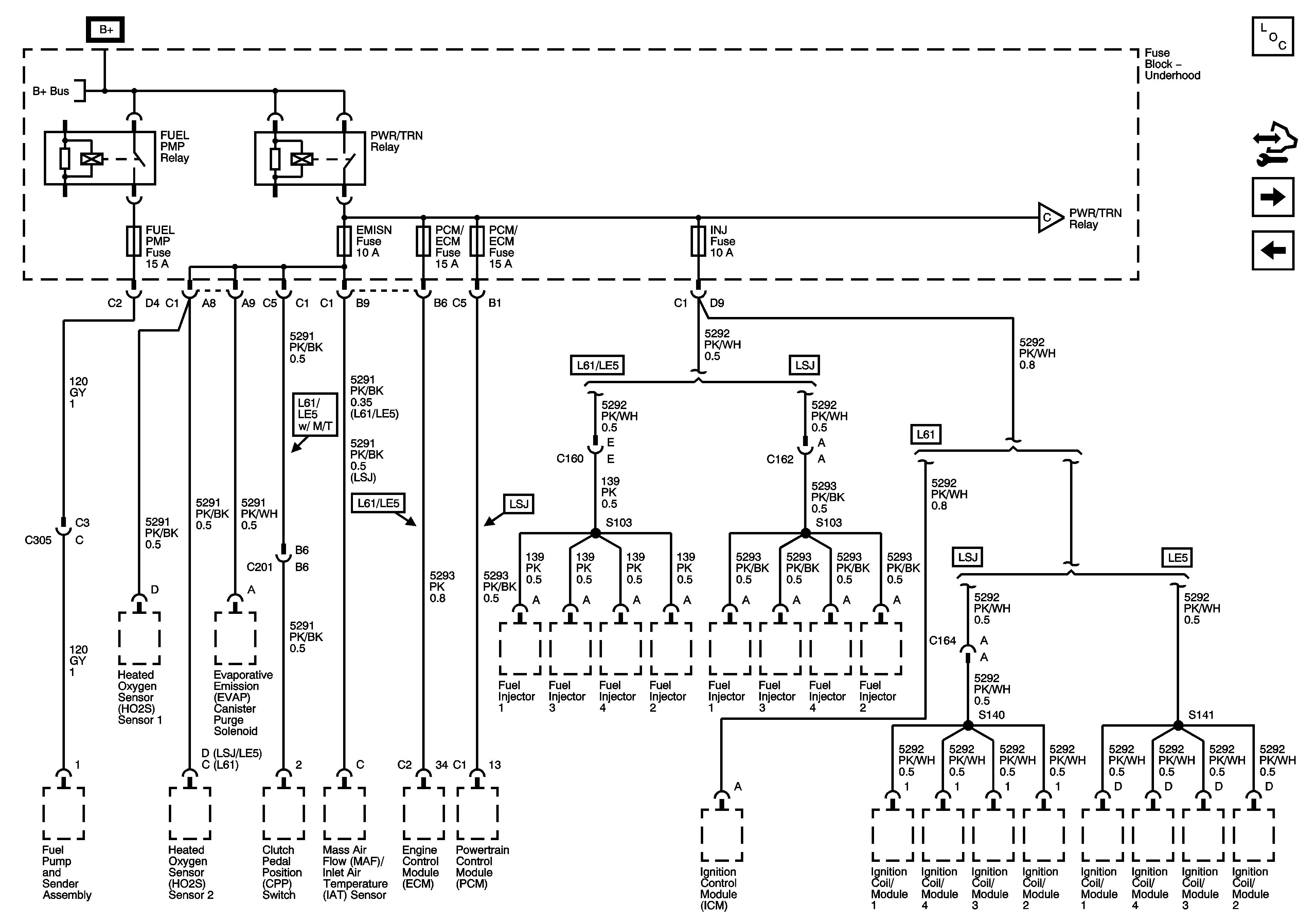
FUEL PUMP, POWERTRAIN Relay, FUEL PUMP, EMISSION, INJECTOR Fuses
Underhood Fuse Block, B+ Bus
Figure 3:

FUEL PUMP, POWERTRAIN Relay, FUEL PUMP, EMISSION, INDICATOR Fuses


Object Number: 1582409  Size: FS
Master Electrical Component List
Control Module References
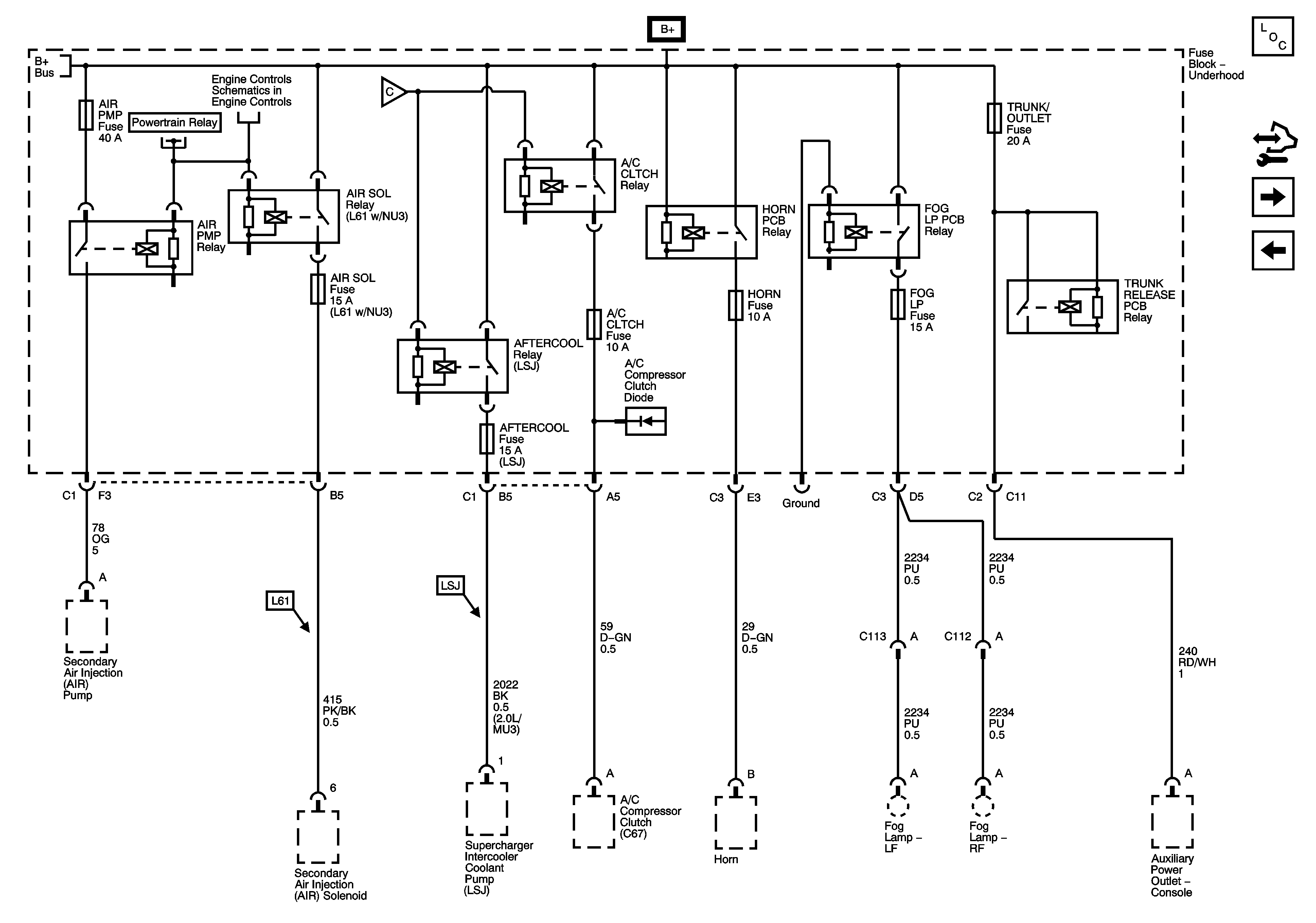
AIR SOLENOID, A/C CLUTCH, HORN, FOG LAMP Relays, AIR SOLENOID, A/C, HORN, FOG LAMP Fuses
RUN/CRANK Relay, I/P IGN, BACKUP, ABS, ECM, TRANS, LIGHTING, S-BAND, MIRROR, ABS, EPS, BCM2, BCM3, HEATED SEATS Fuses
AIR SOLENOID, A/C CLUTCH, HORN, FOG LAMP Relays, AIR SOLENOID, A/C, HORN, FOG LAMP Fuses
Figure 4:

AIR SOLEOID, A/C CLUTCH, HORN, FOG LAMP Relays, AIR SOLENOID, A/C, HORN, FOG LAMP Fuses


Object Number: 1582411  Size: FS
Master Electrical Component List
Control Module References
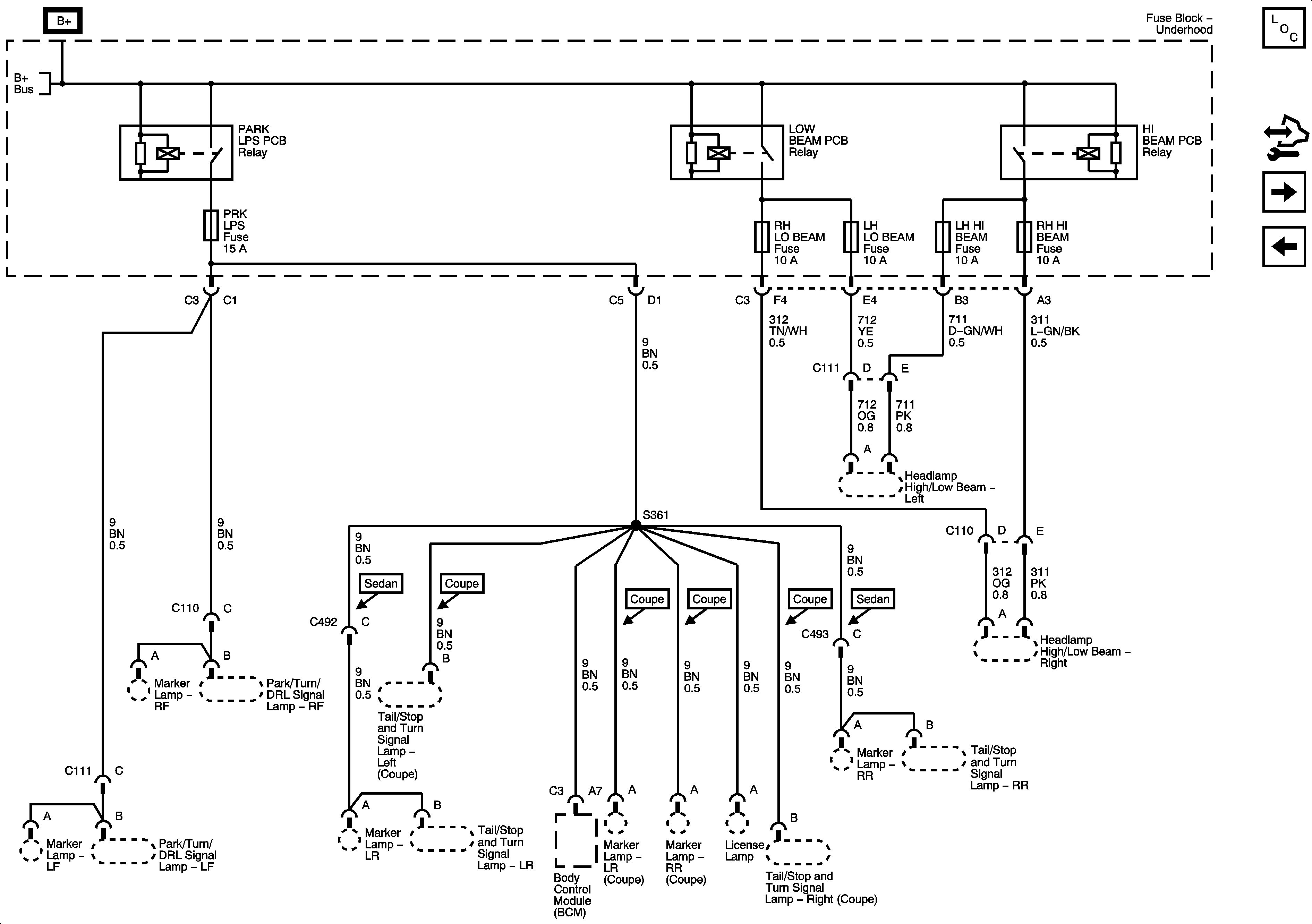
PARK LPS, LOW BEAM, HIGH BEAM Relays, PARK LPS, RF LOW BEAM, LF LOW BEAM, RF HIGH BEAM, LF HIGH BEAM Fuses
FUEL PUMP, POWERTRAIN Relay, FUEL PUMP, EMISSION, INJECTOR Fuses
FUEL PUMP, POWERTRAIN Relay, FUEL PUMP, EMISSION, INJECTOR Fuses
Figure 5:

PARK LPS, LOW BEAM, HIGH BEAM Relays, PARK LPS, RF LOW BEAM, LF LOW BEAM, RF HIGH BEAM, LF HIGH BEAM Fuses


Object Number: 1582413  Size: FS
Master Electrical Component List
Control Module References
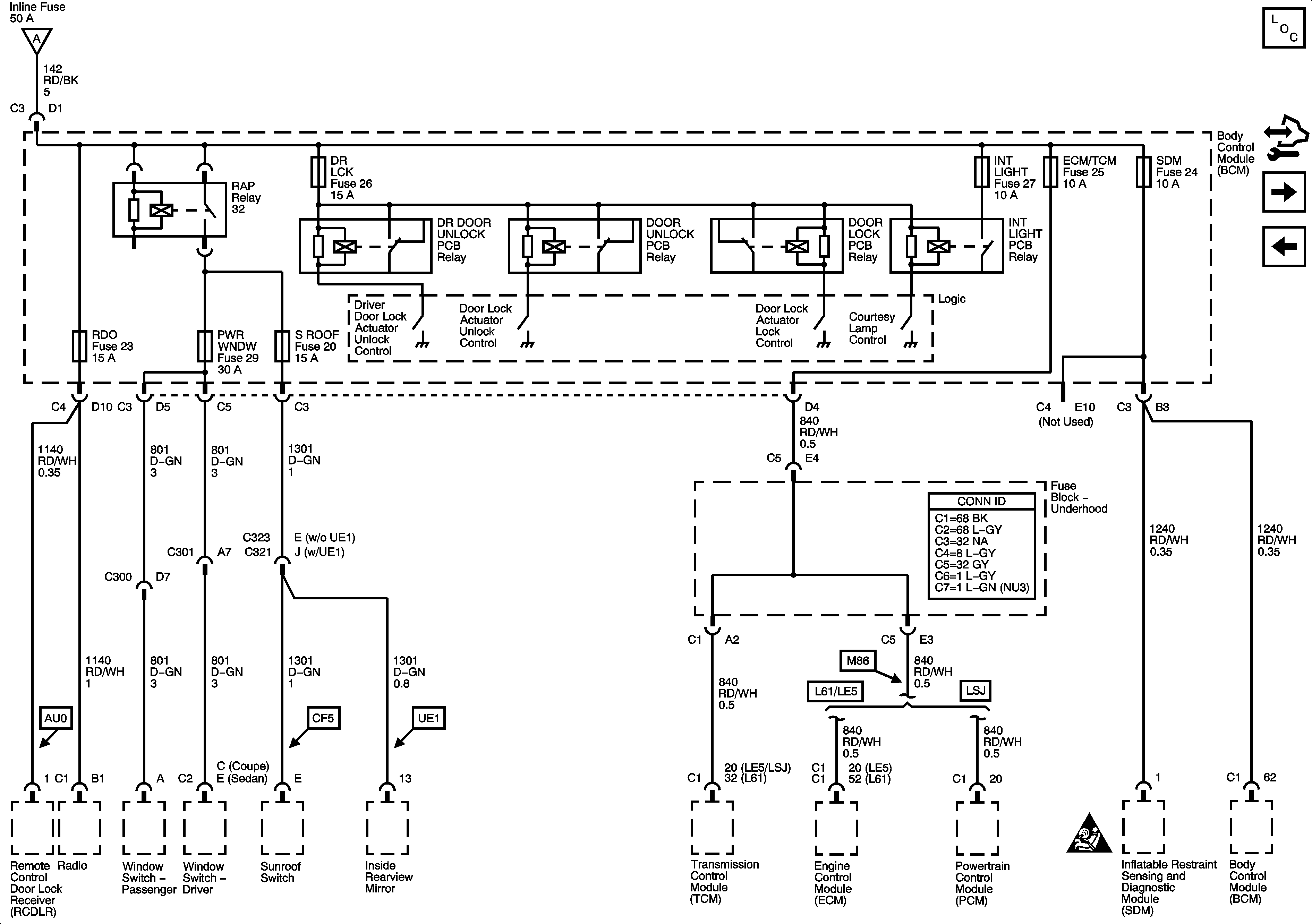
RAP, DOOR LOCK, DOOR UNLOCK, INTERIOR LAMPS Relays, DOOR LOCK RADIO, PWR WINDOW, SUNROOF, INT LPS, ECM/TCM, SDM, CURRENT SENSOR Fuses
AIR SOLENOID, A/C CLUTCH, HORN, FOG LAMP Relays, AIR SOLENOID, A/C, HORN, FOG LAMP Fuses
Figure 6:

RAP, DOOR LOCK, DOOR UNLOCK, INTERIOR LAMPS Relays, DOOR LOCK, RADIO, PWR WINDOW, SUNROOF INT LPS, ECM/TCM, SDM, CURRENT SENSOR Fuses


Object Number: 1582415  Size: FS
Master Electrical Component List
Control Module References
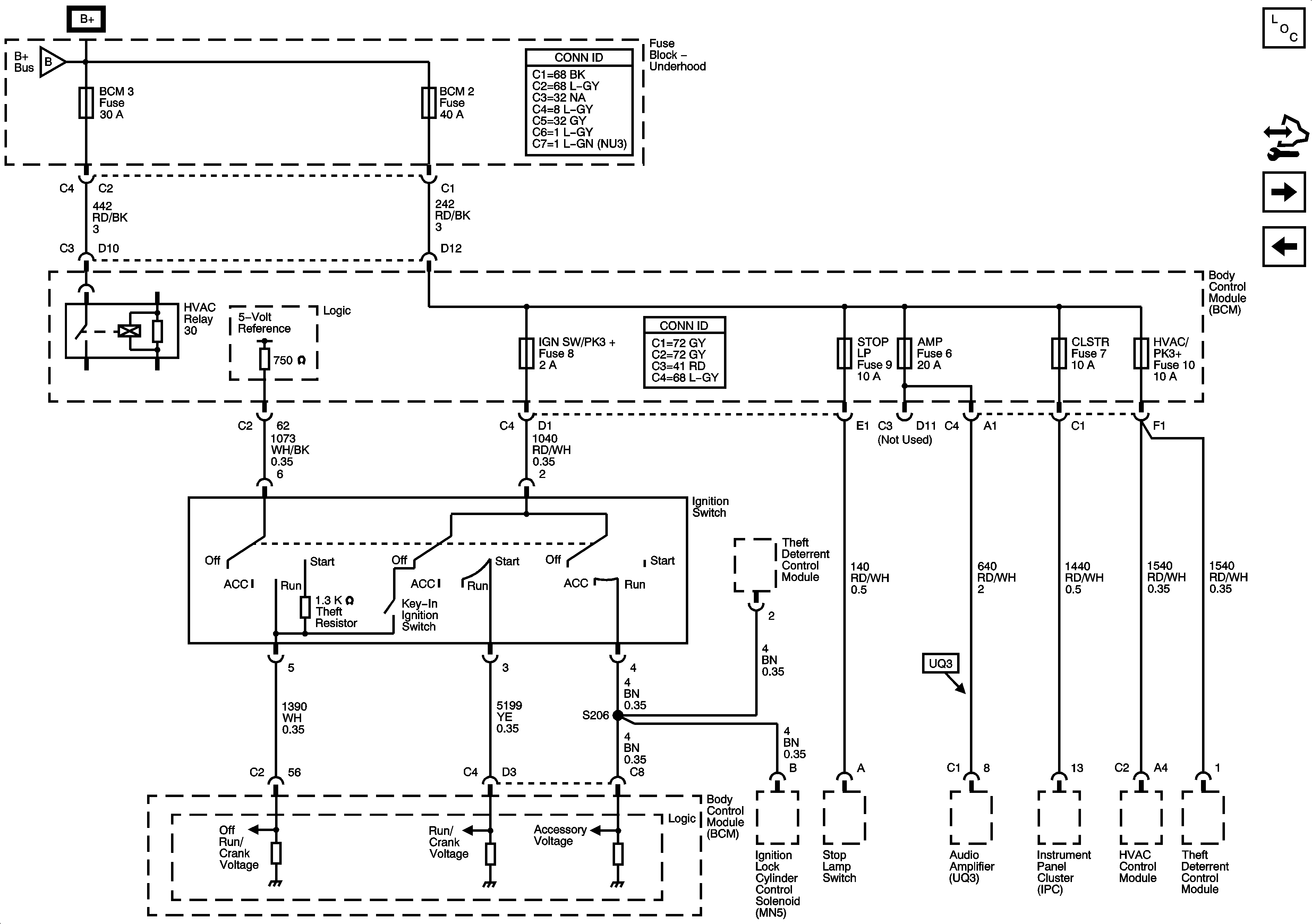
BCM2, CLUSTER, IGN SW, STOP LPS, AUDIO AMPLIFIER Fuses
PARK LPS, LOW BEAM, HIGH BEAM Relays, PARK LPS, RF LOW BEAM, LF LOW BEAM, RF HIGH BEAM, LF HIGH BEAM Fuses
Power and Grounding Schematic Icons
Figure 7:

BCM2, CLUSTER, IGN SW, STOP LPS, AUDIO AMPLIFIER Fuses


Object Number: 1582416  Size: FS
Master Electrical Component List
Control Module References
RUN/CRANK, HVAC Relays, I/P, IGN, BCM3, WIPER, I/P IGN Fuses
RAP, DOOR LOCK, DOOR UNLOCK, INTERIOR LAMPS Relays, DOOR LOCK RADIO, PWR WINDOW, SUNROOF, INT LPS, ECM/TCM, SDM, CURRENT SENSOR Fuses
Underhood Fuse Block, B+ Bus
Figure 8:

RUN/CRANK, HVAC Relays, I/P, IGN, BCM3, WIPER, I/P IGN Fuses


Object Number: 1582417  Size: FS
Master Electrical Component List
Control Module References
BCM2, CLUSTER, IGN SW, STOP LPS, AUDIO AMPLIFIER Fuses