GM Service Manual Online
For 1990-2009 cars only
Makes
🢒
Pontiac
🢒
2006
🢒
Pursuit
🢒
Body
🢒
Lighting Systems
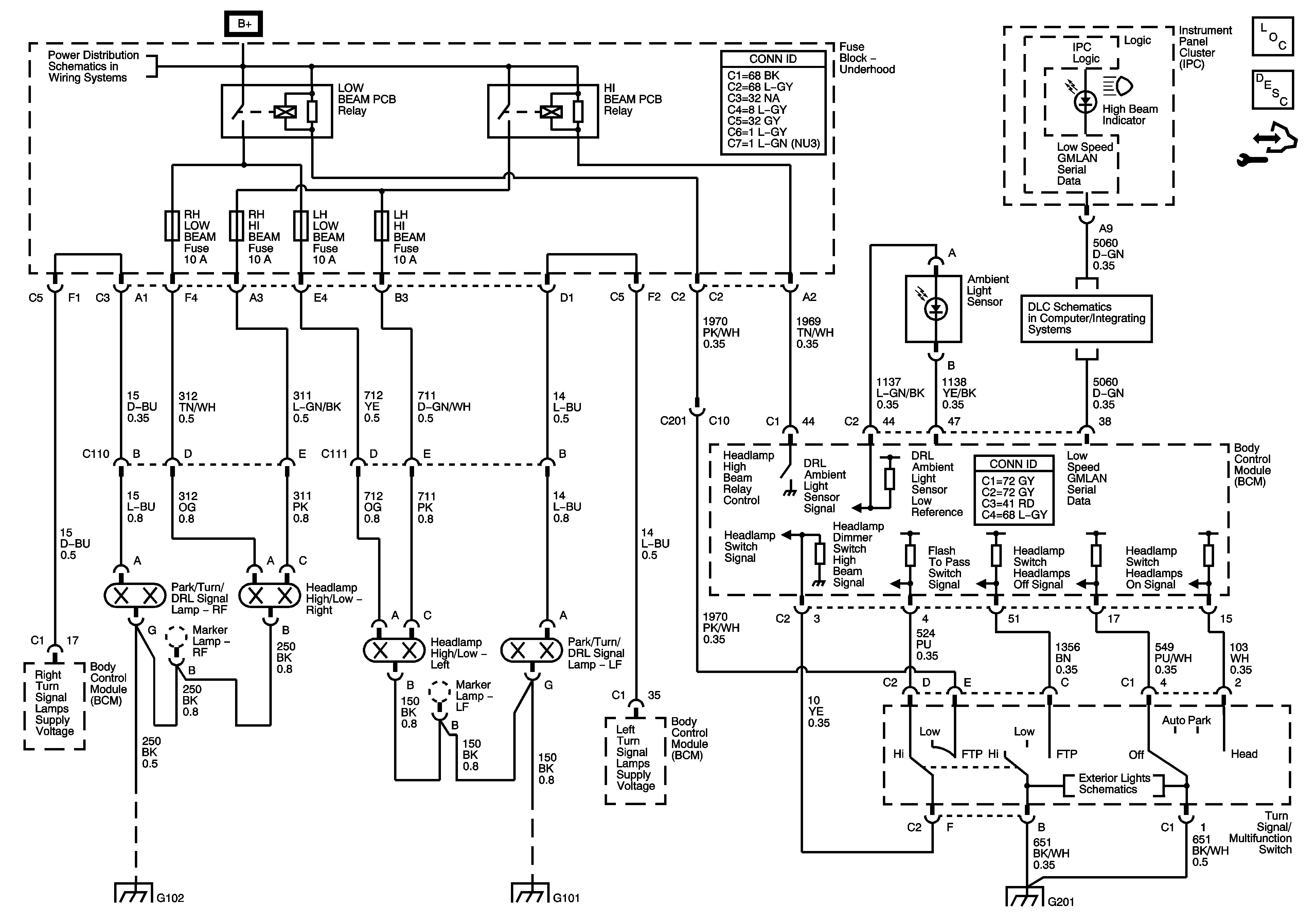
🢒 Headlights/Daytime Running Lights (DRL) Schematics
Master Electrical Component List
Exterior Lighting Systems Description and Operation
Control Module References
PARK LPS, LOW BEAM, HIGH BEAM Relays, PARK LPS, RF LOW BEAM, LF LOW BEAM, RF HIGH BEAM, LF HIGH BEAM Fuses
DLC Power, Ground, and Low Speed GMLAN
G101, G102
G101, G102
G201