GM Service Manual Online
For 1990-2009 cars only
Figure 1:

Inputs


Object Number: 1528128  Size: FS
Master Electrical Component List
Exterior Lighting Systems Description and Operation
Control Module References
Park Lamps
DLC Power, Ground, and Low Speed GMLAN
Headlights/DRL Schematics
Dimmer Switch Inputs
G201
G109, G203, G306
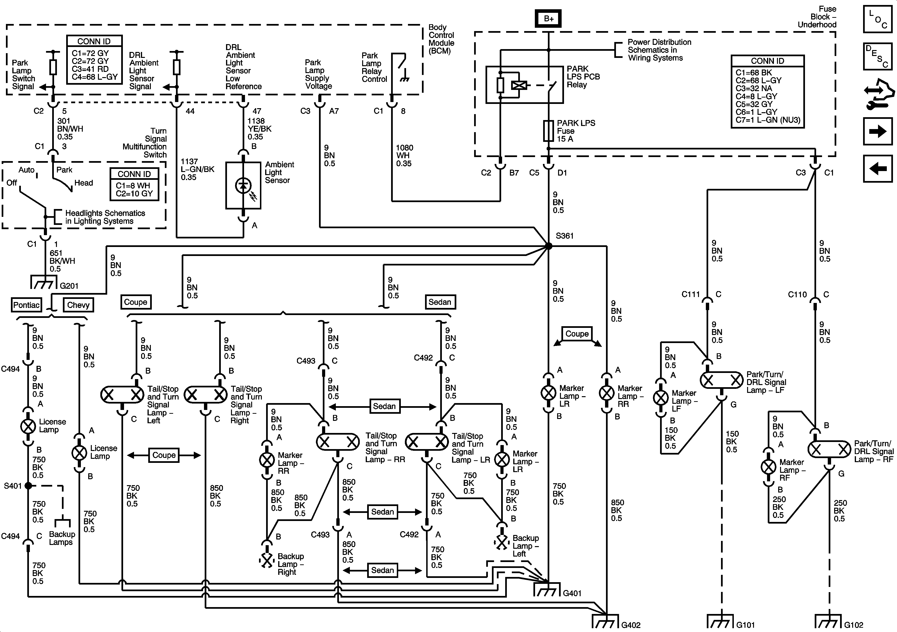
Figure 2:

Park Lamps


Object Number: 1582733  Size: FS
Master Electrical Component List
Exterior Lighting Systems Description and Operation
Control Module References
PARK LPS, LOW BEAM, HIGH BEAM Relays, PARK LPS, RF LOW BEAM, LF LOW BEAM, RF HIGH BEAM, LF HIGH BEAM Fuses
Hazards, Turn Signals
Inputs
Headlights/DRL Schematics
G201
Backup Lamps
G401 (2 of 2)
G402, G403
G101, G102
G101, G102
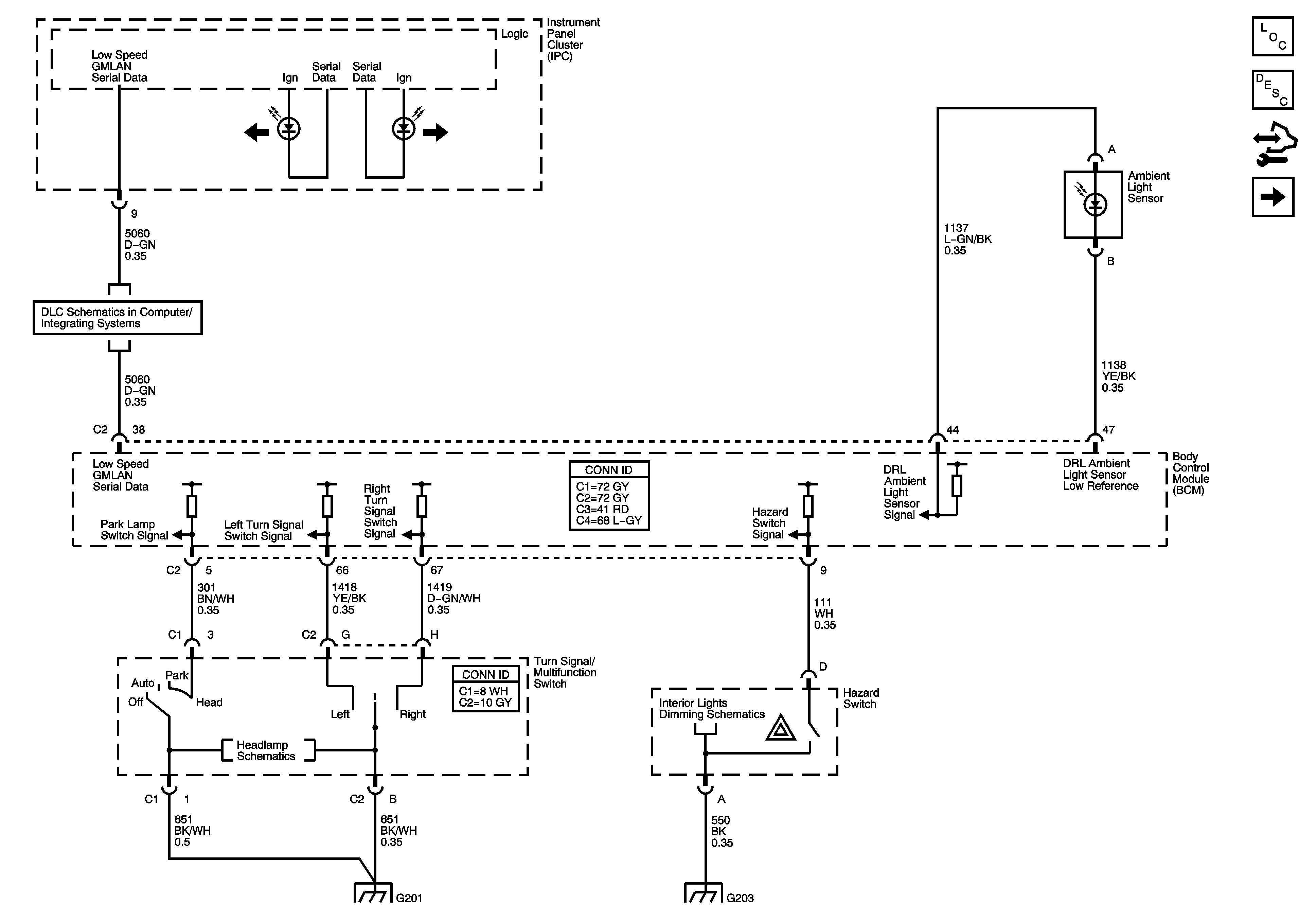
Figure 3:

Hazards, Turn Signals


Object Number: 1582734  Size: FS
Master Electrical Component List
Exterior Lighting Systems Description and Operation
Control Module References
Stop Lamps
Park Lamps
DLC Power, Ground, and Low Speed GMLAN
Dimmer Switch Inputs
G101, G102
G101, G102
G401 (2 of 2)
G402, G403
Headlights/DRL Schematics
G101, G102
G101, G102
G401 (2 of 2)
G402, G403
G201
G109, G203, G306
Figure 4:

Stop Lamps


Object Number: 1582924  Size: FS
Master Electrical Component List
Exterior Lighting Systems Description and Operation
Control Module References
Backup Lamps
Hazards, Turn Signals
BCM2, CLUSTER, IGN SW, STOP LPS, AUDIO AMPLIFIER Fuses
G402, G403
G401 (2 of 2)
G402, G403
G401 (2 of 2)
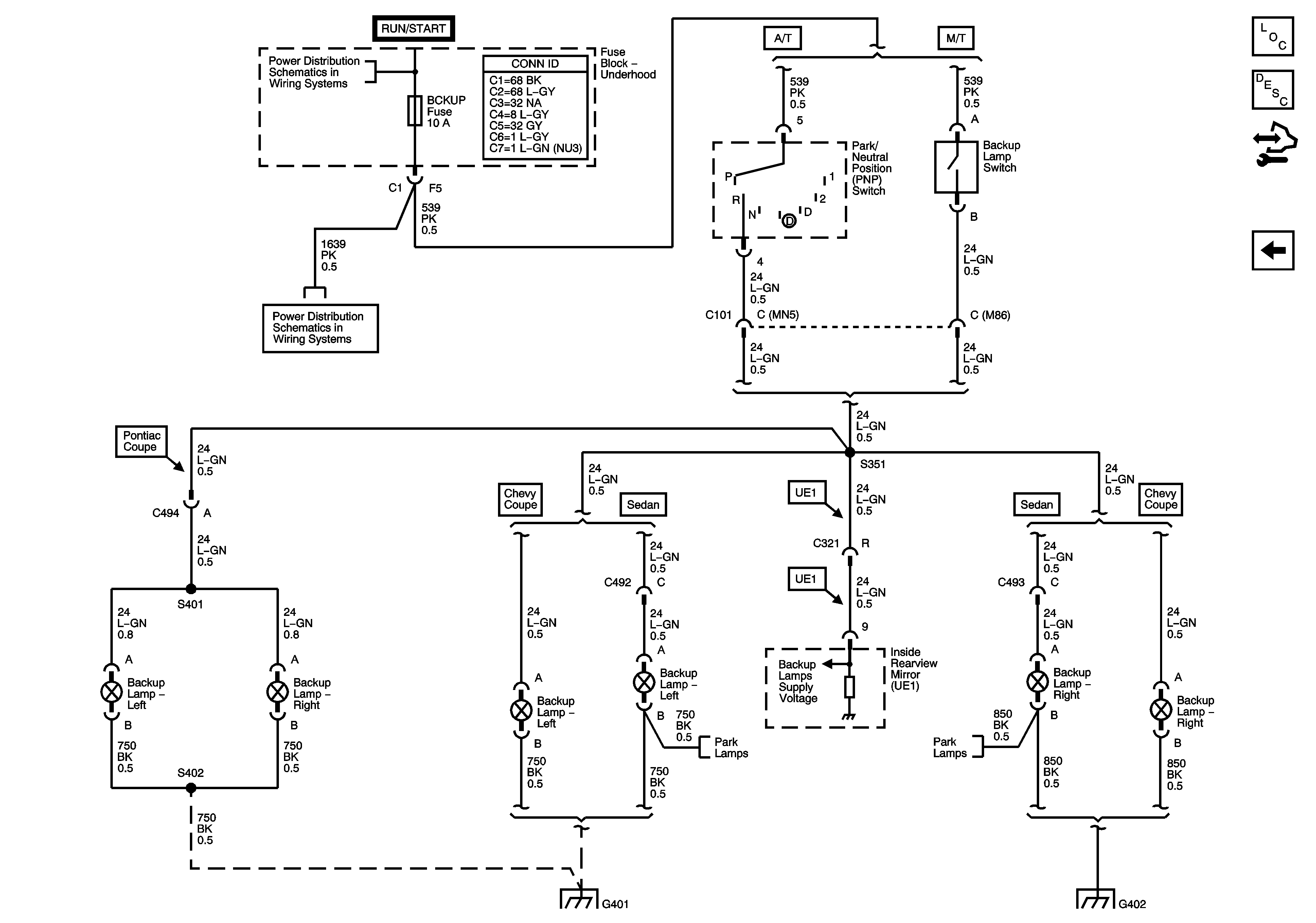
Figure 5:

Backup Lamps


Object Number: 1582735  Size: FS
Master Electrical Component List
Exterior Lighting Systems Description and Operation
Control Module References
Stop Lamps
RUN/CRANK Relay, I/P IGN, BACKUP, ABS, ECM, TRANS, LIGHTING, S-BAND, MIRROR, ABS, EPS, BCM2, BCM3, HEATED SEATS Fuses
RUN/CRANK Relay, I/P IGN, BACKUP, ABS, ECM, TRANS, LIGHTING, S-BAND, MIRROR, ABS, EPS, BCM2, BCM3, HEATED SEATS Fuses
G401 (2 of 2)
Park Lamps
Park Lamps
G402, G403