GM Service Manual Online
For 1990-2009 cars only
Makes
🢒
Pontiac
🢒
2006
🢒
Pursuit
🢒
Body
🢒
Lighting Systems
🢒 Interior Lights Schematics
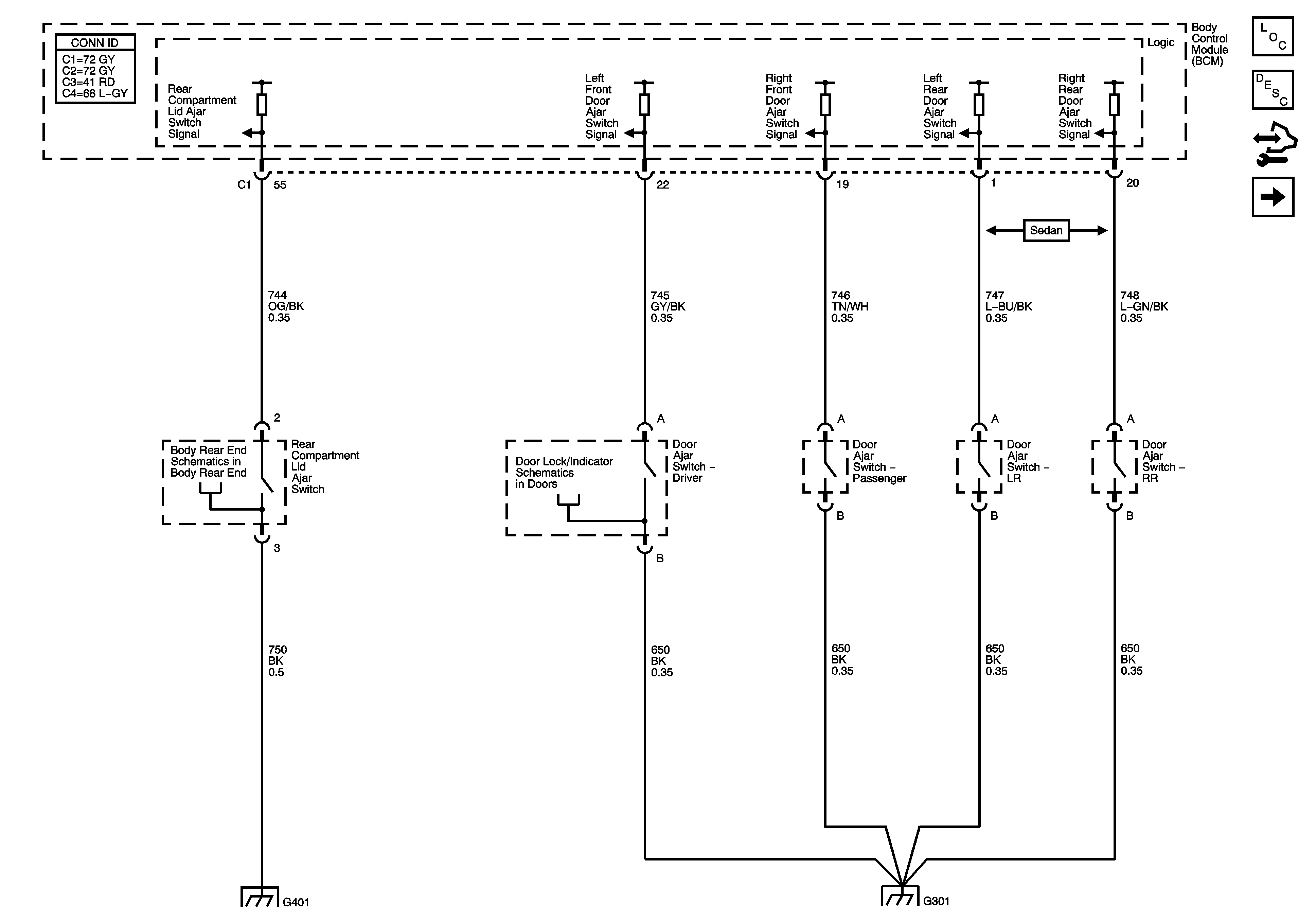
Figure
1:
Inputs
Master Electrical Component List
Interior Lighting Systems Description and Operation
Control Module References
Outputs
Trunk Release Schematics
Door Lock and Indicators 2 of 2
G401 (2 of 2)
G301 (2 of 2)
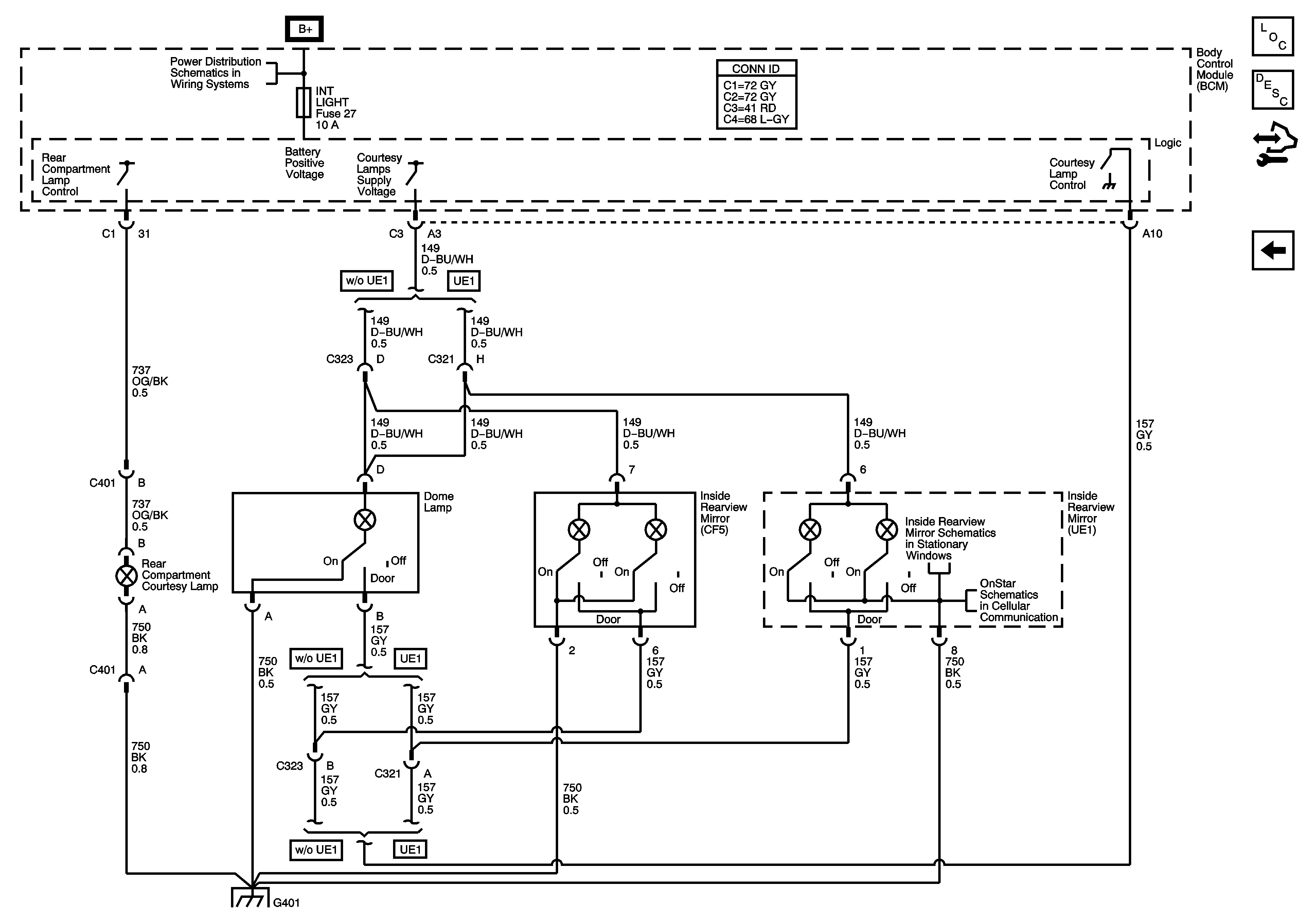
Figure
2:
Outputs
Master Electrical Component List
Interior Lighting Systems Description and Operation
Control Module References
Inputs
RAP, DOOR LOCK, DOOR UNLOCK, INTERIOR LAMPS Relays, DOOR LOCK RADIO, PWR WINDOW, SUNROOF, INT LPS, ECM/TCM, SDM, CURRENT SENSOR Fuses
G401 (2 of 2)