GM Service Manual Online
For 1990-2009 cars only
Figure 1:

Dimmer Switch Inputs


Object Number: 1582740  Size: FS
Master Electrical Component List
Interior Lighting Systems Description and Operation
Control Module References
IPC, HVAC Control Module, Heated Seats
Lighting Systems Schematic Icons
IPC, HVAC Control Module, Heated Seats
Park Lamps
Lighting Systems Schematic Icons
Ambient Air Temperature Sensor, EOP Sensor, Fuel Level Sensor and Indicator
G109, G203, G306
G109, G203, G306
G201 2 of 2
G201 2 of 2
G201
G201
Figure 2:

IPC, HVAC Control Module, Heated Seats


Object Number: 1582741  Size: FS
Master Electrical Component List
Interior Lighting Systems Description and Operation
Control Module References
A/T Shift Lock Control Assembly Mirror and Doors
Dimmer Switch Inputs
Dimmer Switch Inputs
A/T Shift Lock Control Assembly Mirror and Doors
G109, G203, G306
G201
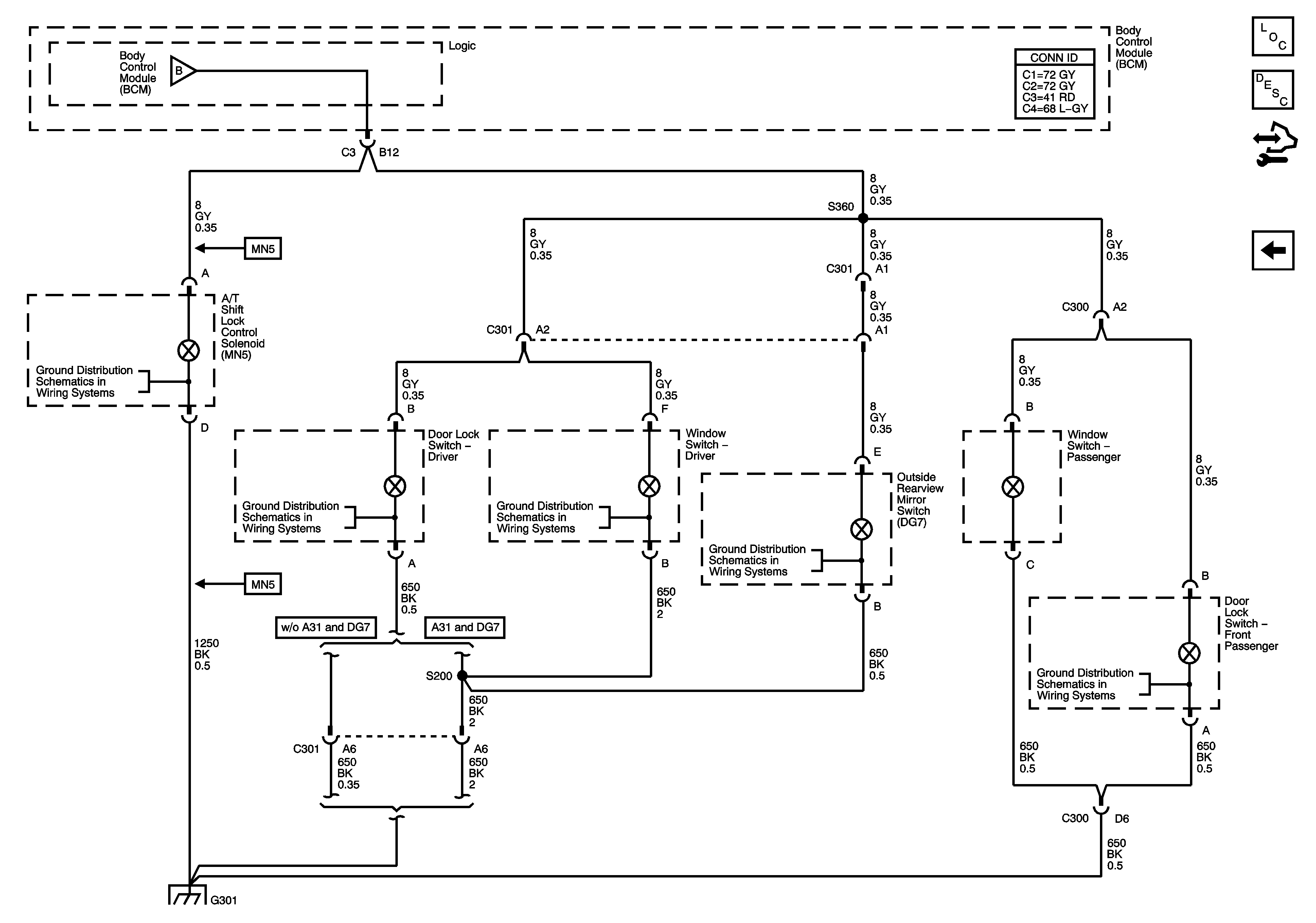
Figure 3:

A/T Shift Lock Control Assembly, Mirror and Doors


Object Number: 1582742  Size: FS
Master Electrical Component List
Interior Lighting Systems Description and Operation
Control Module References
IPC, HVAC Control Module, Heated Seats
IPC, HVAC Control Module, Heated Seats
G301 (2 of 2)
G301 (2 of 2)
G301 (2 of 2)
G301 (2 of 2)
G301 (2 of 2)