GM Service Manual Online
For 1990-2009 cars only

Removal Procedure

  1. Disconnect the negative battery cable. Refer to Battery Negative Cable Disconnection and Connection.
  2. Remove the cover from the underhood electrical center.

  3. Object Number: 891899  Size: SH
  4. Remove the underhood electrical center bracket from the vehicle and reposition the electrical center (1) to access the bracket. Refer to Underhood Electrical Center or Junction Block Bracket Replacement.

  5. Object Number: 1381686  Size: SH
  6. Disconnect the hydraulic clutch hose (3) from the clutch actuator cylinder (2) and the clutch master cylinder (1).
  7. Cap the lines to prevent contamination or fluid loss.
  8. Install the engine support fixture. Refer to Engine Support Fixture.

  9. Object Number: 857193  Size: SH
  10. Secure the cooling module to the upper body structure.

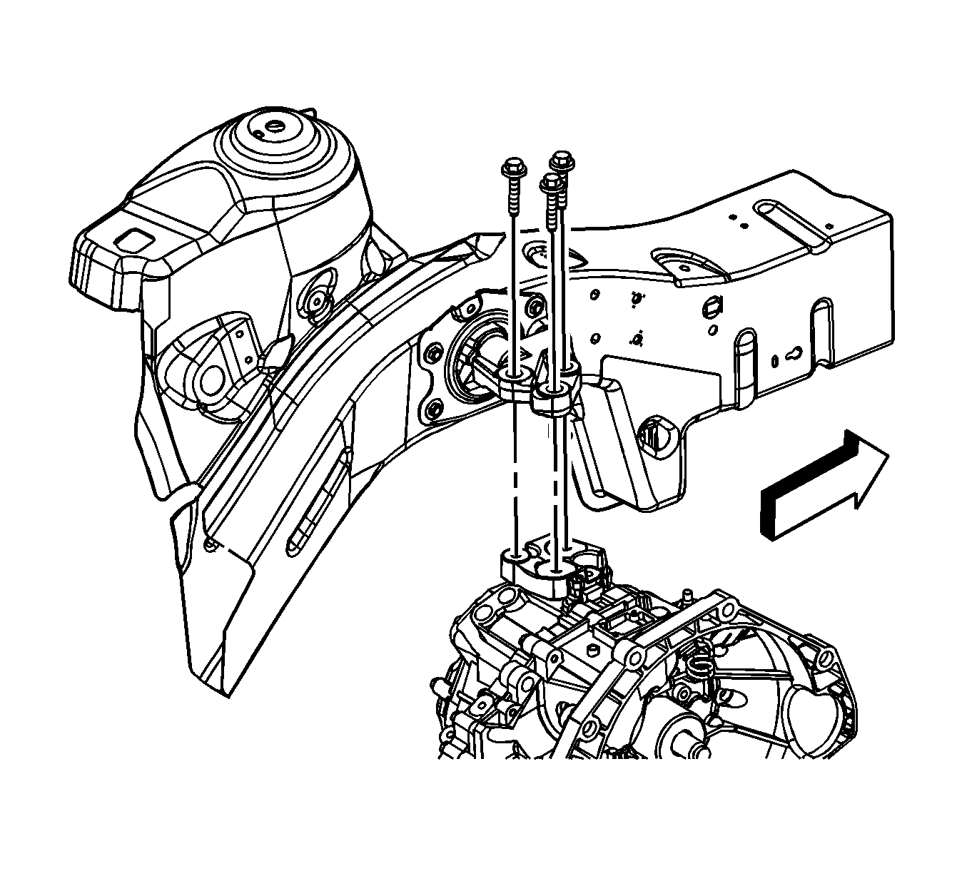
  11. Object Number: 1376169  Size: SH
  12. Remove the upper transmission to mount bolts.
  13. Disconnect the wiring harness retainer from the transmission stud.
  14. Remove the upper transmission to engine stud and bolt.
  15. Remove the frame. Refer to Frame Replacement.
  16. Drain the transaxle. Refer to Transmission Fluid Replacement.
  17. Disconnect the drive axle and intermediate shaft from the transmission and secure out of the way. Refer to Wheel Drive Shaft Replacement and Intermediate Drive Shaft Replacement.
  18. Remove the starter. Refer to Starter Motor Replacement.

  19. Object Number: 1381690  Size: SH
  20. Disconnect the shift cables (2) from the transmission. Refer to Shift Control Cable Replacement.

  21. Object Number: 895439  Size: SH
  22. Disconnect the backup lamp switch harness connector and the vehicle speed sensor connector.
  23. Use the engine support fixture rear hook to lower the powertrain enough to allow clearance between the side rail and powertrain.
  24. Raise the vehicle. Refer to Lifting and Jacking the Vehicle.
  25. Use a transmission jack to secure the transmission, and remove the transmission to engine bolts.
  26. Remove the transmission from the vehicle.
  27. Remove the front transmission mount from the transmission. Refer to Transmission Front Mount Replacement.
  28. Remove the rear transmission mount and bracket from the transmission. Refer to Transmission Rear Mount Replacement.

Installation Procedure

  1. Install the rear transmission mount to the transmission. Refer to Transmission Rear Mount Replacement.
  2. Install the front transmission mount to the transmission. Refer to Transmission Front Mount Replacement.
  3. Use a transmission jack to position the transmission to the vehicle.
  4. Ensure the input shaft is engaged to the clutch disc.

    Notice: Refer to Fastener Notice in the Preface section.

  5. Secure the transmission to the engine.
  6. Tighten
    Tighten the bolts to 75 N·m (55 lb ft).


    Object Number: 895439  Size: SH
  7. Connect the backup lamp switch harness connector.
  8. Connect the shift cable to the transmission. Refer to Shift Control Cable Replacement.
  9. Install the starter. Refer to Starter Motor Replacement.
  10. Connect the drive axle and intermediate shaft to the transmission. Refer to Wheel Drive Shaft Replacement and Intermediate Drive Shaft Replacement.
  11. Lower the vehicle.
  12. Use the engine support fixture in order to raise the powertrain assembly.
  13. Install the left transmission mount. Refer to Transmission Mount Replacement - Left Side.
  14. Install the frame. Refer to Frame Replacement.
  15. Remove the engine support fixture.
  16. Install the top engine to transmission bolt.
  17. Tighten
    Tighten the bolt to 75 N·m (55 lb ft).

  18. Install the top engine to transmission stud.
  19. Tighten
    Tighten the stud to 75 N·m (55 lb ft).

  20. Connect the wiring harness retainer to the transmission stud (1).

  21. Object Number: 1381686  Size: SH
  22. Connect the hydraulic clutch hose (3) to the clutch actuator cylinder (2).
  23. Bleed the clutch hydraulic system. Refer to Hydraulic Clutch Bleeding.

  24. Object Number: 891899  Size: SH
  25. Install the underhood electrical center bracket to the vehicle and install the electrical center (1) into position on the bracket. Refer to Underhood Electrical Center or Junction Block Bracket Replacement.

  26. Object Number: 890955  Size: SH
  27. Connect the electrical connector to the brake fluid level sensor, then press forward on the connector position assurance (CPA) tab of the connector to secure.
  28. Install the cover to the underhood electrical center.

  29. Object Number: 857193  Size: SH
  30. Release the cooling module from the upper body structure.
  31. Connect the negative battery cable. Refer to Battery Negative Cable Disconnection and Connection.
  32. Fill the transmission to the proper level. Refer to Transmission Fluid Replacement.