GM Service Manual Online
For 1990-2009 cars only
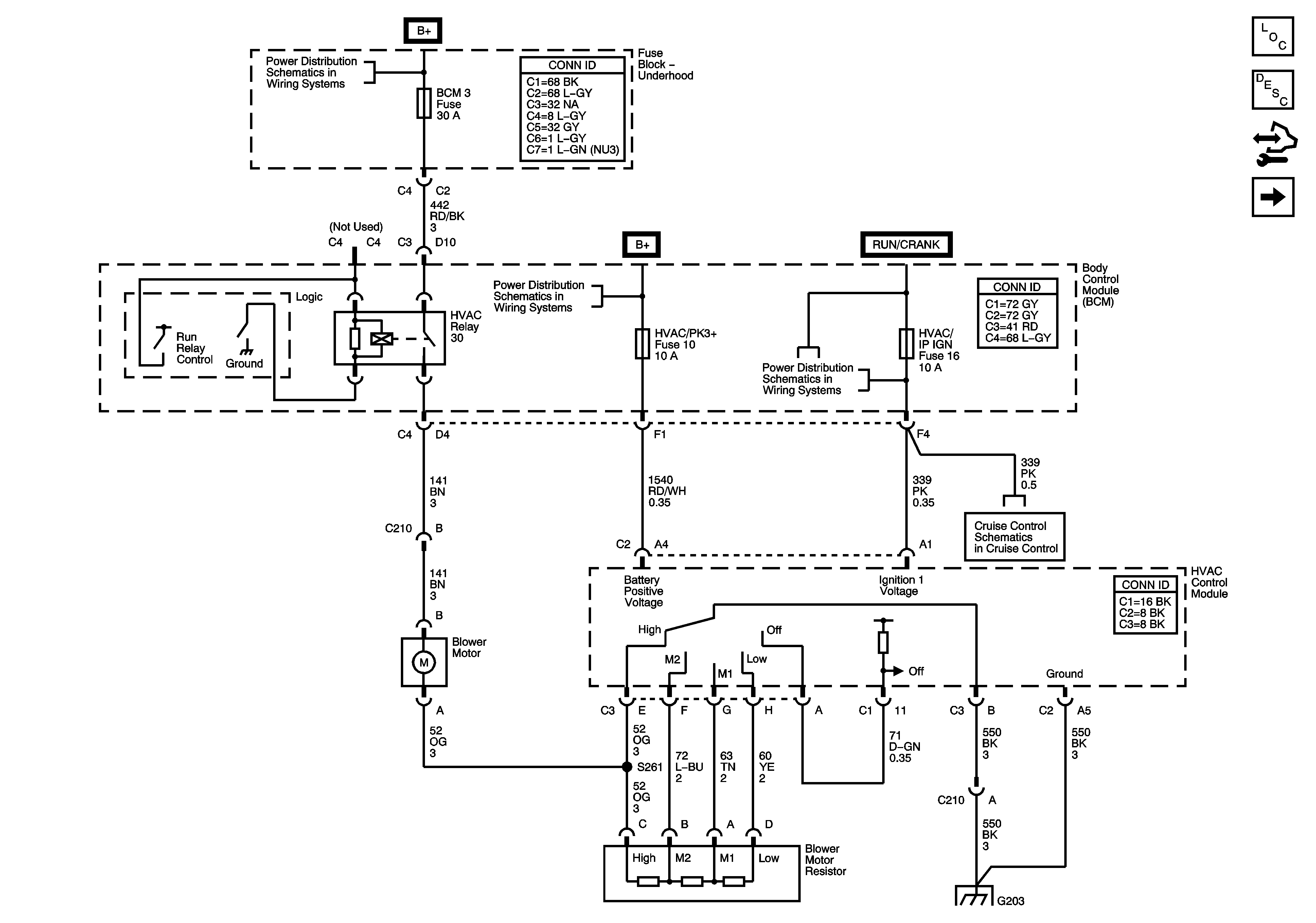
Figure 1:

Power, Ground, and Blower Motor


Object Number: 1582703  Size: FS
Master Electrical Component List
Air Delivery Description and Operation
Control Module References
Compressor Controls
RUN/CRANK Relay, I/P IGN, BACKUP, ABS, ECM, TRANS, LIGHTING, S-BAND, MIRROR, ABS, EPS, BCM2, BCM3, HEATED SEATS Fuses
BCM2, CLUSTER, IGN SW, STOP LPS, AUDIO AMPLIFIER Fuses
Clutch Pedal Position Switch, Stop Lamp Switch
G109, G203, G306
RUN/CRANK, HVAC Relays, I/P, IGN, BCM3, WIPER, I/P IGN Fuses
Figure 2:

Compressor Controls


Object Number: 1582705  Size: FS
Master Electrical Component List
Air Temperature Description and Operation
Control Module References
Mode and Air Temperature Controls
Power, Ground, and Blower Motor
High Speed GMLAN
AIR SOLENOID, A/C CLUTCH, HORN, FOG LAMP Relays, AIR SOLENOID, A/C, HORN, FOG LAMP Fuses
G101, G102
Figure 3:

Mode and Air Temperature Controls


Object Number: 1582707  Size: FS
Master Electrical Component List
Air Temperature Description and Operation
Control Module References
Compressor Controls