GM Service Manual Online
For 1990-2009 cars only
Makes
🢒
Pontiac
🢒
2006
🢒
Pursuit
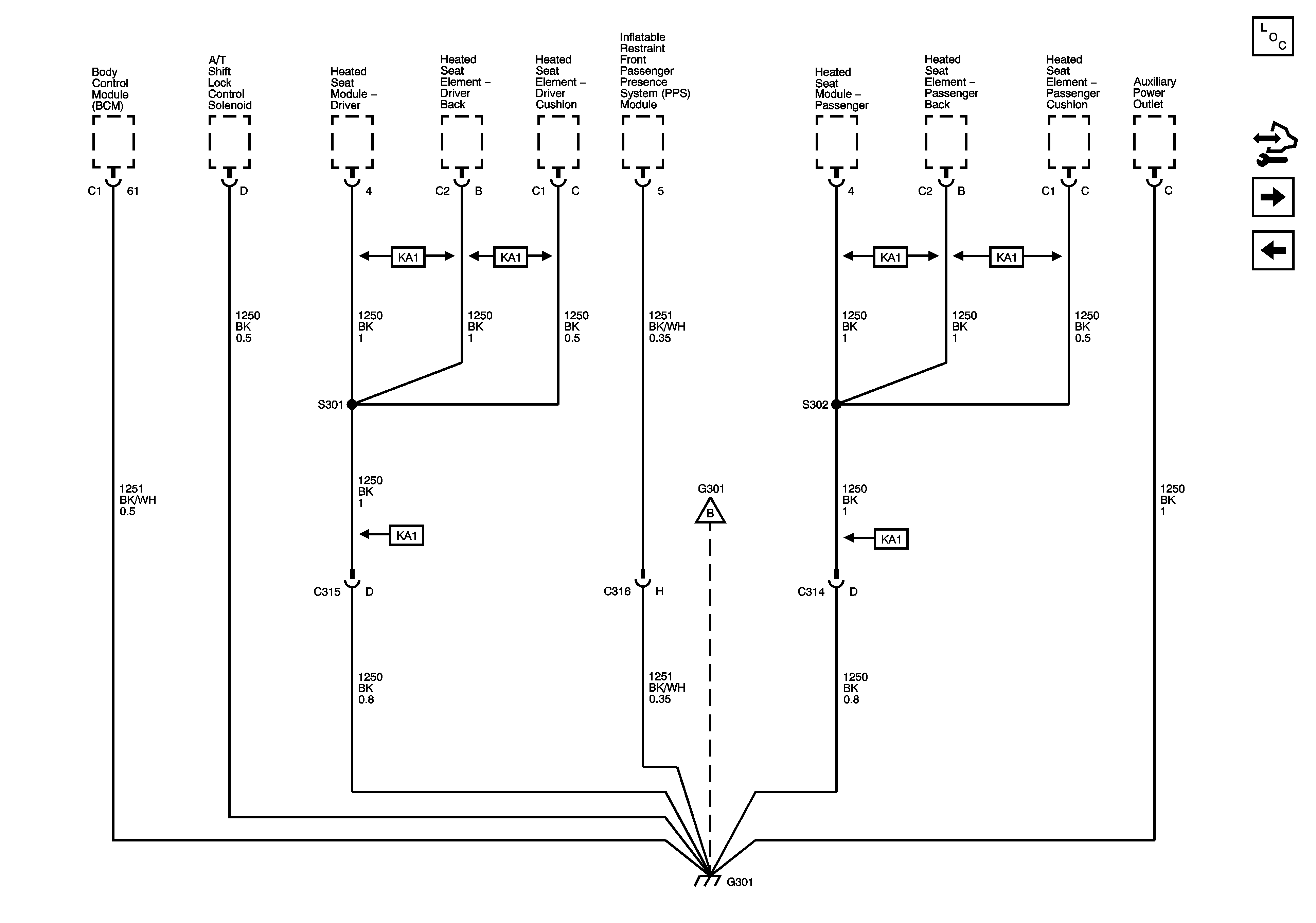
🢒 G301 (1 of 2)
G301 (1 of 2)
G301 (1 of 2)
Master Electrical Component List
Control Module References
G301 (2 of 2)
G109, G203, G306
G301 (2 of 2)