GM Service Manual Online
For 1990-2009 cars only
Makes
🢒
Pontiac
🢒
2006
🢒
Pursuit
🢒 Fuel Controls and Injectors
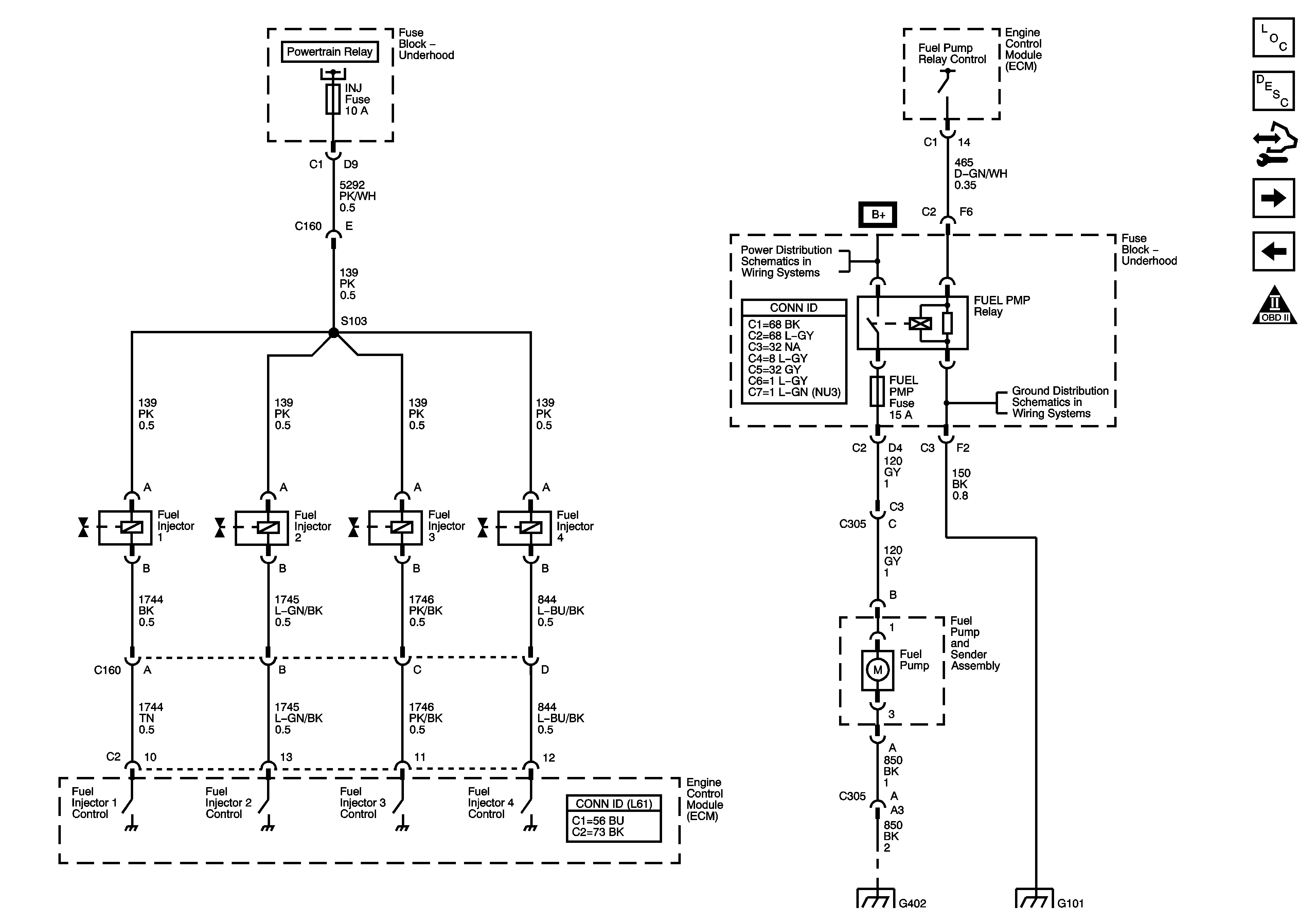
Fuel Controls and Injectors
Fuel Controls and Injectors
Master Electrical Component List
Fuel System Description
Control Module References
EVAP Controls
Ignition Controls - Ignition System and Sensors
Engine Controls Schematic Icons
G101, G102
G402, G403
G101, G102