GM Service Manual Online
For 1990-2009 cars only
Makes
🢒
Pontiac
🢒
2006
🢒
Pursuit
🢒 Seat Belt Schematics
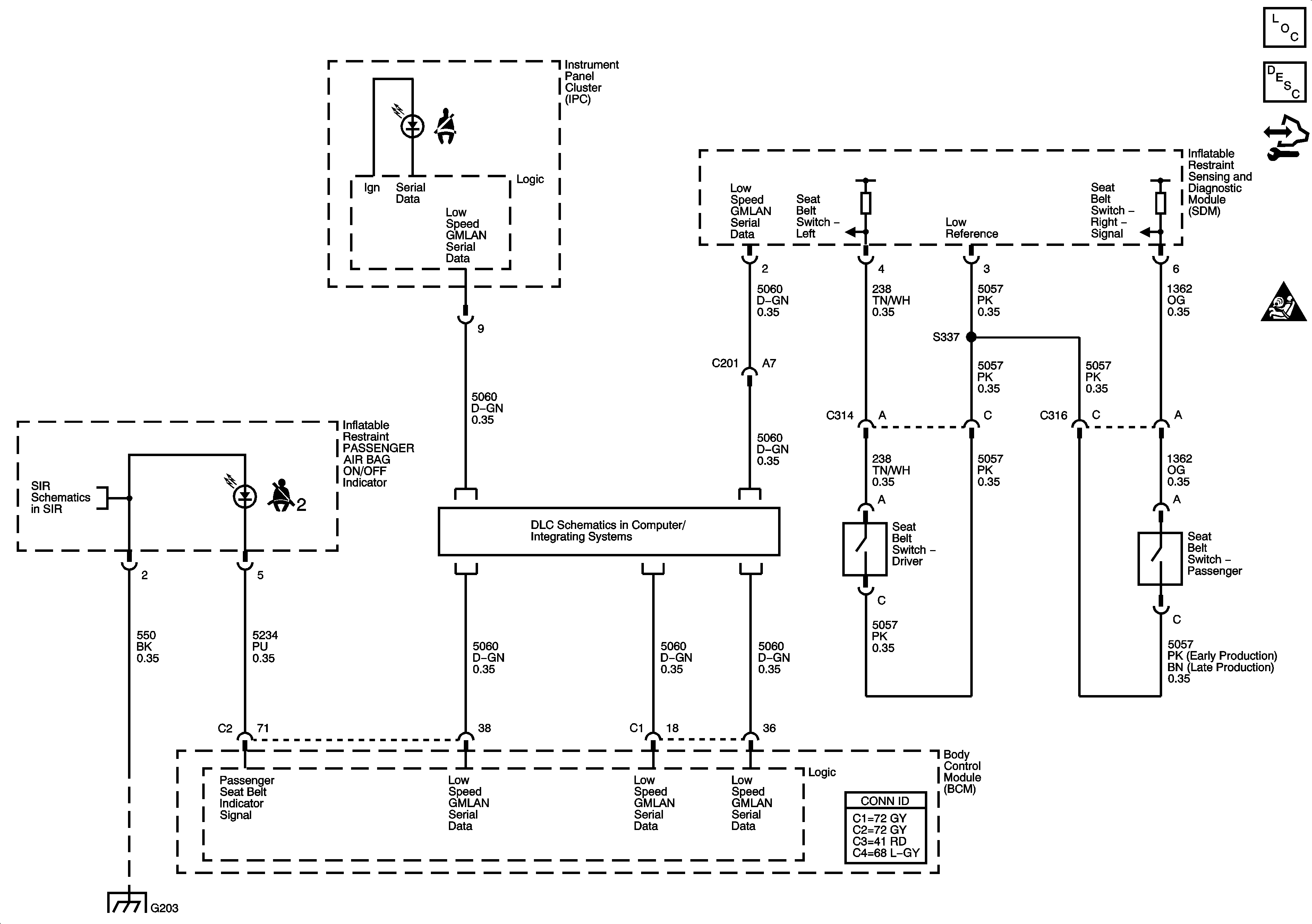
Seat Belt Schematics
Master Electrical Component List
Seat Belt System Description and Operation
Control Module References
Seat Belt Schematic Icons
Indicators, Power, Ground, Pretensioners, and Front Air Bag Modules
DLC Power, Ground, and Low Speed GMLAN