GM Service Manual Online
For 1990-2009 cars only
Makes
🢒
Pontiac
🢒
2006
🢒
Pursuit
🢒 Power Window - Coupe
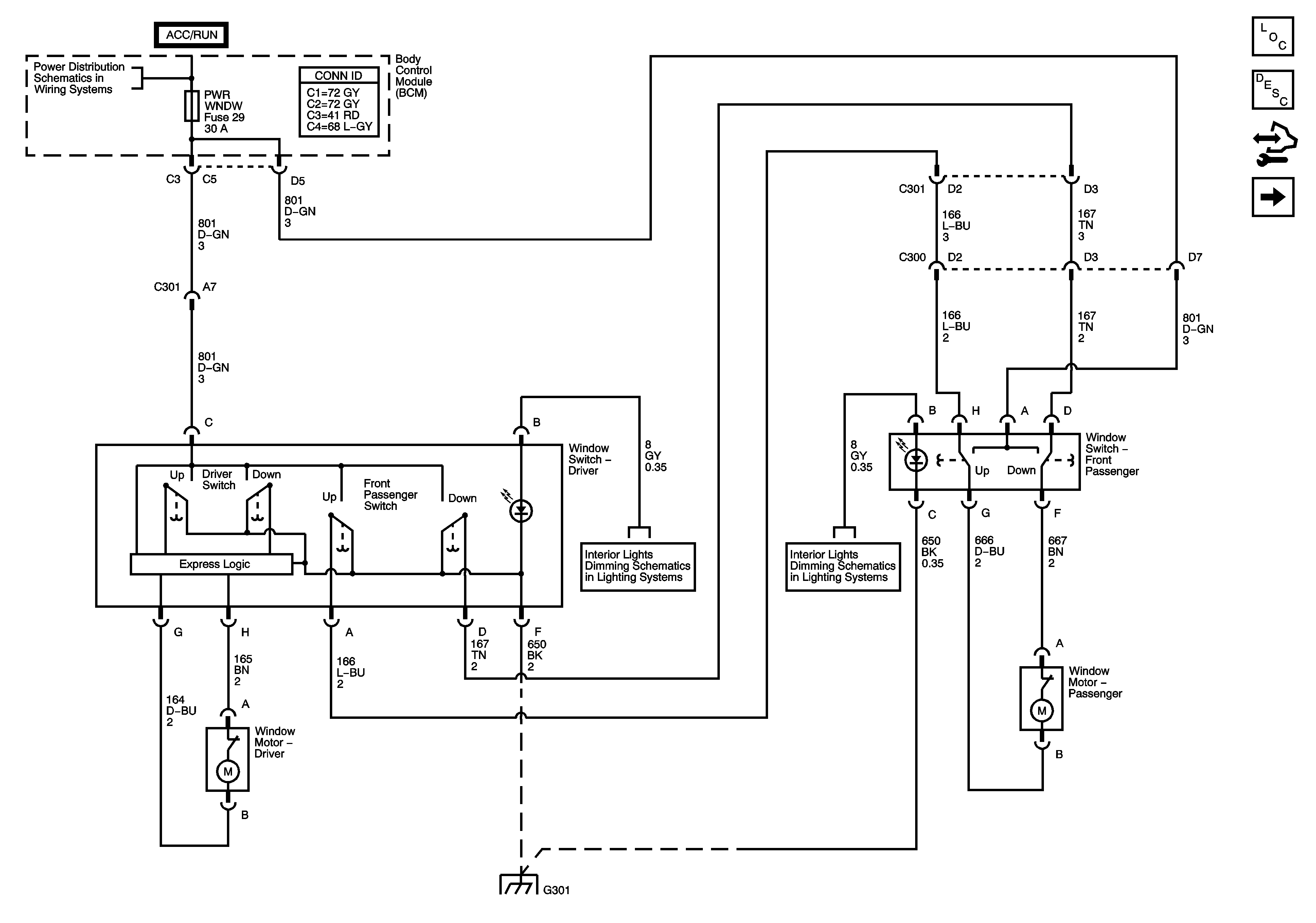
Power Window - Coupe
Power Window - Coupe
Master Electrical Component List
Power Windows Description and Operation
Control Module References
Power Window - Sedan
RAP, DOOR LOCK, DOOR UNLOCK, INTERIOR LAMPS Relays, DOOR LOCK RADIO, PWR WINDOW, SUNROOF, INT LPS, ECM/TCM, SDM, CURRENT SENSOR Fuses
A/T Shift Lock Control Assembly Mirror and Doors
A/T Shift Lock Control Assembly Mirror and Doors
G301 (2 of 2)