GM Service Manual Online
For 1990-2009 cars only
Makes
🢒
Pontiac
🢒
2006
🢒
Pursuit
🢒 Door Lock/Indicator
Door Lock/Indicator
Door Lock Indicator
Master Electrical Component List
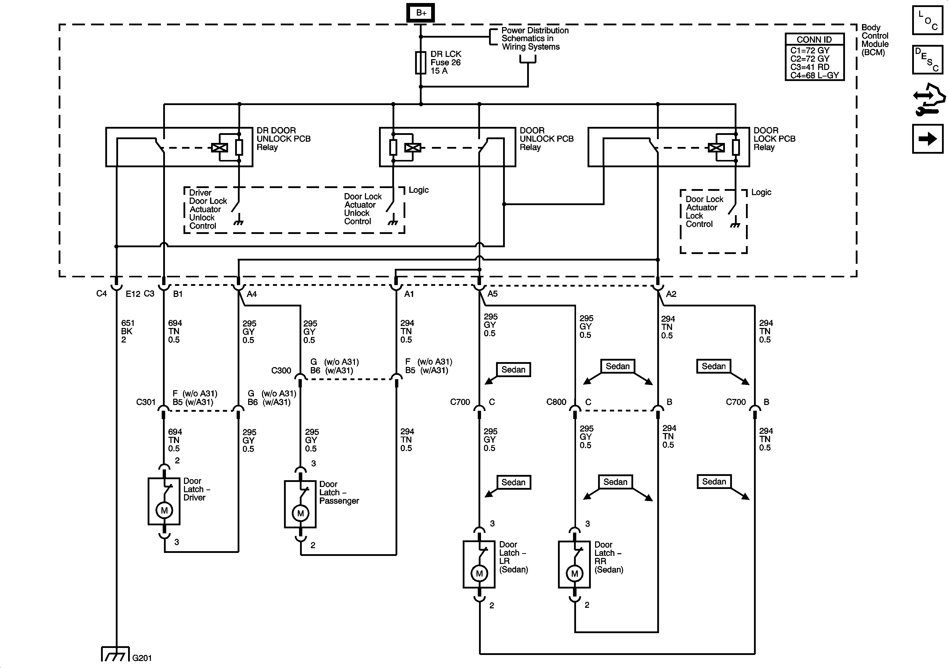
Power Door Locks Description and Operation
Control Module References
Door Lock and Indicators 2 of 2
RAP, DOOR LOCK, DOOR UNLOCK, INTERIOR LAMPS Relays, DOOR LOCK RADIO, PWR WINDOW, SUNROOF, INT LPS, ECM/TCM, SDM, CURRENT SENSOR Fuses
G109, G203, G306