GM Service Manual Online
For 1990-2009 cars only
Makes
🢒
Pontiac
🢒
2006
🢒
Pursuit
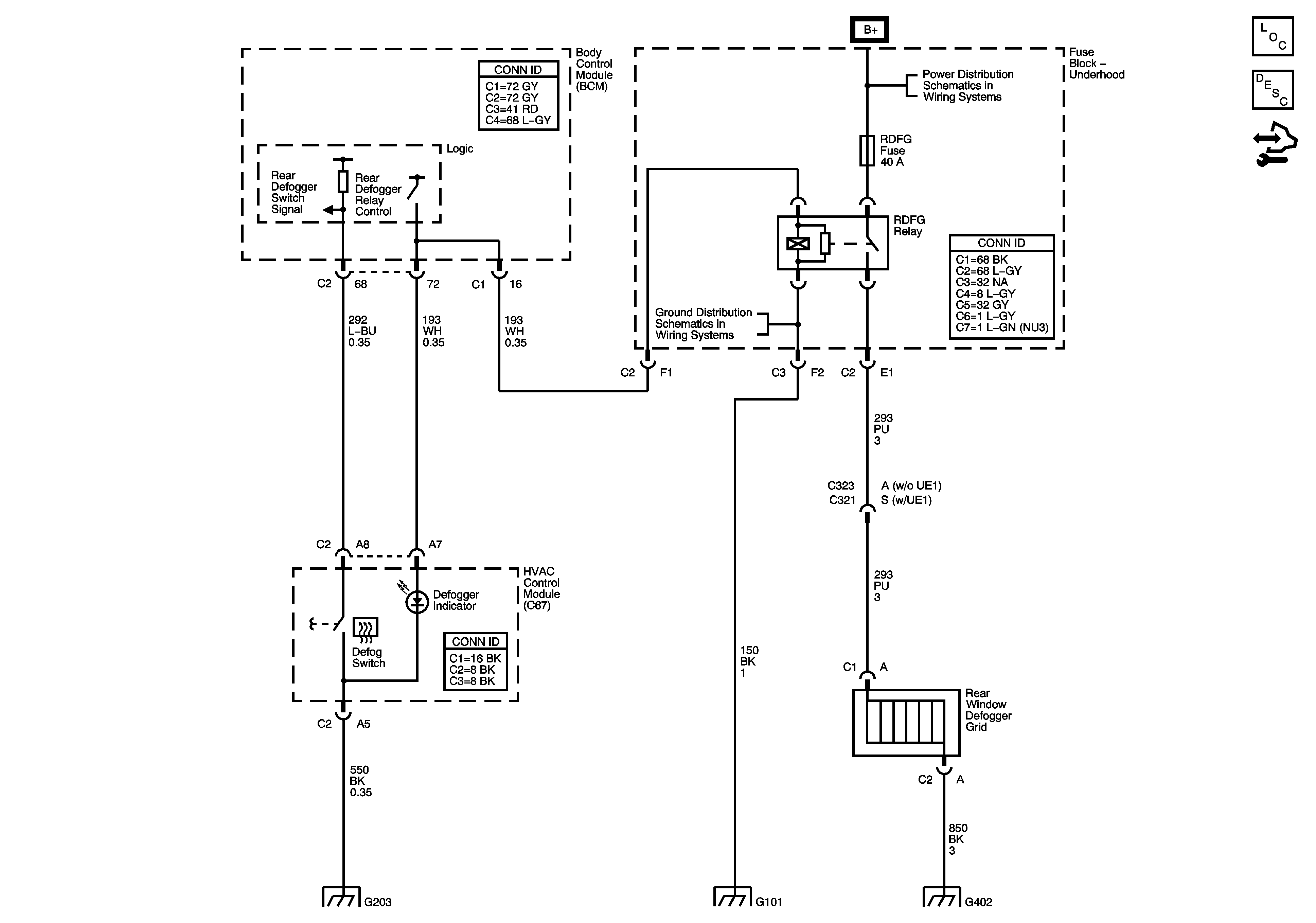
🢒 Rear Defogger Schematics
Rear Defogger Schematics
Master Electrical Component List
Rear Window Defogger Description and Operation
Control Module References
Underhood Fuse Block, B+ Bus
G402, G403
G109, G203, G306
G101, G102
G402, G403