GM Service Manual Online
For 1990-2009 cars only
Makes
🢒
Pontiac
🢒
2006
🢒
Pursuit
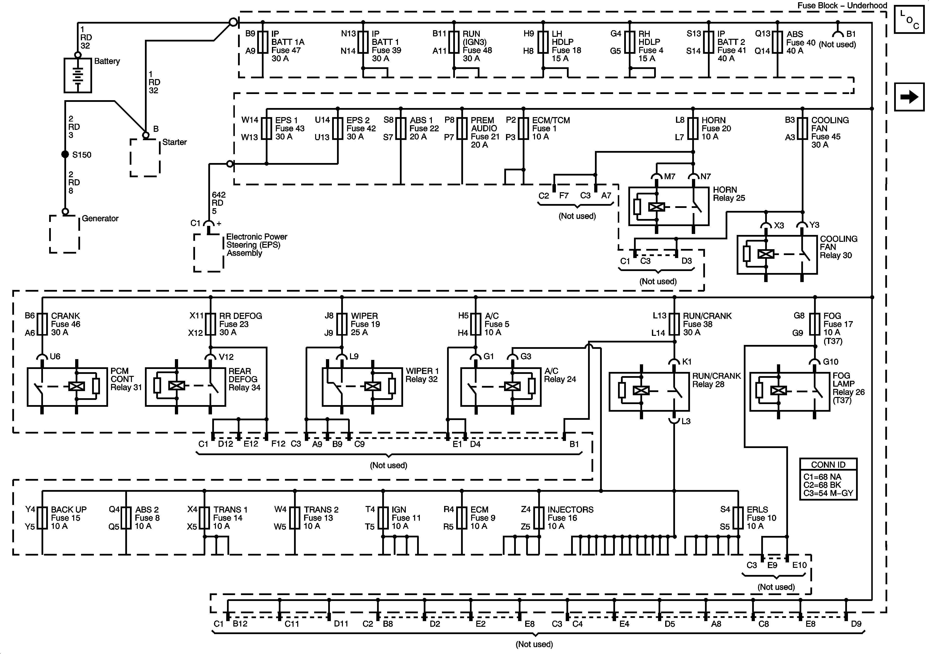
🢒 03 GMX357 Fuse Block-Underhood Bus
03 GMX357 Fuse Block-Underhood Bus
Fuse Block-Underhood Bus
Master Electrical Component List
Ignition Switch