GM Service Manual Online
For 1990-2009 cars only

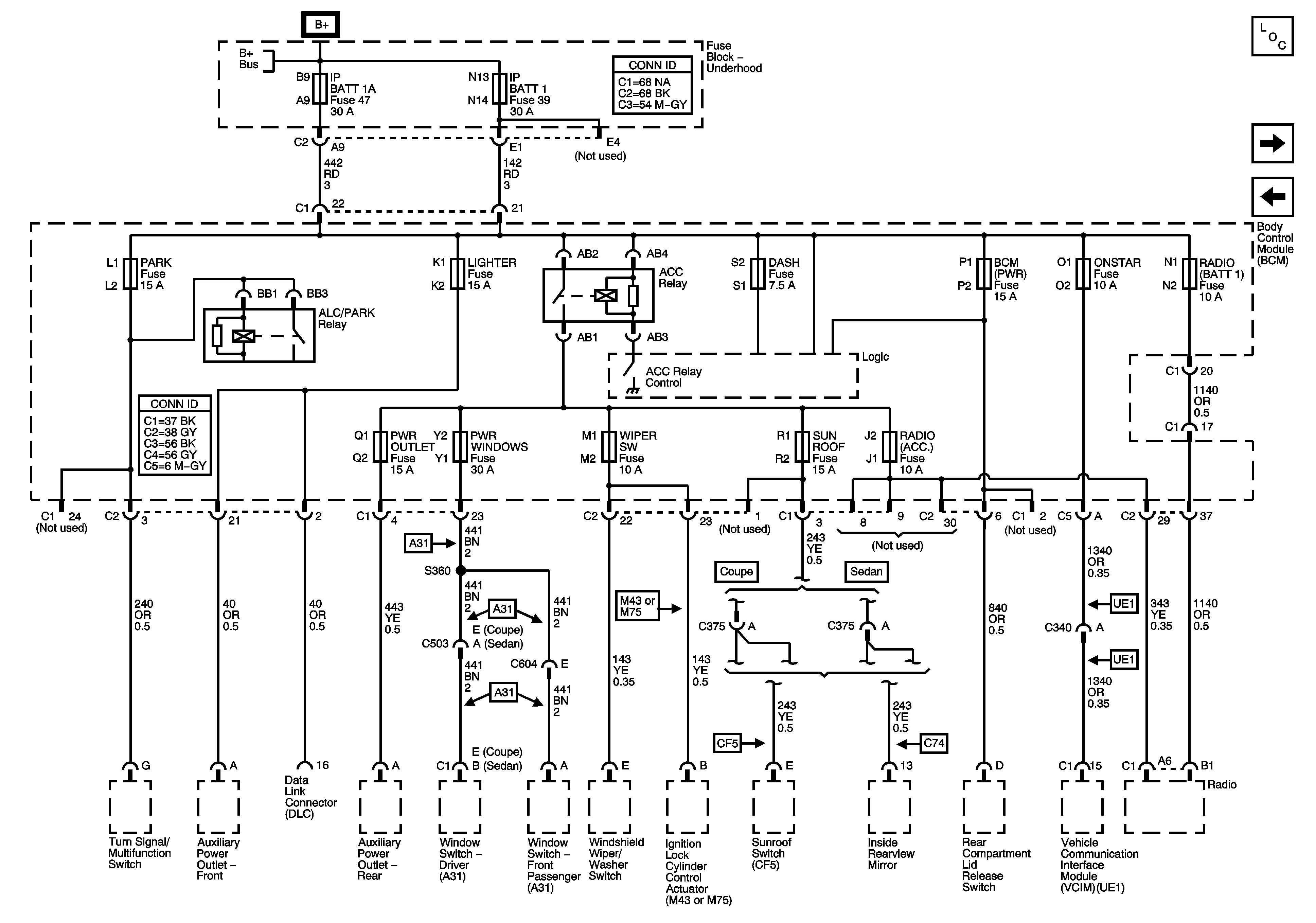
Fuse Block-Underhood Fuses: IP BATT1 and IP BATT1A, BCM Fuses: BCM PWR, DASH, LIGHTER, ONSTAR, PARK, PWR OUTLET, PWR WINDOWS, RADIO (ACC.), RADIO (BATT1), SUN ROOF, and WIPER SW

Fuse Block-Underhood Fuses: IP BATT1 and IP BATT1A, BCM Fuses: BCM PWR, DASH, LIGHTER, ONSTAR, PARK, PWR OUTLET, PWR WINDOWS, RADIO (ACC.), RADIO (BATT1), SUN ROOF, and WIPER


Object Number: 866275  Size: FS
Master Electrical Component List
Fuse Block-Underhood Fuses: IP BATT2 and RUN (IGN3), BCM Fuses: BCM ELECT, CLUSTER, FUELPUMP, HVAC, IGN. SW, and STOP
Ignition Switch