GM Service Manual Online
For 1990-2009 cars only
Makes
🢒
Pontiac
🢒
2006
🢒
Pursuit
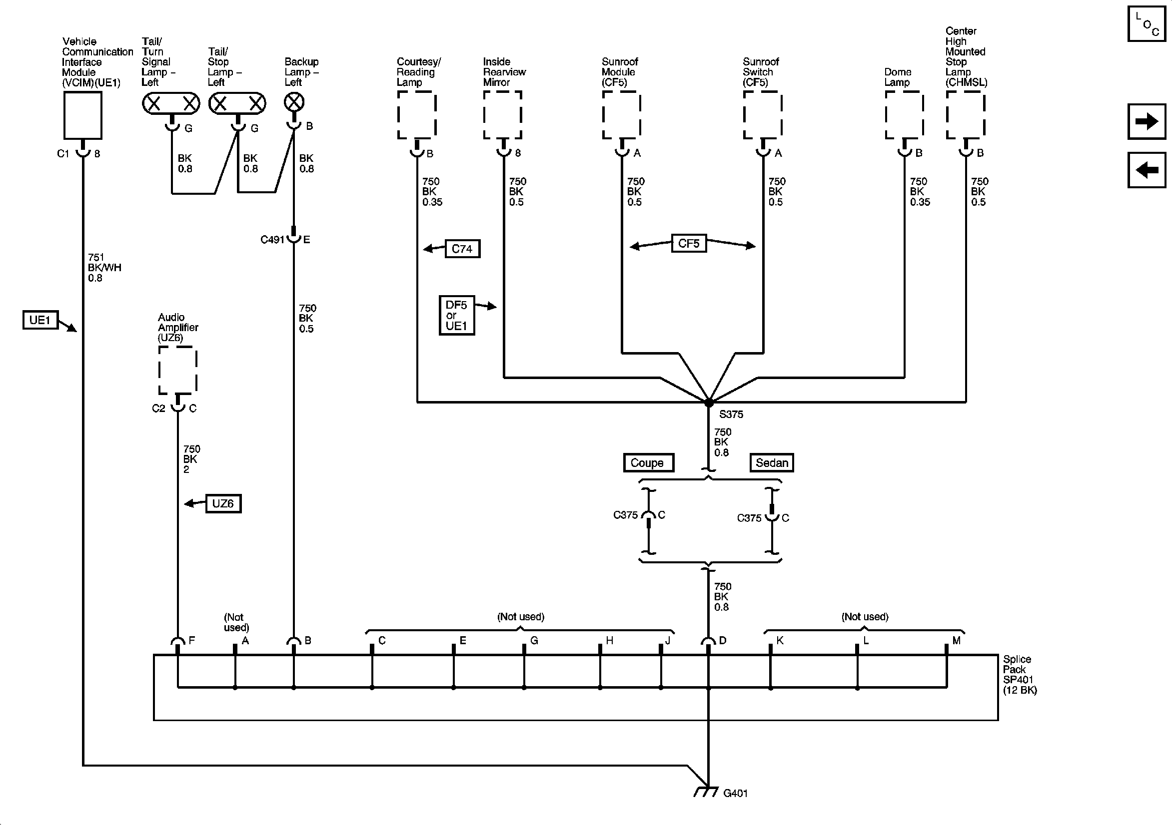
🢒 G401
G401
G401
Master Electrical Component List
G403 and G502
G301