GM Service Manual Online
For 1990-2009 cars only
Makes
🢒
Pontiac
🢒
2006
🢒
Pursuit
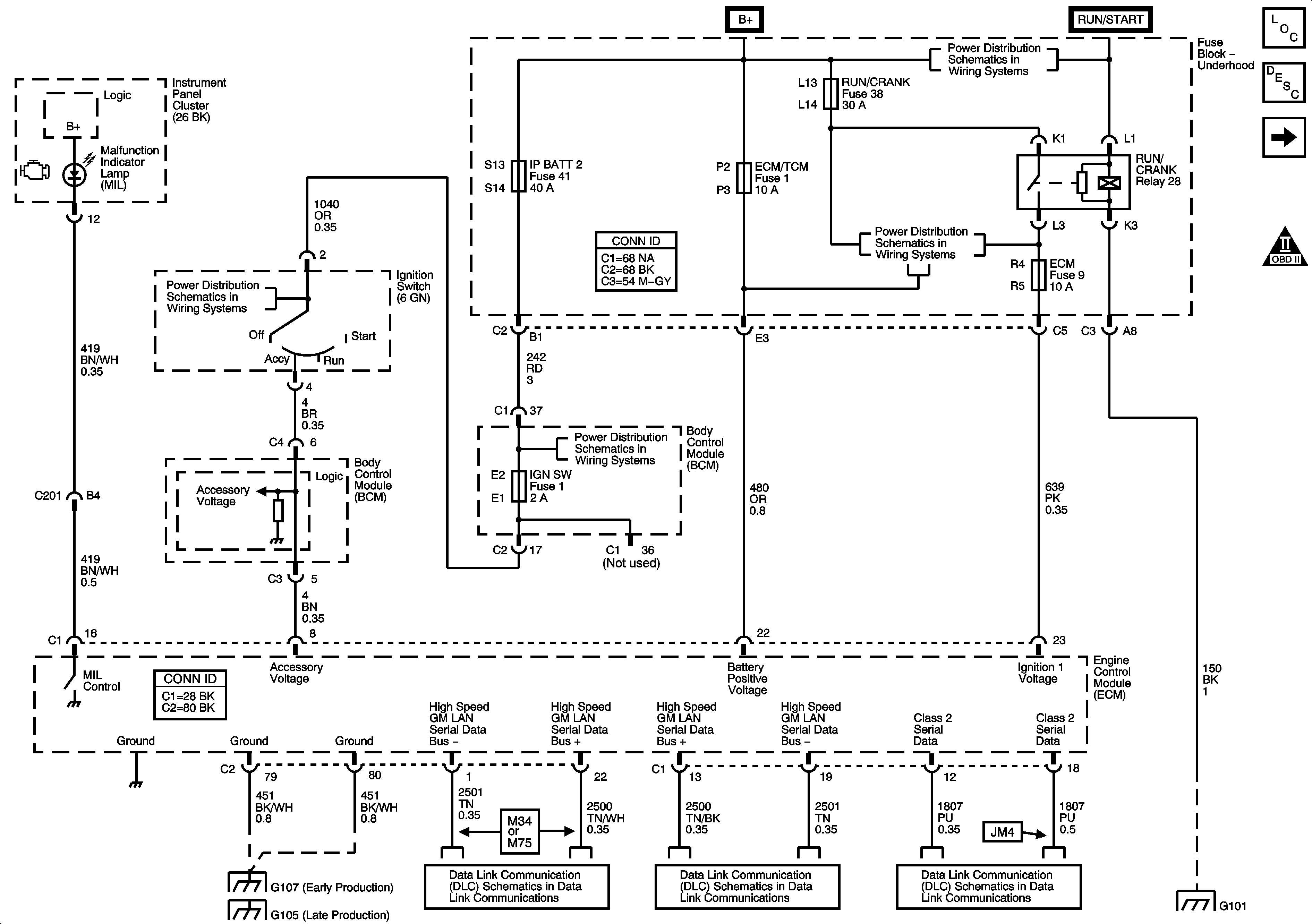
🢒 Ground, MIL, Power, and Serial Data
Ground, MIL, Power, and Serial Data
Ground, MIL, Power, and Serial Data
Master Electrical Component List
Engine Control Module Description
Engine Data Sensors-5 Volt and Low Reference Bussing
OBD II Symbol Description Notice
Ignition Switch
Fuse Block-Underhood Fuses: IP BATT2 and RUN (IGN3), BCM Fuses: BCM ELECT, CLUSTER, FUELPUMP, HVAC, IGN. SW, and STOP
Fuse Block-Underhood Fuses: ABS, ABS1, ABS2, ECM, ECM/TCM, IGN, LH HDLP, PREM AUDIO, RH HDLP, and RUN/CRANK
Fuse Block-Underhood Fuses: ABS, ABS1, ABS2, ECM, ECM/TCM, IGN, LH HDLP, PREM AUDIO, RH HDLP, and RUN/CRANK
G103, G105, G107, and G109
G103, G105, and G109 - Late Production
Data Link Connector (DLC) Schematics
Data Link Connector (DLC) Schematics
Data Link Connector (DLC) Schematics
G101