GM Service Manual Online
For 1990-2009 cars only
Makes
🢒
Pontiac
🢒
2006
🢒
Pursuit
🢒 Engine Data Sensors-Pressure and Temperature
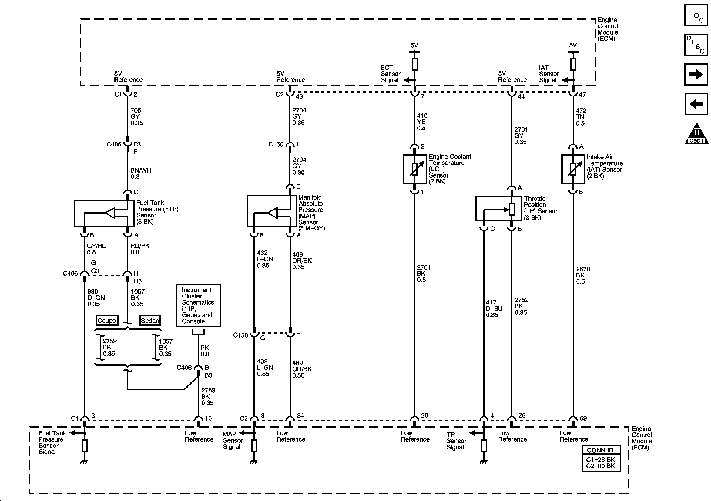
Engine Data Sensors-Pressure and Temperature
Engine Data Sensors-Pressure and Temperature
Master Electrical Component List
Engine Control Module Description
Engine Data Sensors-HO2S
Engine Data Sensors-5 Volt and Low Reference Bussing
OBD II Symbol Description Notice
Fuel Level and Oil Pressure