GM Service Manual Online
For 1990-2009 cars only

Removal Procedure


    Object Number: 1694523  Size: SH
  1. Remove the intake manifold cover. Refer to Intake Manifold Cover Replacement .
  2. Remove the intake manifold cover studs.

  3. Object Number: 1591651  Size: SH
  4. Remove the air cleaner outlet resonator. Refer to Air Cleaner Outlet Resonator Replacement .
  5. Reposition the positive crankcase ventilation (PCV) hose clamp.
  6. Remove the PCV hose from the cover.
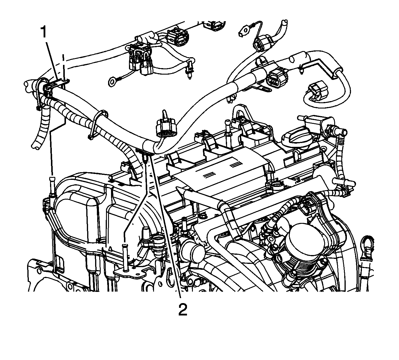
  7. Disconnect the intake (1) and exhaust (2) camshaft position actuator solenoid valve electrical connectors.

  8. Object Number: 1591657  Size: SH
  9. Remove the engine harness clip (1) from the cam cover.

  10. Object Number: 1591665  Size: SH
  11. Remove the engine harness bracket (1) from the intake manifold cover stud.

  12. Object Number: 1591661  Size: SH
  13. Disconnect the evaporative emission (EVAP) canister purge solenoid valve electrical connector (1).
  14. Remove the engine harness clip (2) from the EVAP purge solenoid bracket.
  15. Remove the engine harness clips (3, 4) from the cam cover.
  16. Remove the ignition coils. Refer to Ignition Coil Replacement .

  17. Object Number: 1578306  Size: SH
  18. Remove the camshaft cover bolts.
  19. Remove the camshaft cover.

Installation Procedure

    Notice: Refer to Fastener Notice in the Preface section.


    Object Number: 1578306  Size: SH
  1. Install the camshaft cover and bolts.
  2. Tighten
    Tighten the bolts to 10 N·m (89 lb in).


    Object Number: 1591661  Size: SH
  3. Install the ignition coils. Refer to Ignition Coil Replacement .
  4. Install the engine harness clips (3, 4) to the cam cover.
  5. Install the engine harness clip (2) to the EVAP purge solenoid bracket.
  6. Connect the EVAP canister purge solenoid valve electrical connector (1).

  7. Object Number: 1591665  Size: SH
  8. Install the engine harness bracket (1) to the intake manifold cover stud.

  9. Object Number: 1591657  Size: SH
  10. Install the engine harness clip (1) to the cam cover.

  11. Object Number: 1591651  Size: SH
  12. Connect the intake (1) and exhaust (2) camshaft position actuator solenoid valve electrical connectors.
  13. Install the PCV hose from the cover.
  14. Position the PCV hose clamp.
  15. Install the air cleaner outlet resonator. Refer to Air Cleaner Outlet Resonator Replacement .

  16. Object Number: 1694523  Size: SH
  17. Install the intake manifold cover studs.
  18. Tighten
    Tighten the studs to 9 N·m (80 lb in).

  19. Install the intake manifold cover. Refer to Intake Manifold Cover Replacement .