GM Service Manual Online
For 1990-2009 cars only

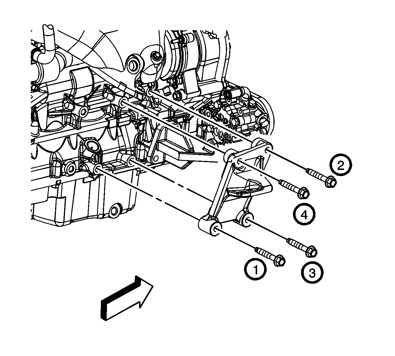
Removal Procedure


    Object Number: 1592521  Size: SH
  1. Remove the right engine mount. Refer to Engine Mount Replacement - Right Side .
  2. Remove the right engine mount bracket bolts and bracket.

Installation Procedure


    Object Number: 1592521  Size: SH
  1. Position the right engine mount bracket to the engine block.
  2. Notice: Refer to Fastener Notice in the Preface section.

  3. Install the right engine mount bracket bolts until snug.
  4. Tighten the right engine mount bracket bolts.
  5. Tighten
    Tighten the bolts in the sequence shown to 55 N·m (41 lb ft).

  6. Install the right engine mount. Refer to Engine Mount Replacement - Right Side .