GM Service Manual Online
For 1990-2009 cars only
Makes
🢒
Pontiac
🢒
2006
🢒
Solstice
🢒
Vehicle Control Systems
🢒
Vehicle DTC Information
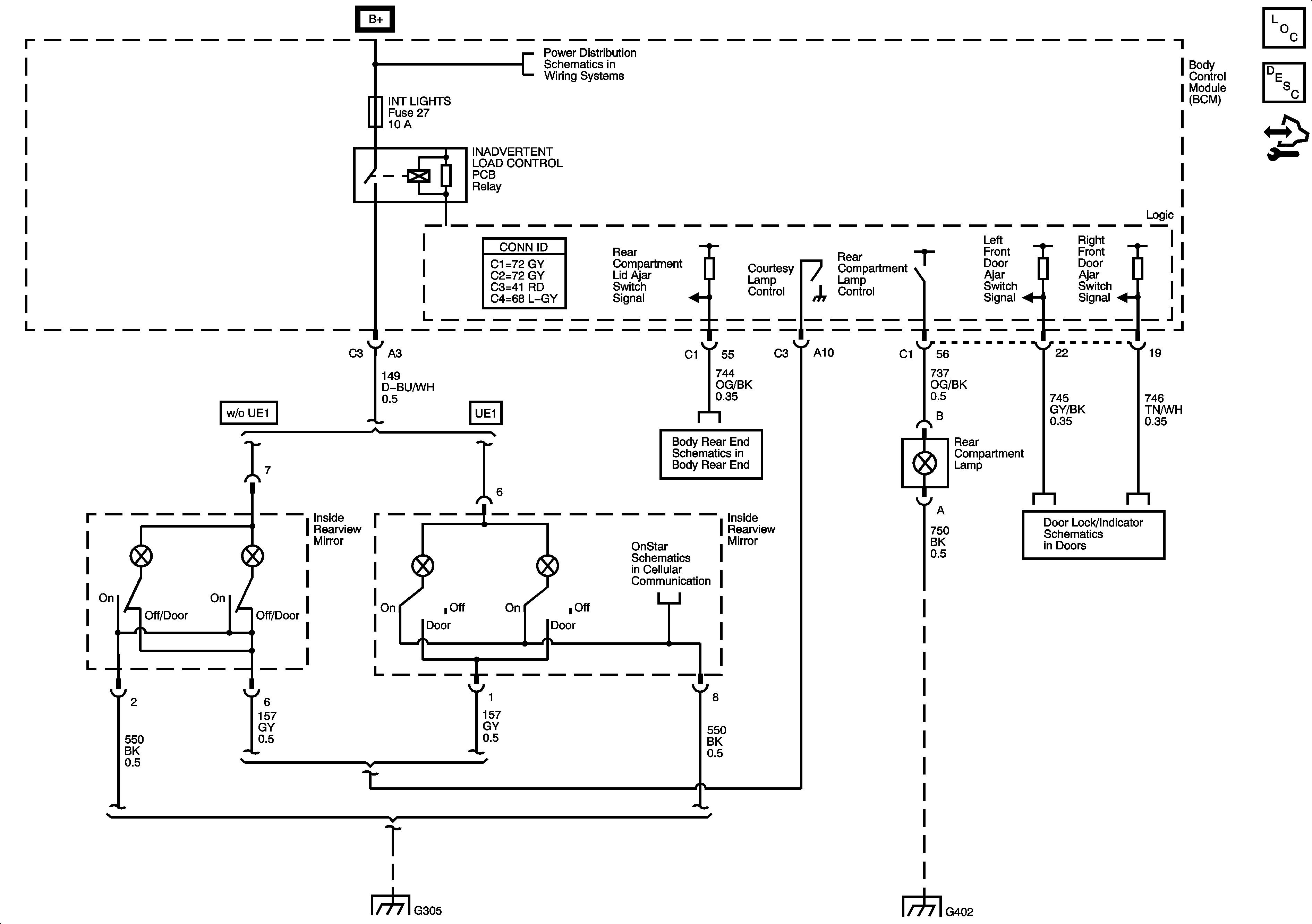
🢒 Interior Lights Schematics
Master Electrical Component List
Interior Lighting Systems Description and Operation
Control Module References
Body Rear End Schematics
G305 (2 of 2)
G301, G102, G303, and G402