GM Service Manual Online
For 1990-2009 cars only
Makes
🢒
Pontiac
🢒
2006
🢒
Solstice
🢒
Vehicle Control Systems
🢒
Vehicle DTC Information
🢒 Body Rear End Schematics
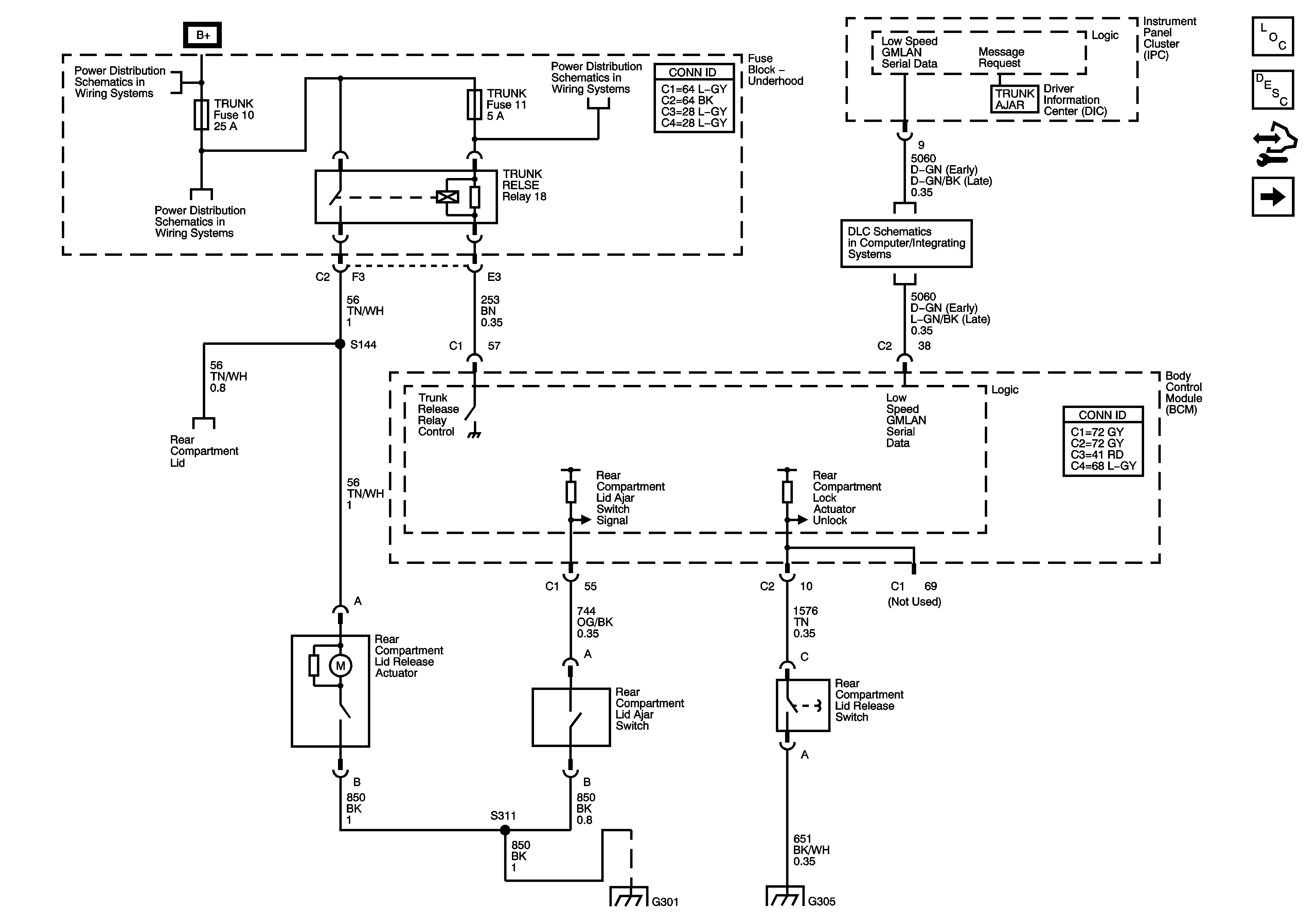
Figure
1:
Rear Compartment Lid Release
Master Electrical Component List
Luggage Compartment Description and Operation
Control Module References
Folding Top
B+ Bus Bar - 1 of 2
B+ Bus Bar - 1 of 2
G301, G102, G303, and G402
G305 (1 of 2)
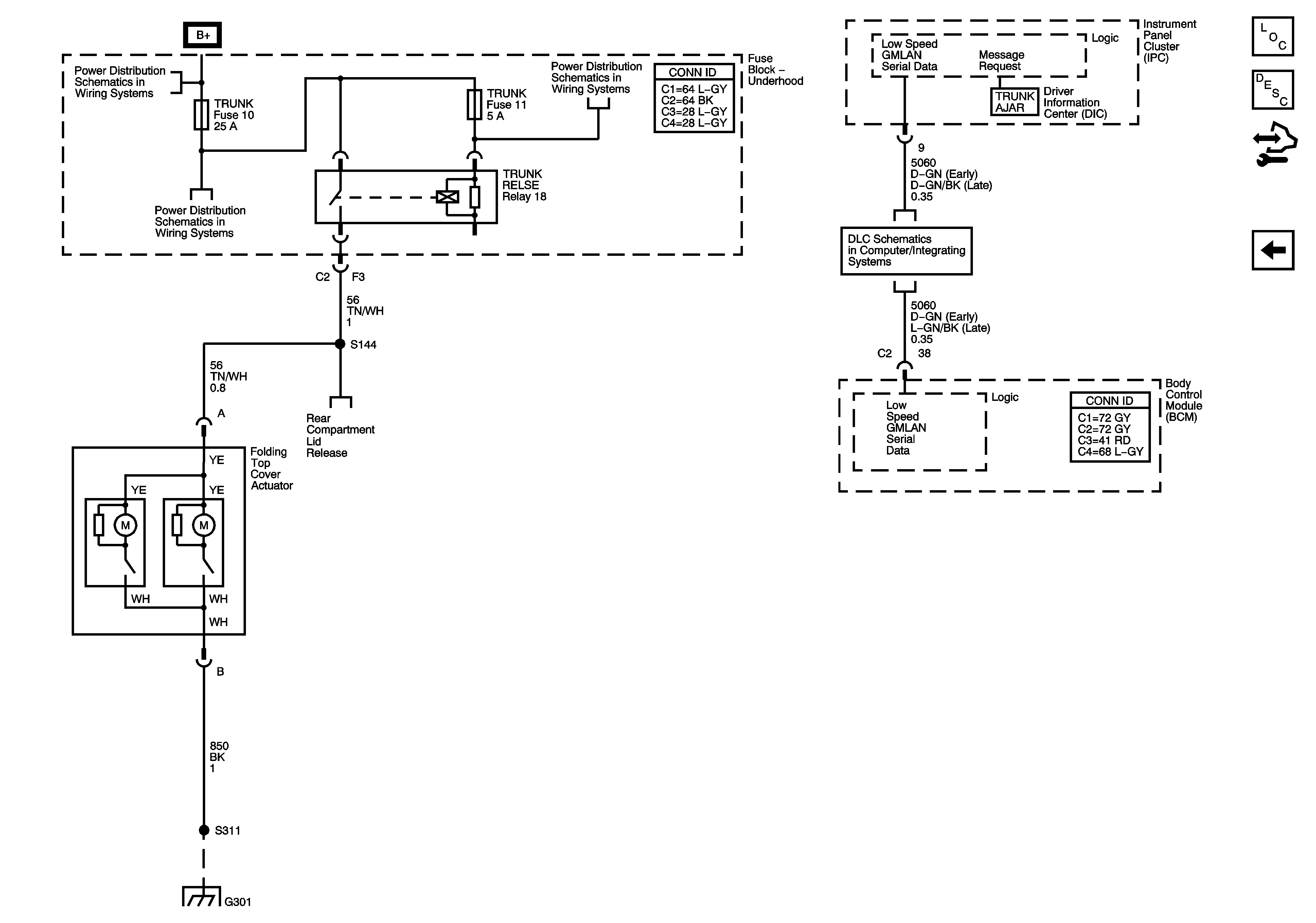
Figure
2:
Rear Compartment Lid
Master Electrical Component List
Luggage Compartment Description and Operation
Control Module References
Body Rear End Schematics
B+ Bus Bar - 1 of 2
B+ Bus Bar - 1 of 2
B+ Bus Bar - 1 of 2
DLC Power, Ground, and Low Speed LAN
G301, G102, G303, and G402