GM Service Manual Online
For 1990-2009 cars only
Figure 1:

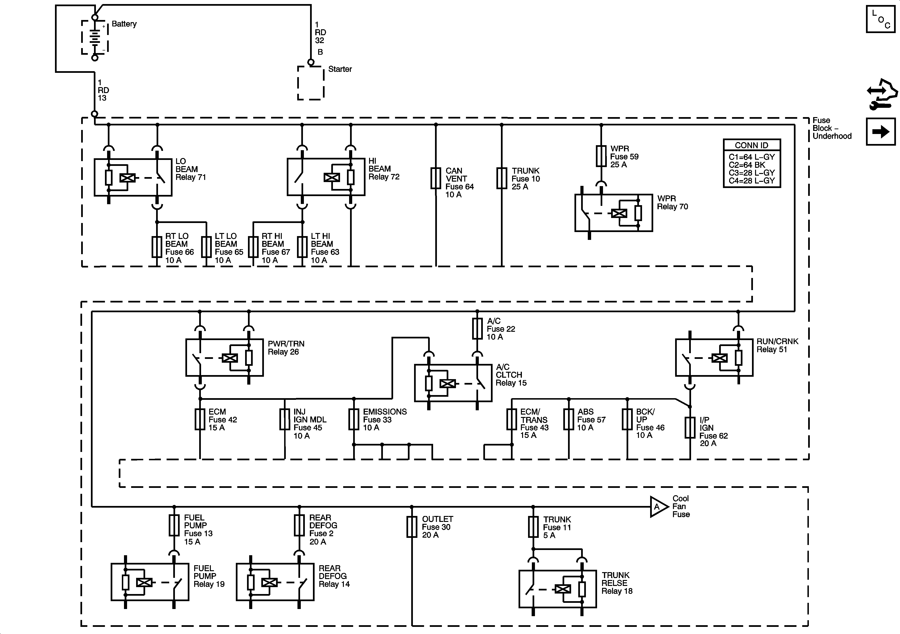
B+ Bus Bar - 1 of 2


Object Number: 1553687  Size: FS
Master Electrical Component List
Control Module References
B+ Bus Bar - 2 of 2
Figure 2:

B+ Bus Bar - 2 of 2


Object Number: 1553689  Size: FS
Master Electrical Component List
Control Module References
LT LO BEAM, RT LO BEAM, LT HI BEAM, and RT HI BEAM Fuses
B+ Bus Bar - 1 of 2
Figure 3:

LT LOW BEAM, RT LOW BEAM, LT HI BEAM, and RT HI BEAM Fuses


Object Number: 1553690  Size: FS
Master Electrical Component List
Control Module References
ABS 10A, BCK/UP, BCK/UP LAMP, CAN VENT, ECM/TRANS, I/P IGN, and TRUNK Fuses
B+ Bus Bar - 2 of 2
B+ Bus Bar - 1 of 2
Figure 4:

ABS 10A, BCK/UP, BCK/UP LAMP, CAN VENT, ECM/TRANS, I/P IGN, and TRUNK Fuses


Object Number: 1553691  Size: FS
Master Electrical Component List
Control Module References
DLC, ECM, EMISSIONS, INJ IGN MDL, and LIGHTER Fuses
LT LO BEAM, RT LO BEAM, LT HI BEAM, and RT HI BEAM Fuses
B+ Bus Bar - 1 of 2
DLC, ECM, EMISSIONS, INJ IGN MDL, and LIGHTER Fuses
Figure 5:

DLC, ECM, EMISSIONS, INJ IGN MDL, and LIGHTER Fuses


Object Number: 1553696  Size: FS
Master Electrical Component List
Control Module References
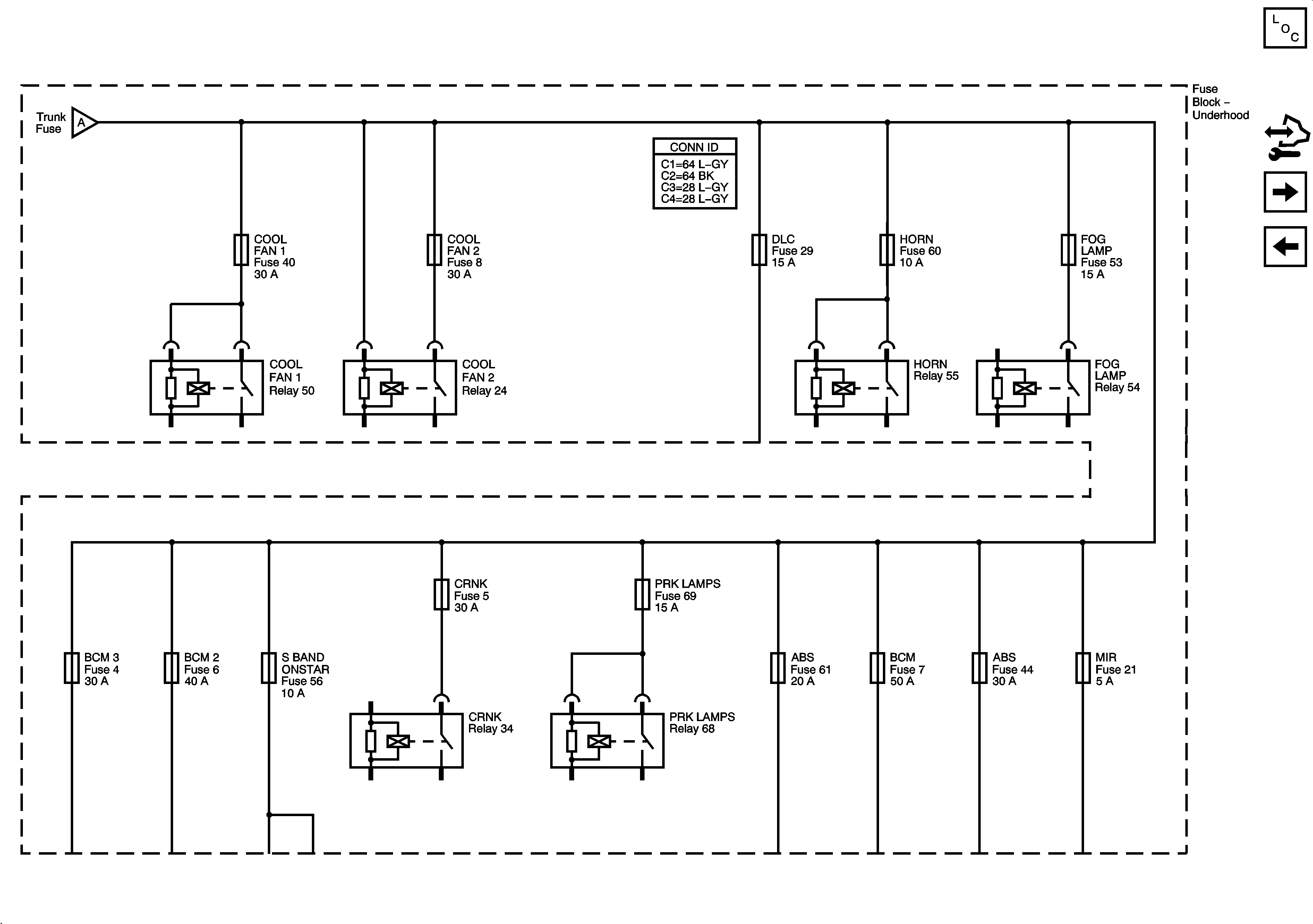
ABS 20A, ABS 30A, MIR, and S BAND ONSTAR Fuses
ABS 10A, BCK/UP, BCK/UP LAMP, CAN VENT, ECM/TRANS, I/P IGN, and TRUNK Fuses
B+ Bus Bar - 1 of 2
B+ Bus Bar - 2 of 2
ABS 10A, BCK/UP, BCK/UP LAMP, CAN VENT, ECM/TRANS, I/P IGN, and TRUNK Fuses
Figure 6:

ABS 20A, ABS 30A, MIR, and S BAND ONSTAR Fuses


Object Number: 1553698  Size: FS
Master Electrical Component List
Control Module References
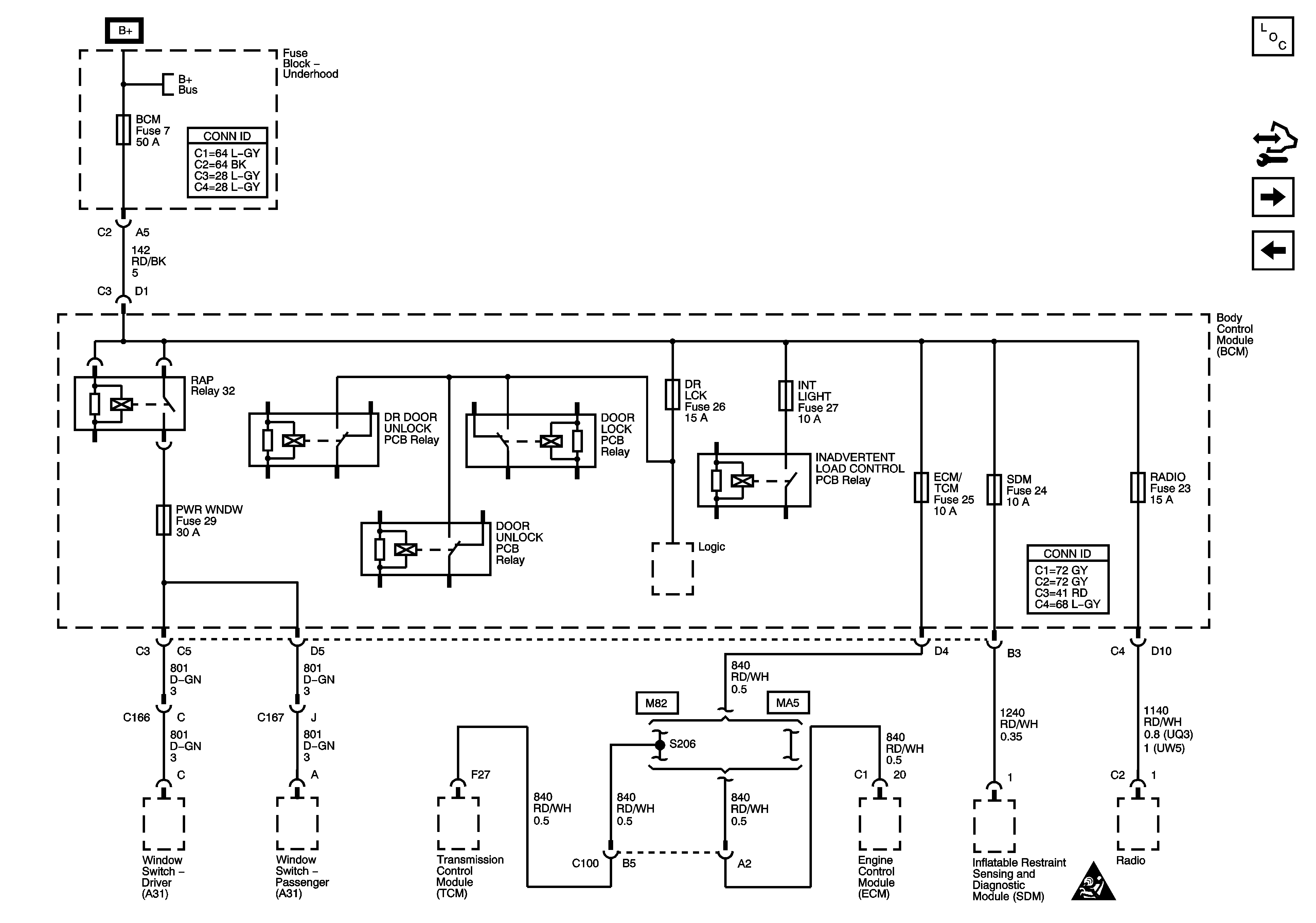
BCM, DR LCK, ECM/TCM, INT LIGHT, PWR WNDW, RADIO, and SDM Fuses
DLC, ECM, EMISSIONS, INJ IGN MDL, and LIGHTER Fuses
B+ Bus Bar - 2 of 2
Figure 7:

BCM, DR LCK, ECM/TCM, INT LIGHT, PWR WNDW, RADIO, and SDM Fuses


Object Number: 1553700  Size: FS
Master Electrical Component List
Control Module References
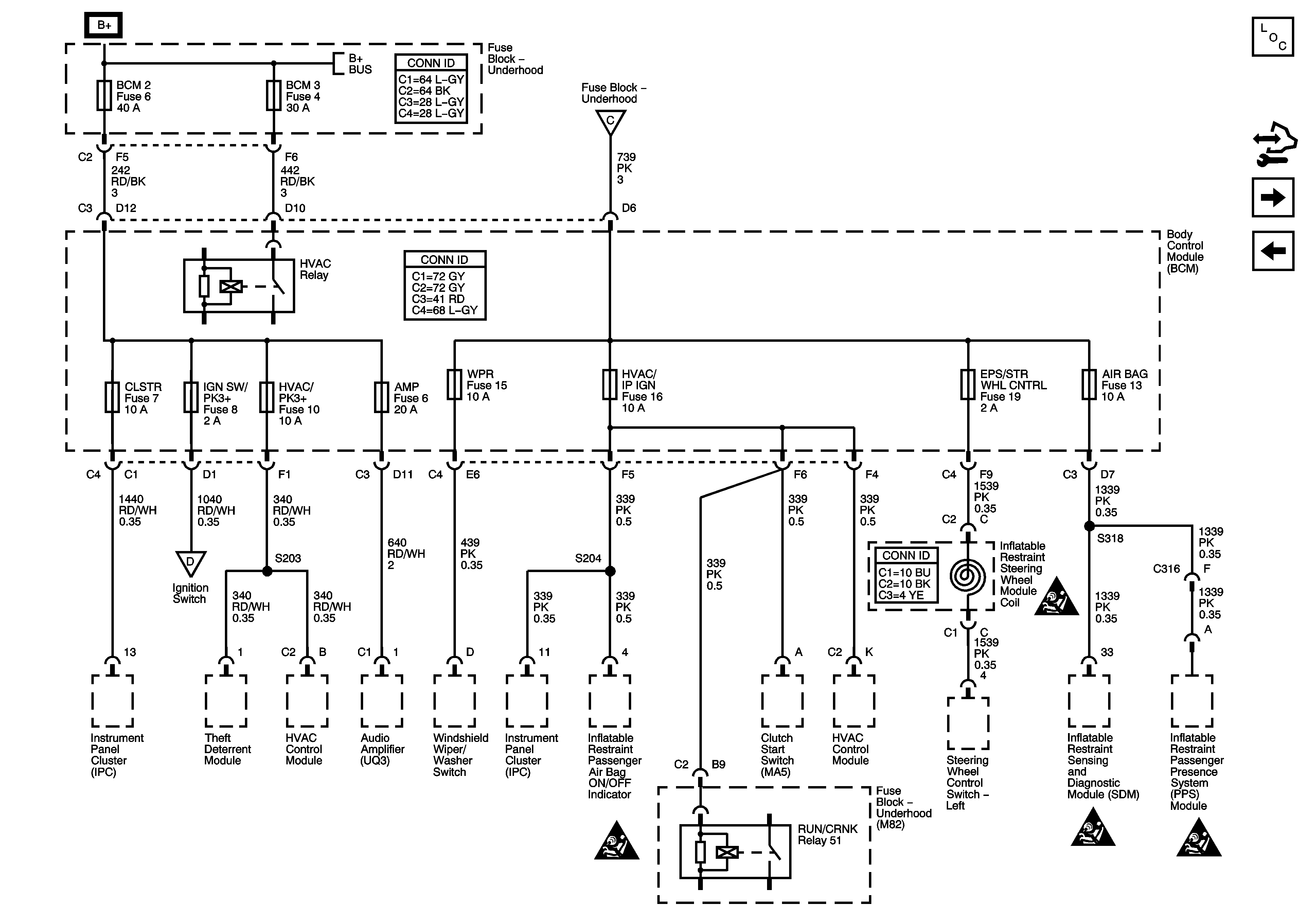
AIR BAG, AMP, BCM 2, BCM 3, CLSTR, EPS/STR WHL CNTRL, HVAC/IP IGN, HVAC/PK3+, and WPR Fuses
ABS 20A, ABS 30A, MIR, and S BAND ONSTAR Fuses
B+ Bus Bar - 2 of 2
Figure 8:

AIR BAG, AMP, BCM 2, BCM 3, CLSTR, EPS/STR WHL CNTRL, HVAC/IP IGN, HVAC/PK3+, and WPR Fuses


Object Number: 1553703  Size: FS
Master Electrical Component List
Control Module References
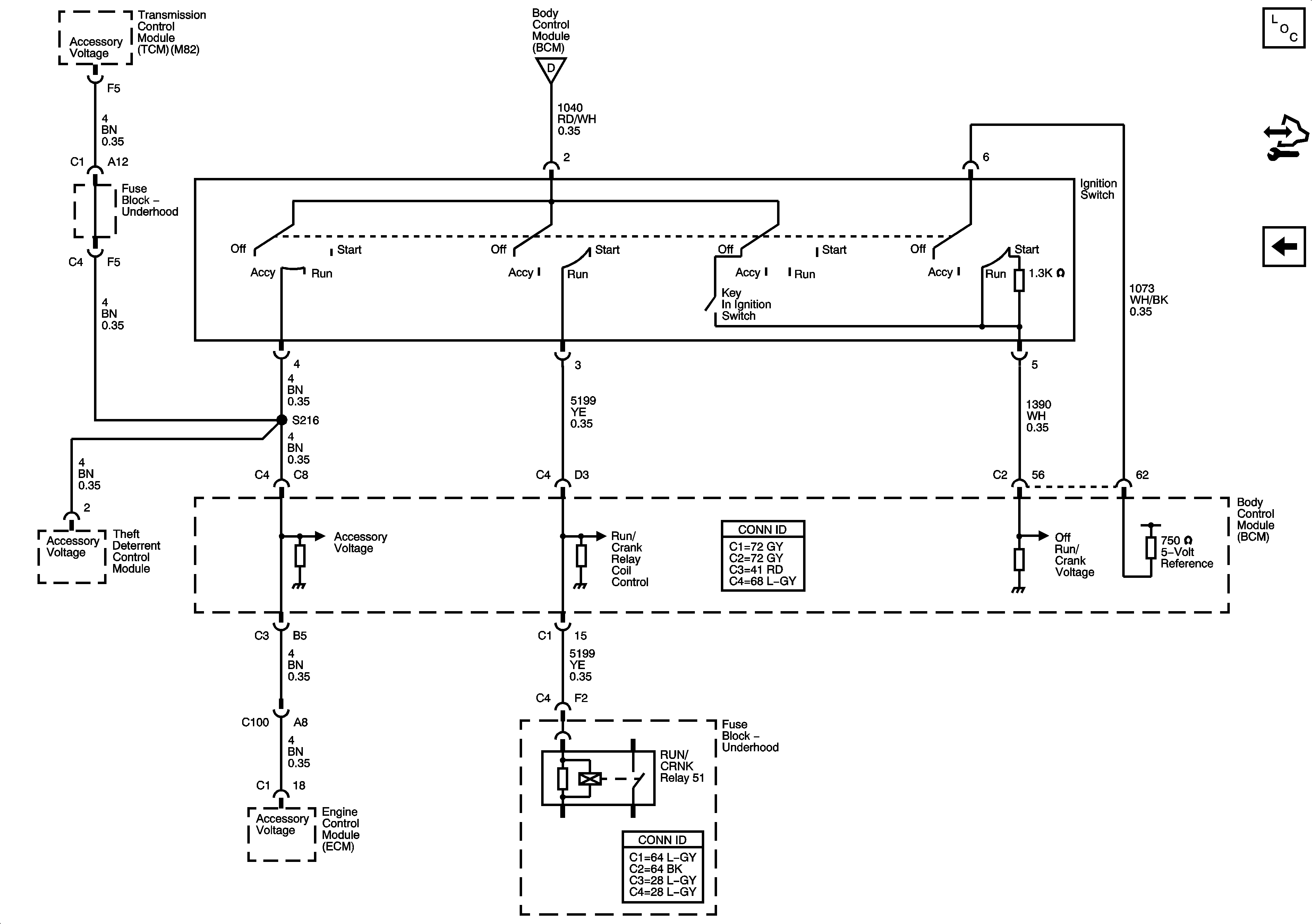
Ignition Switch Modes
BCM, DR LCK, ECM/TCM, INT LIGHT, PWR WNDW, RADIO, and SDM Fuses
B+ Bus Bar - 1 of 2
Ignition Switch Modes
Figure 9:

Ignition Switch Modes


Object Number: 1553706  Size: FS
Master Electrical Component List
Control Module References
AIR BAG, AMP, BCM 2, BCM 3, CLSTR, EPS/STR WHL CNTRL, HVAC/IP IGN, HVAC/PK3+, and WPR Fuses