GM Service Manual Online
For 1990-2009 cars only
Makes
🢒
Pontiac
🢒
2006
🢒
Solstice
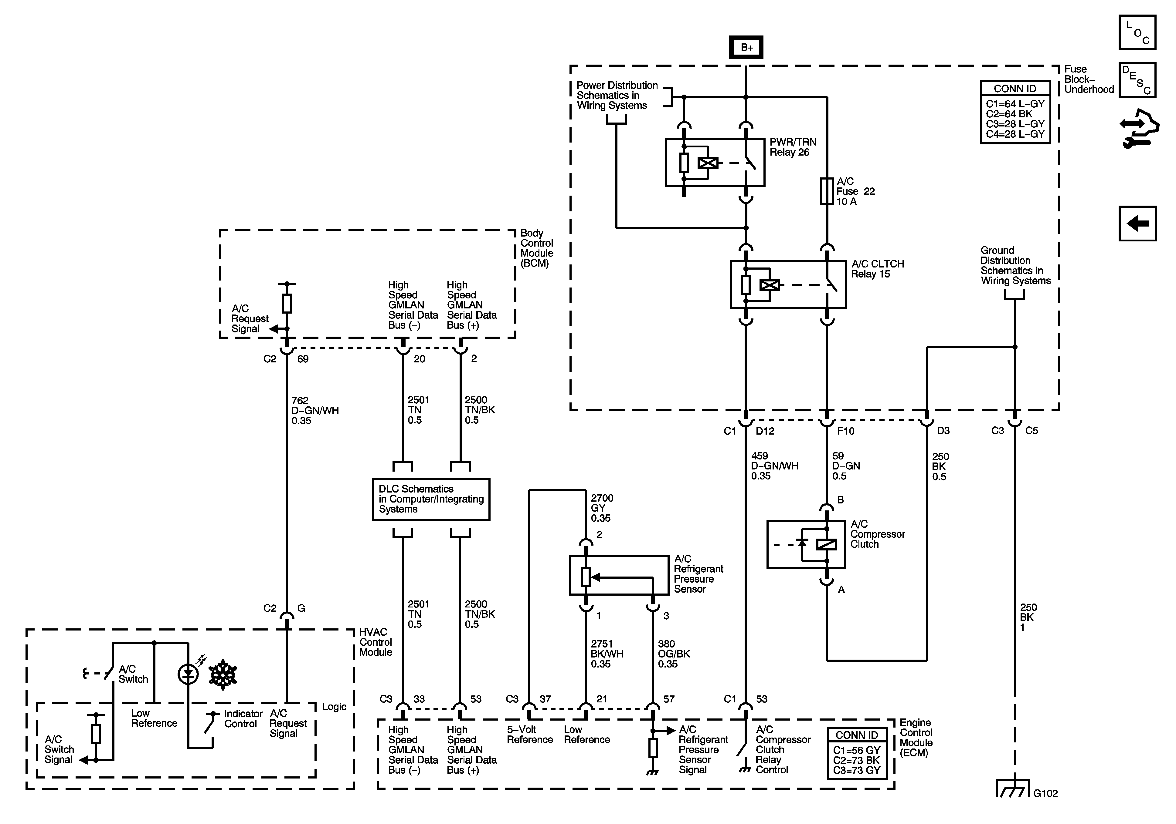
🢒 A/C Compressor Controls
A/C Compressor Controls
A/C Compressor Controls
Master Electrical Component List
Air Temperature Description and Operation
Control Module References
Air Delivery and Temperature Controls
B+ Bus Bar - 1 of 2
G101 and G102
High Speed GMLAN
G101 and G102