GM Service Manual Online
For 1990-2009 cars only
Makes
🢒
Pontiac
🢒
2006
🢒
Solstice
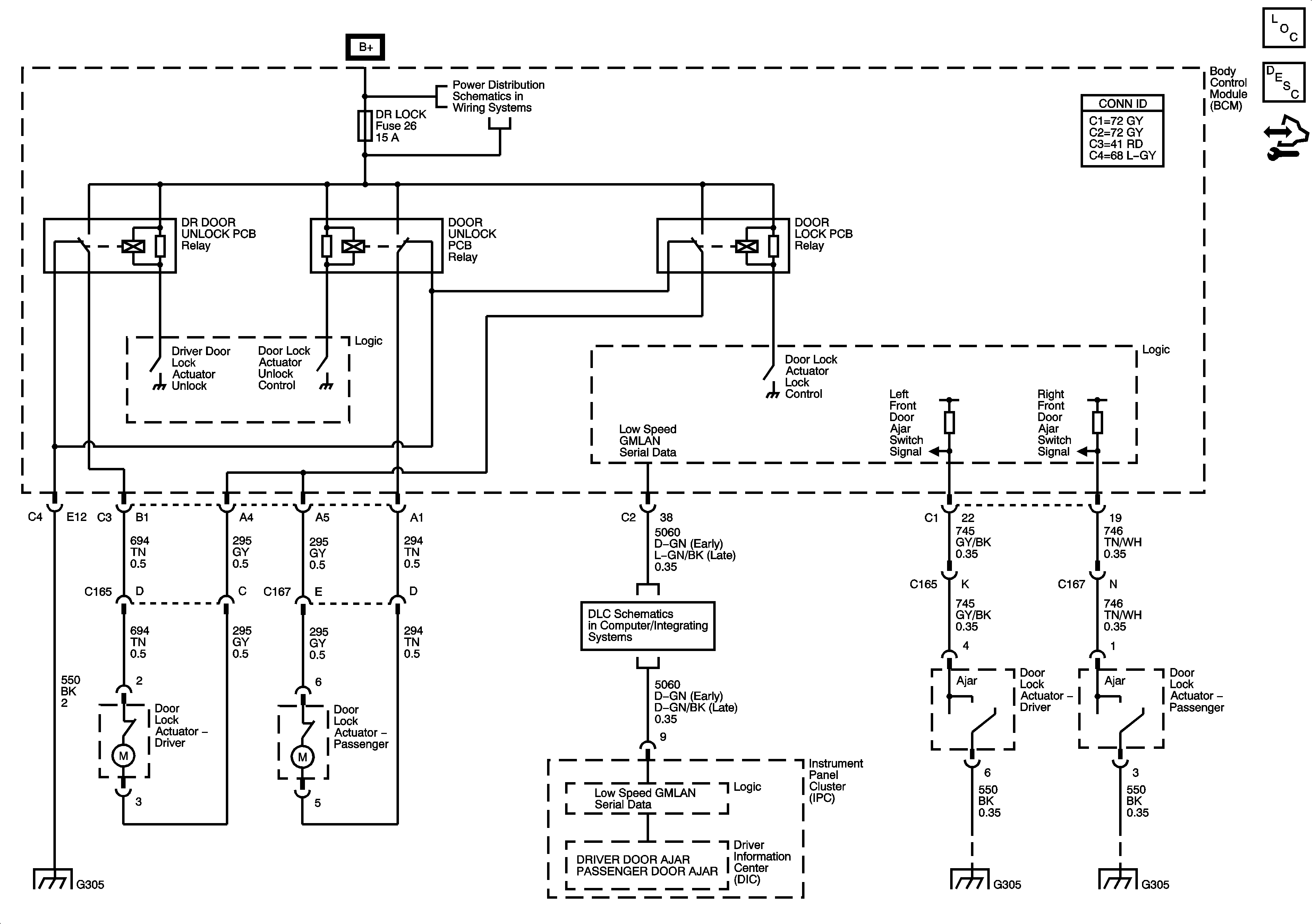
🢒 Door Lock/Indicator Schematics
Door Lock/Indicator Schematics
Master Electrical Component List
Power Door Locks Description and Operation
Control Module References