GM Service Manual Online
For 1990-2009 cars only
Makes
🢒
Pontiac
🢒
2006
🢒
Solstice
🢒 Lights
Lights
Lights
Master Electrical Component List
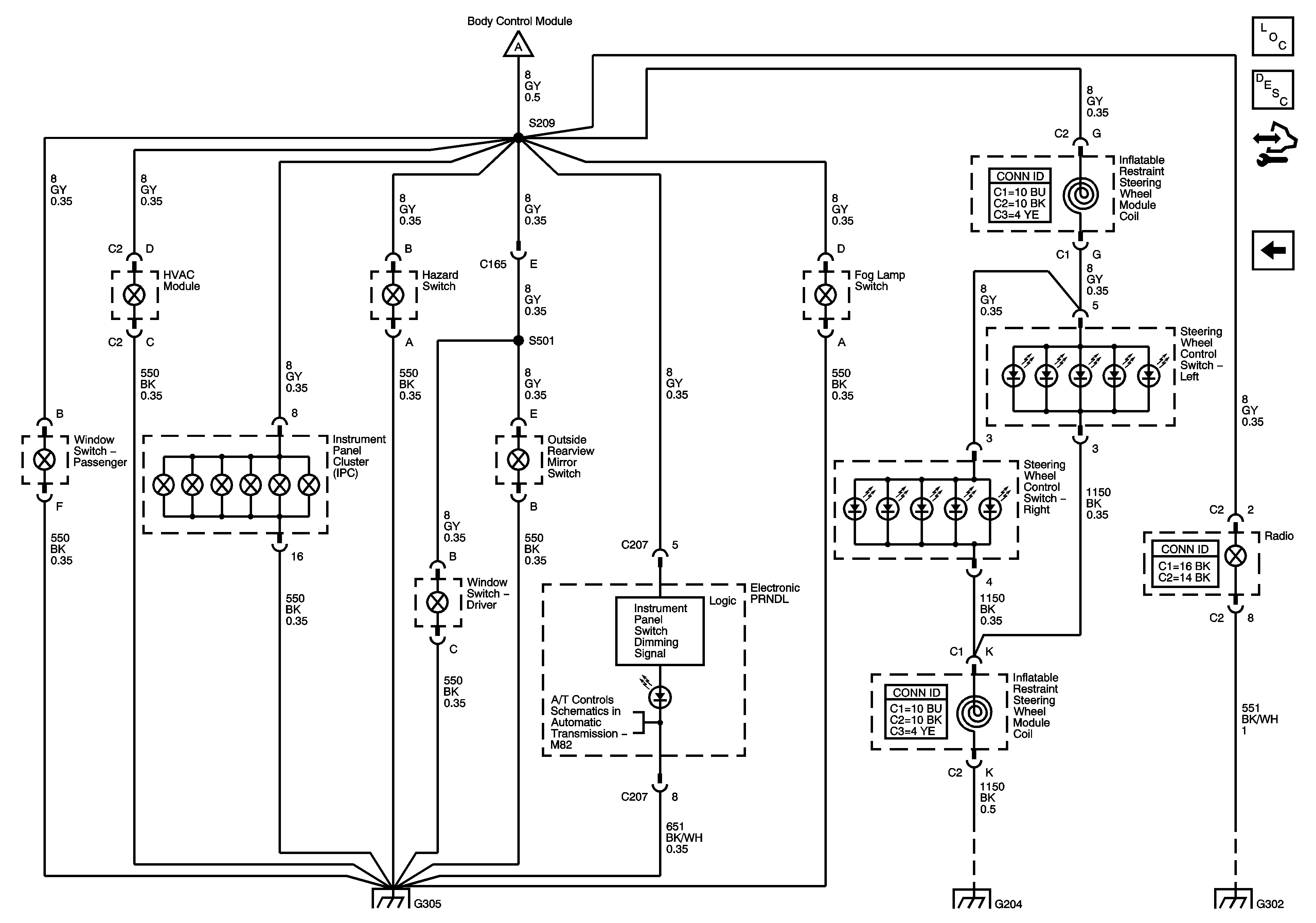
Interior Lighting Systems Description and Operation
Control Module References
I/P Dimmer Switch
I/P Dimmer Switch
Electronic PRNDL
G305 (1 of 2)
G103, G204, G105, G104, and G106
G301, G102, G303, and G402