GM Service Manual Online
For 1990-2009 cars only
Figure 1:

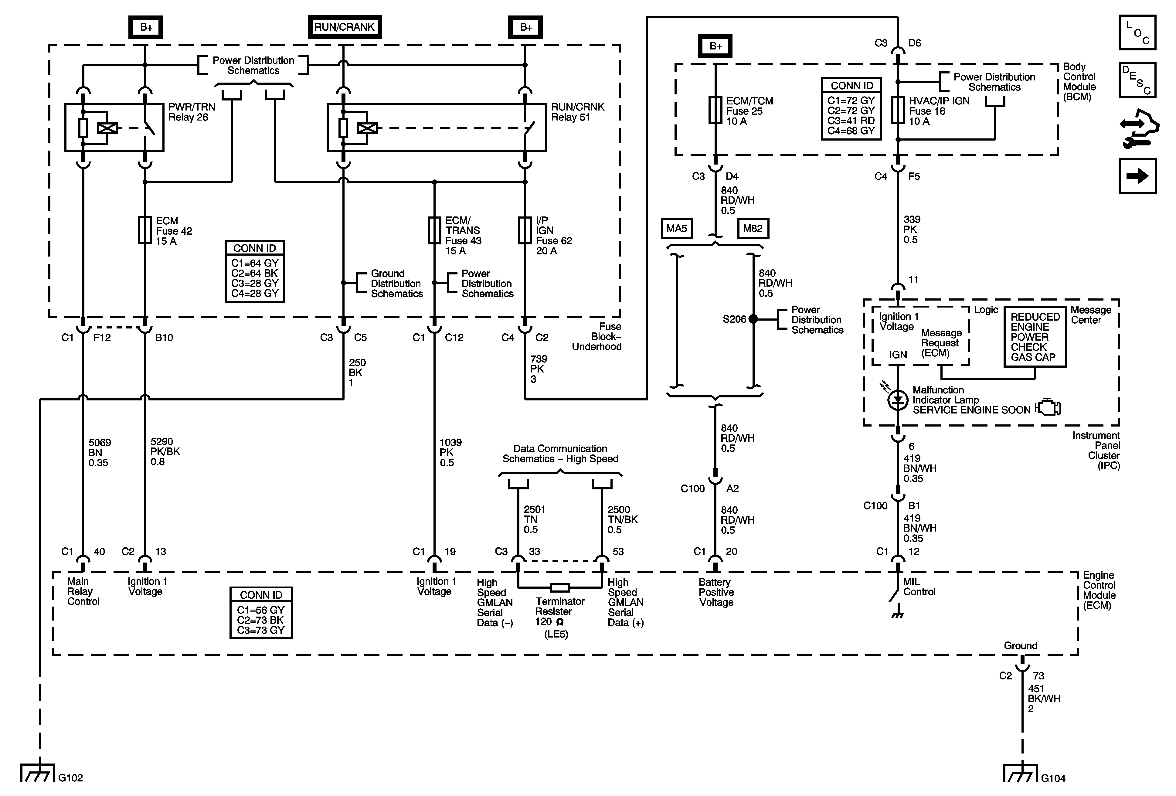
Data Link, Ground, MIL, and Power


Object Number: 1829247  Size: FS
Master Electrical Component List
Engine Control Module Description
Control Module References
5-Volt and Low Reference
B+ Bus Bar - 1 of 2
ABS, BCK/UP LAMP, CAN VENT, ECM/TRANS, I/P IGN, and OUTLET Fuses, and RUN/CRNK Relay (Underhood Fuse Block), AIRBAG, EPS/STR WHL CNTRL, HVAC/IP IGN, and WPR Fuses (Body Control Module (BCM))
G101 and G102
ABS, BCK/UP LAMP, CAN VENT, ECM/TRANS, I/P IGN, and OUTLET Fuses, and RUN/CRNK Relay (Underhood Fuse Block), AIRBAG, EPS/STR WHL CNTRL, HVAC/IP IGN, and WPR Fuses (Body Control Module (BCM))
BCM Fuse (Underhood Fuse Block), DR LCK, ECM/TCM, INT LIGHT, PWR WNDW, RDO, and SDM Fuses, DOOR LOCK PCB , DOOR UNLOCK PCB, DR DOOR UNLOCK PCB, INADVERTENT LOAD CONTROL PCB, and RAP Relays (BCM)
High Speed LAN
G101 and G102
G103, G304, G105, G104, and G106
Figure 2:

5-Volt and Low Reference


Object Number: 1829399  Size: FS
Master Electrical Component List
Engine Control Module Description
Control Module References
Engine Data Sensors - Pressure and Temperature
Data Link, Ground, MIL, and Power
Figure 3:

Engine Data Sensors - Pressure and Temperature


Object Number: 1829404  Size: FS
Master Electrical Component List
Air Intake System Description
Control Module References
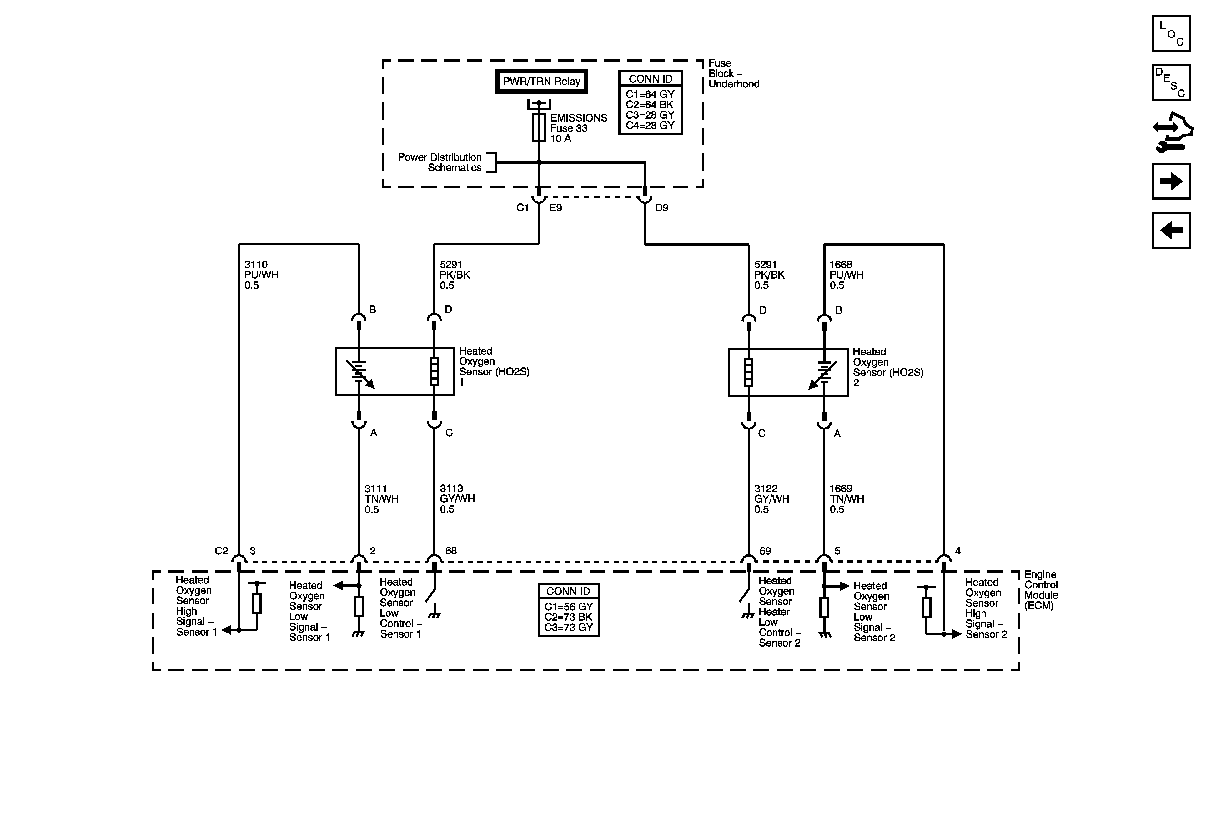
Engine Data Sensors - Oxygen Sensors
5-Volt and Low Reference
DLC, ECM, EMISSIONS, INJ IGN MDL, and TURBO Fuses, PWR/TRN Relay
G103, G304, G105, G104, and G106
Figure 4:

Engine Data Sensors - Oxygen Sensors


Object Number: 1829406  Size: FS
Master Electrical Component List
Engine Control Module Description
Control Module References
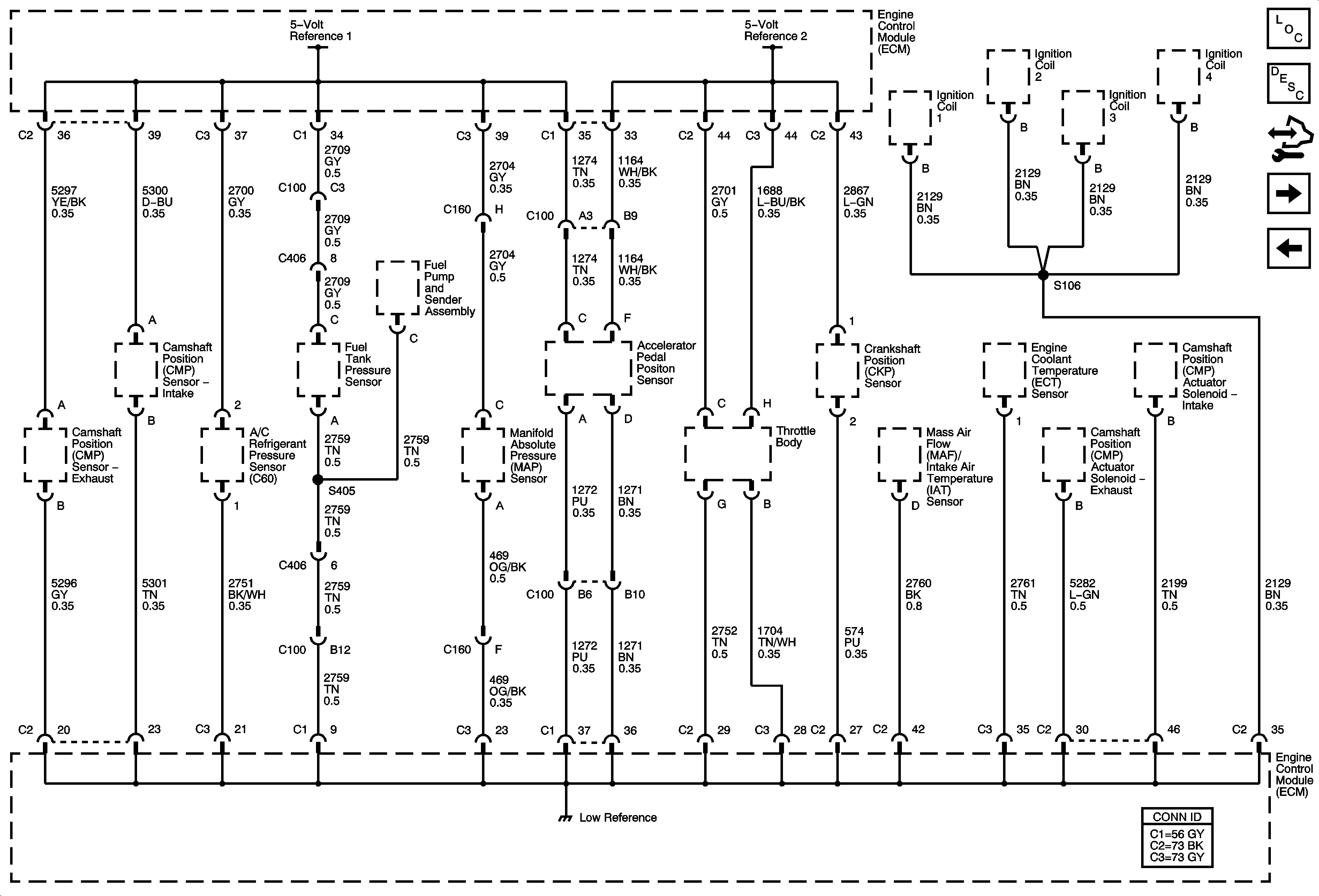
Engine Data Sensors - Electronic Throttle Controls
Engine Data Sensors - Pressure and Temperature
DLC, ECM, EMISSIONS, INJ IGN MDL, and TURBO Fuses, PWR/TRN Relay
Figure 5:

Engine Data Sensors - Electronic Throttle Control


Object Number: 1829409  Size: FS
Master Electrical Component List
Throttle Actuator Control (TAC) System Description
Control Module References
Ignition Controls - Sensors
Engine Data Sensors - Oxygen Sensors
Figure 6:

Ignition Controls - Sensors


Object Number: 1829411  Size: FS
Master Electrical Component List
Camshaft Actuator System Description
Control Module References
Fuel Controls - Fuel Pump Controls and Fuel Injectors
Engine Data Sensors - Electronic Throttle Controls
Engine Controls Schematic Icons
Figure 7:

Fuel Controls - Fuel Pump Controls and Fuel Injectors


Object Number: 1829415  Size: FS
Master Electrical Component List
Evaporative Emission Control System Description
Control Module References
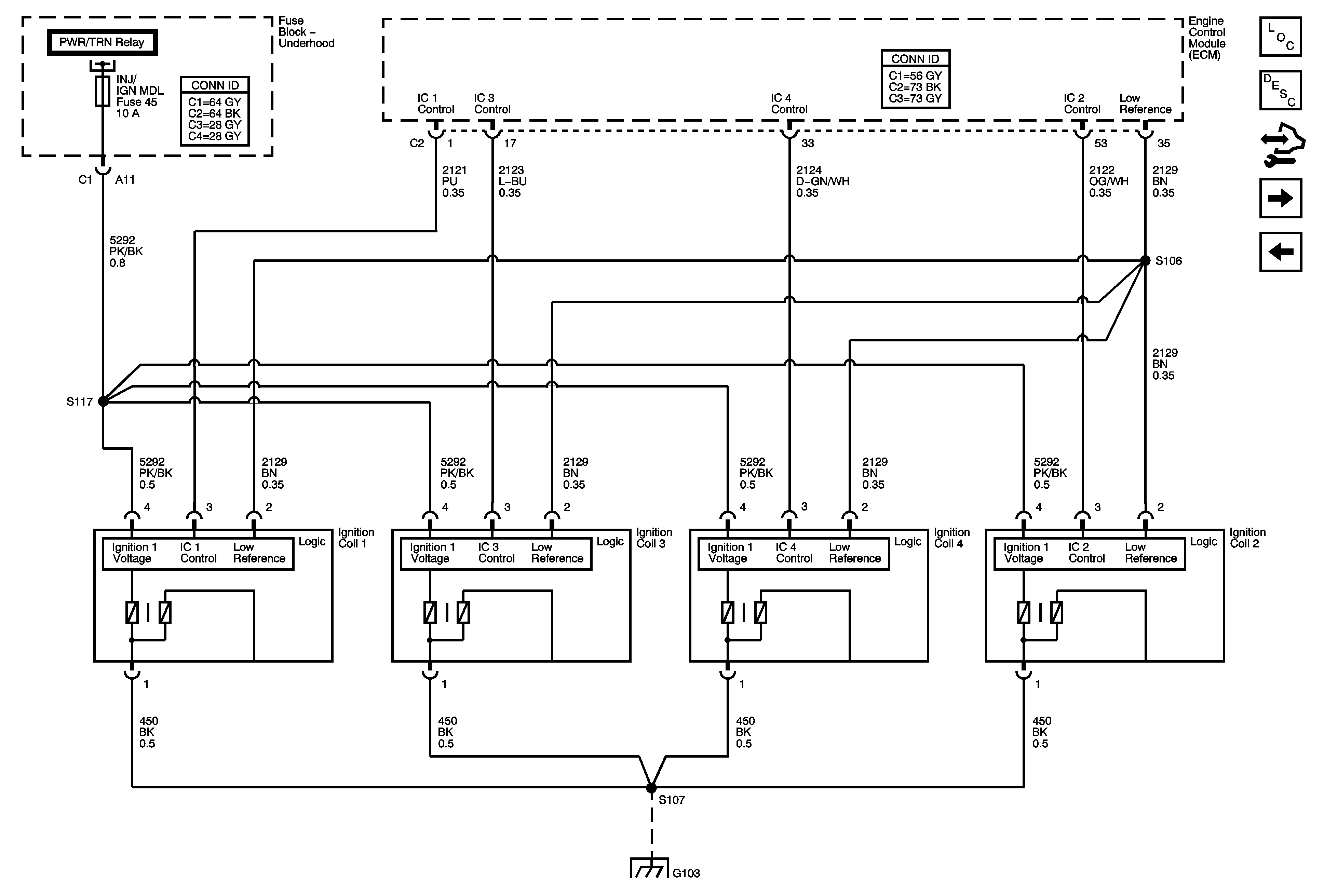
Ignition Controls - Ignition System
Ignition Controls - Sensors
B+ Bus Bar - 1 of 2
G301, G302, G303, G400 and G402
Figure 8:

Ignition Controls - Ignition System


Object Number: 1829417  Size: FS
Master Electrical Component List
Electronic Ignition (EI) System Description
Control Module References
Fuel Controls - EVAP Controls
Fuel Controls - Fuel Pump Controls and Fuel Injectors
G103, G304, G105, G104, and G106
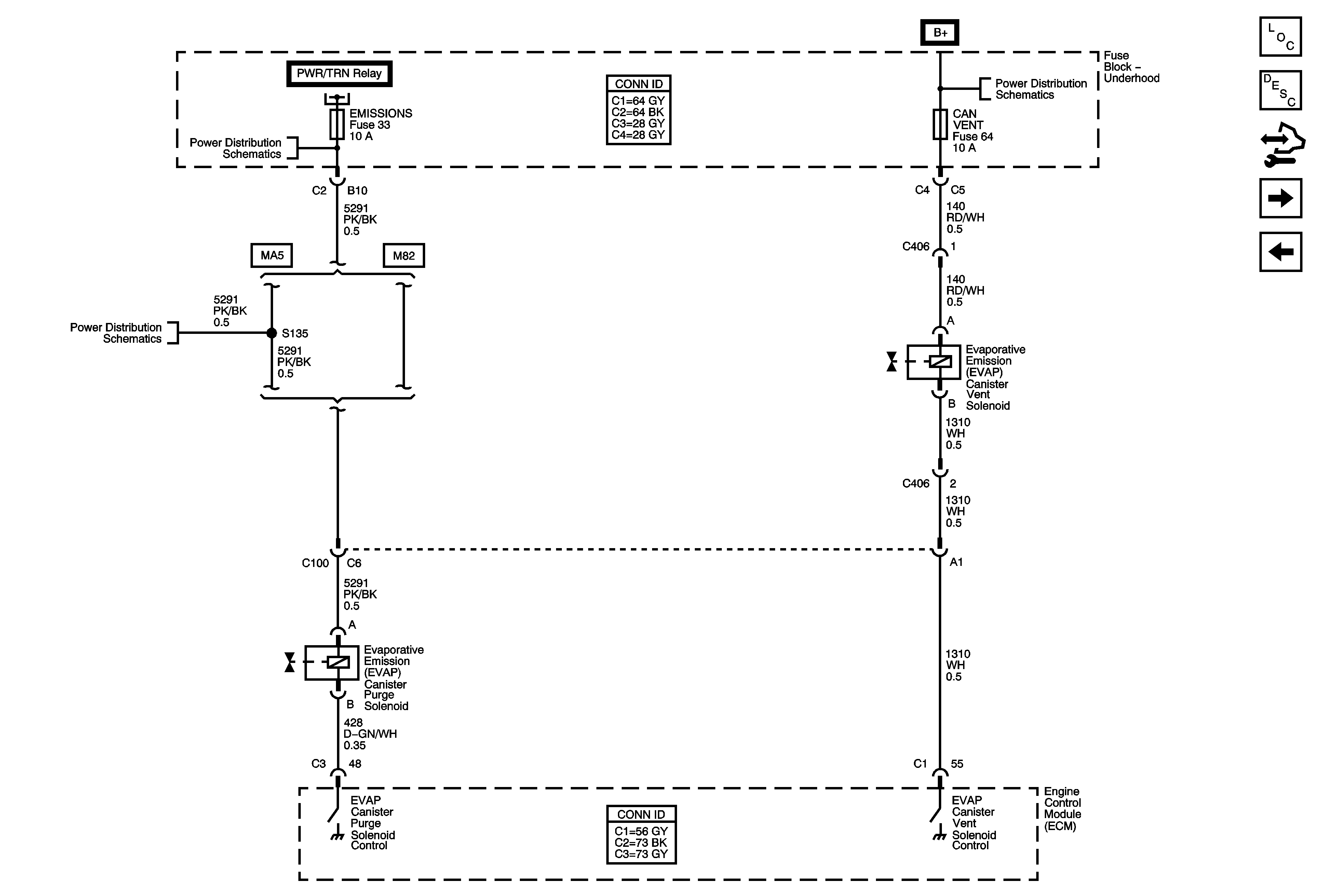
Figure 9:

Fuel Controls - EVAP Controls


Object Number: 1829420  Size: FS
Master Electrical Component List
Evaporative Emission Control System Description
Control Module References
Controlled/Monitored Subsystem References
Ignition Controls - Ignition System
DLC, ECM, EMISSIONS, INJ IGN MDL, and TURBO Fuses, PWR/TRN Relay
DLC, ECM, EMISSIONS, INJ IGN MDL, and TURBO Fuses, PWR/TRN Relay
ABS, BCK/UP LAMP, CAN VENT, ECM/TRANS, I/P IGN, and OUTLET Fuses, and RUN/CRNK Relay (Underhood Fuse Block), AIRBAG, EPS/STR WHL CNTRL, HVAC/IP IGN, and WPR Fuses (Body Control Module (BCM))
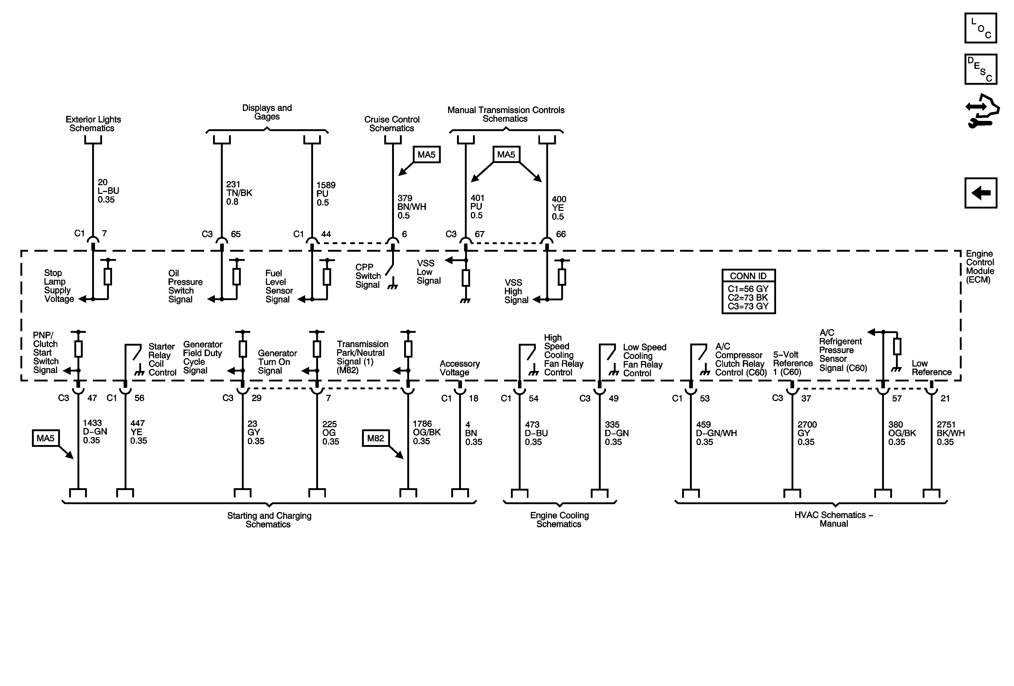
Figure 10:

Controlled/Monitored Subsystem References


Object Number: 1829423  Size: FS
Master Electrical Component List
Engine Control Module Description
Control Module References
Fuel Controls - EVAP Controls
Stop and Turn Signal Lamps
Indicators and Switches
Cruise Control Schematics
Manual Transmission Schematics
Starting and Charging Schematics
LE5
Compressor Controls