GM Service Manual Online
For 1990-2009 cars only
Makes
🢒
Pontiac
🢒
2007
🢒
Solstice
🢒
Diagnostic Navigation
🢒
Vehicle Diagnostic Information
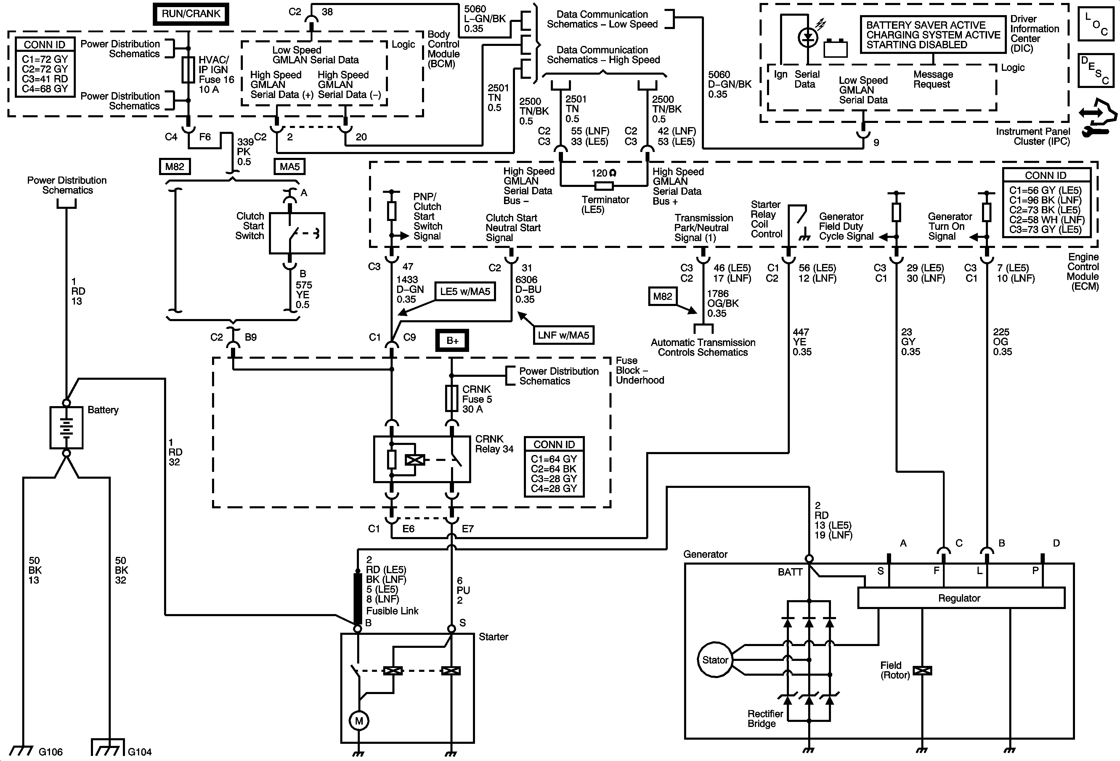
🢒 Starting and Charging Schematics
Master Electrical Component List
Starting System Description and Operation
Control Module References
ABS, BCK/UP LAMP, CAN VENT, ECM/TRANS, I/P IGN, and OUTLET Fuses, and RUN/CRNK Relay (Underhood Fuse Block), AIRBAG, EPS/STR WHL CNTRL, HVAC/IP IGN, and WPR Fuses (Body Control Module (BCM))
ABS, BCK/UP LAMP, CAN VENT, ECM/TRANS, I/P IGN, and OUTLET Fuses, and RUN/CRNK Relay (Underhood Fuse Block), AIRBAG, EPS/STR WHL CNTRL, HVAC/IP IGN, and WPR Fuses (Body Control Module (BCM))
Low Speed LAN
High Speed LAN
B+ Bus Bar - 1 of 2
B+ Bus Bar - 2 of 2
Shift Solenoids, TFT, and VSS
G103, G304, G105, G104, and G106
G103, G304, G105, G104, and G106
Master Electrical Component List
Starting System Description and Operation
Control Module References
TANK VENT, OUTLET, IP IGN, BACKUP, ABS, and ECM TRANS Fuses
Data Communication Schematics
B+ Bus Bar - 2 of 2
B+ Bus Bar - 1 of 2
G300 - 2 of 2
G103, G304, G105, G104, and G106