GM Service Manual Online
For 1990-2009 cars only
Makes
🢒
Pontiac
🢒
2007
🢒
Solstice
🢒
Body Systems
🢒
Horns
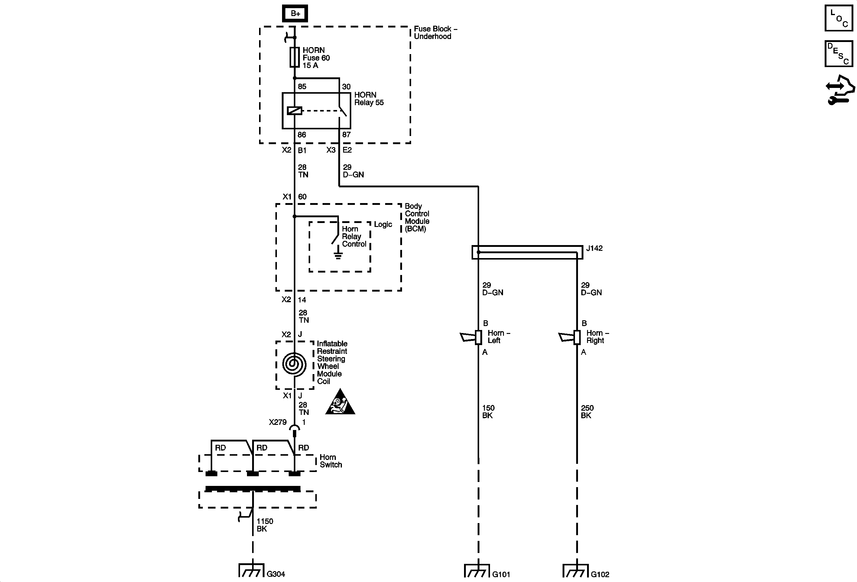
🢒 Horn Schematics
Master Electrical Component List
Horns System Description and Operation
Control Module References
B+ Bus Bar - 2 of 2
Horn Schematic Icons
G103, G304, G105, G104, and G106
G101 and G102
Master Electrical Component List
Horns System Description and Operation
Control Module References
B+ Bus Bar - 2 of 2
Horn Schematic Icons
G103, G304, G105, G104, and G106
G101 and G102
G101 and G102