GM Service Manual Online
For 1990-2009 cars only
Makes
🢒
Pontiac
🢒
2007
🢒
Solstice
🢒
Body Systems
🢒
Lighting
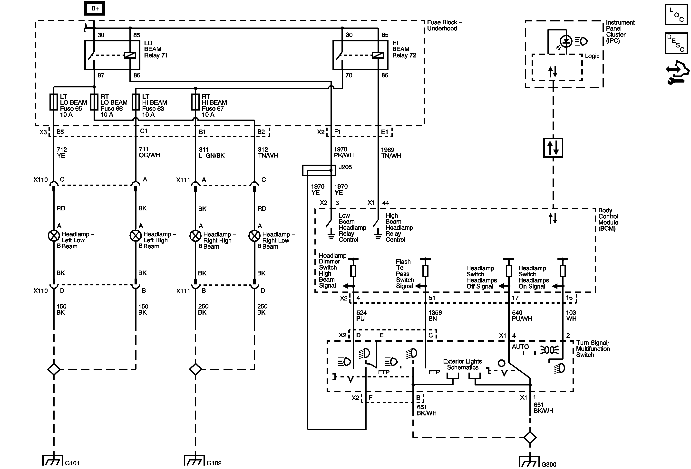
🢒 Headlights/Daytime Running Lights (DRL) Schematics
Master Electrical Component List
Exterior Lighting Systems Description and Operation
Control Module References
G101 and G102
G101 and G102
Low Speed LAN
G101 and G102
G300 - 2 of 2
G101 and G102
Master Electrical Component List
Exterior Lighting Systems Description and Operation
Control Module References
B+ Bus Bar - 1 of 2
Data Communication Schematics
G101 and G102
G300 - 2 of 2
G101 and G102