GM Service Manual Online
For 1990-2009 cars only
Makes
🢒
Pontiac
🢒
2007
🢒
Solstice
🢒
Body Systems
🢒
Wipers and Washers
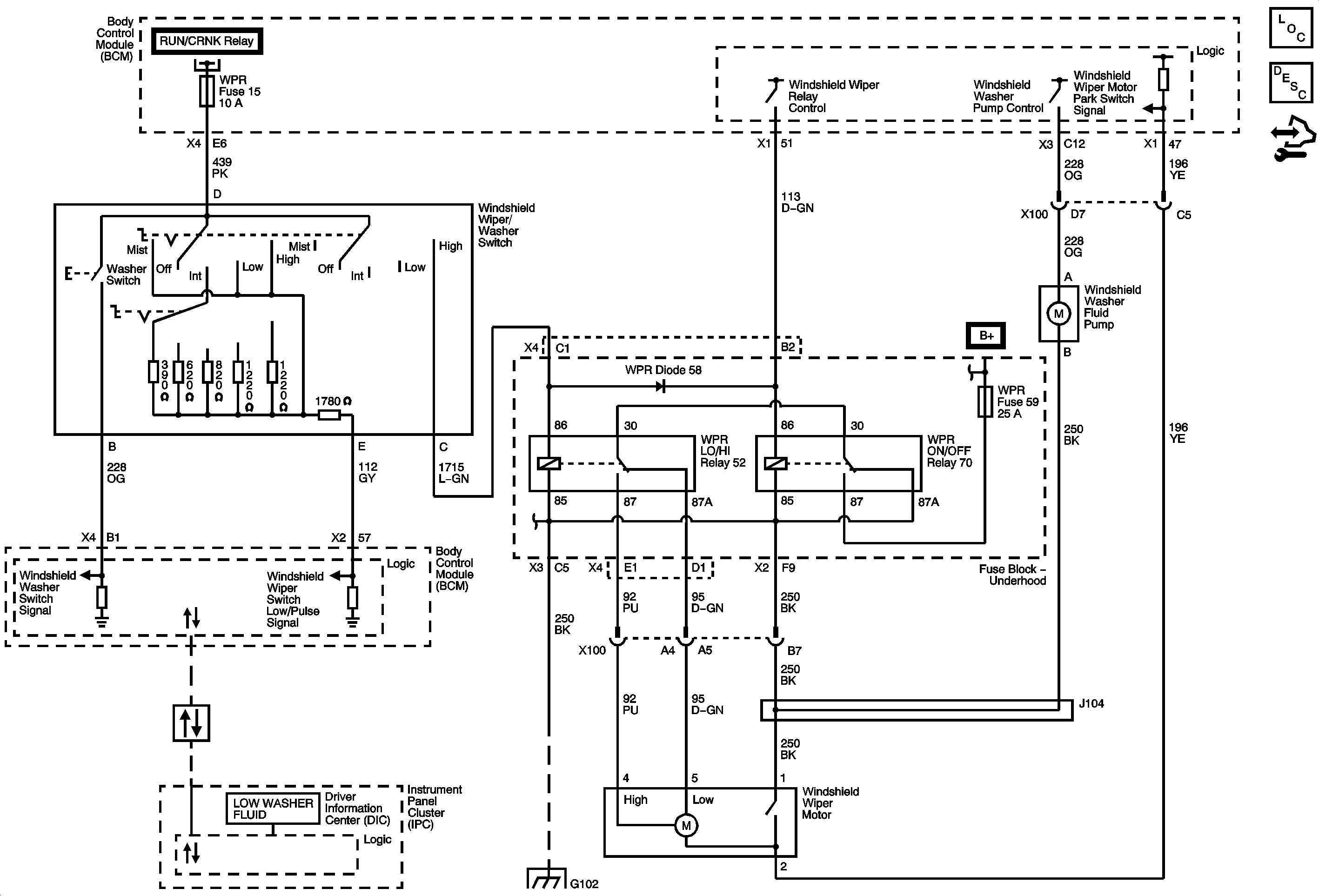
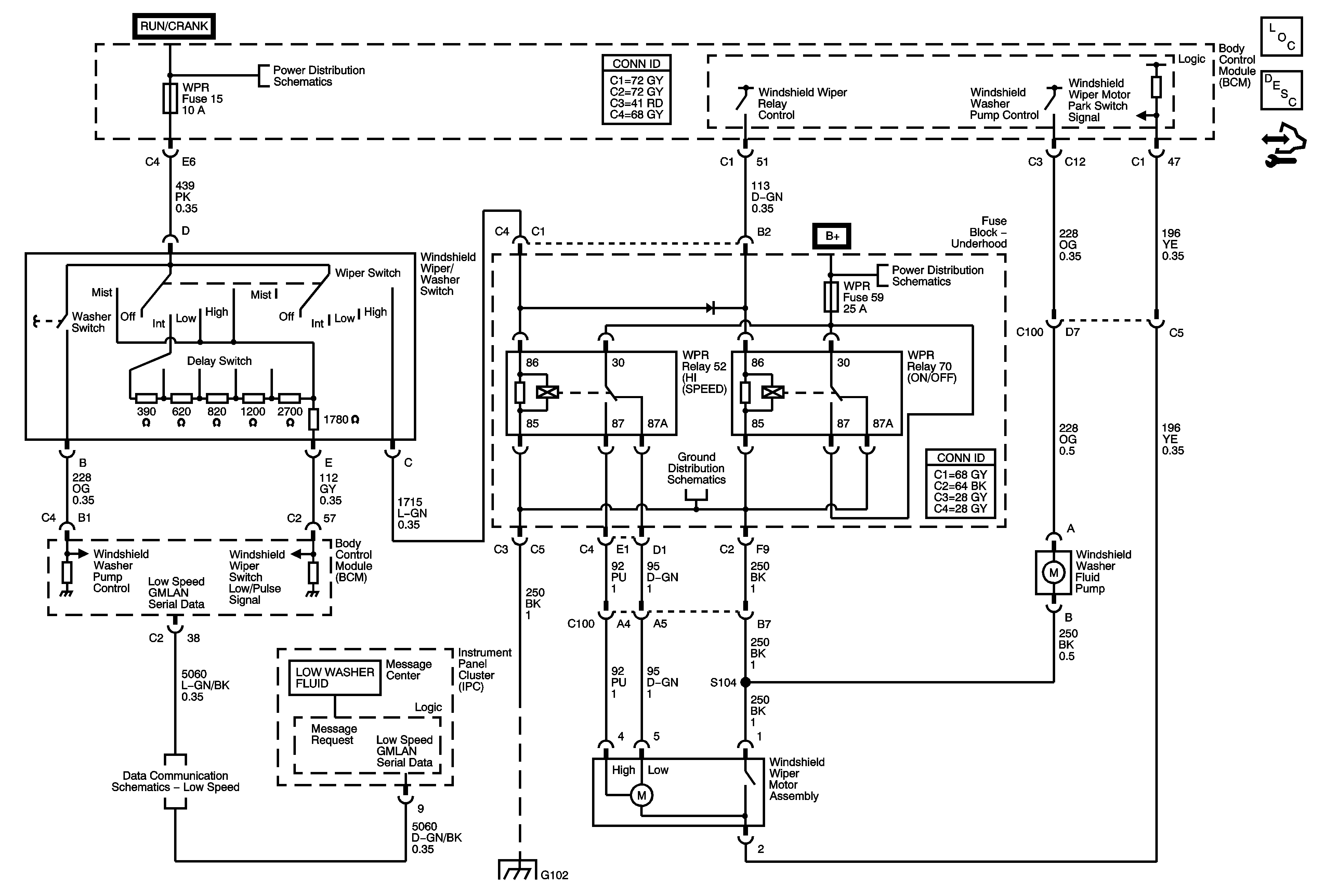
🢒 Wiper/Washer Schematics
Master Electrical Component List
Wiper/Washer System Description and Operation
Control Module References
ABS, BCK/UP LAMP, CAN VENT, ECM/TRANS, I/P IGN, and OUTLET Fuses, and RUN/CRNK Relay (Underhood Fuse Block), AIRBAG, EPS/STR WHL CNTRL, HVAC/IP IGN, and WPR Fuses (Body Control Module (BCM))
B+ Bus Bar - 1 of 2
G101 and G102
Low Speed LAN
G101 and G102
Master Electrical Component List
Wiper/Washer System Description and Operation
Control Module References
TANK VENT, OUTLET, IP IGN, BACKUP, ABS, and ECM TRANS Fuses
Data Communication Schematics
G101 and G102
B+ Bus Bar - 1 of 2
B+ Bus Bar - 1 of 2