GM Service Manual Online
For 1990-2009 cars only
Makes
🢒
Pontiac
🢒
2007
🢒
Solstice
🢒 Remote Function Schematics
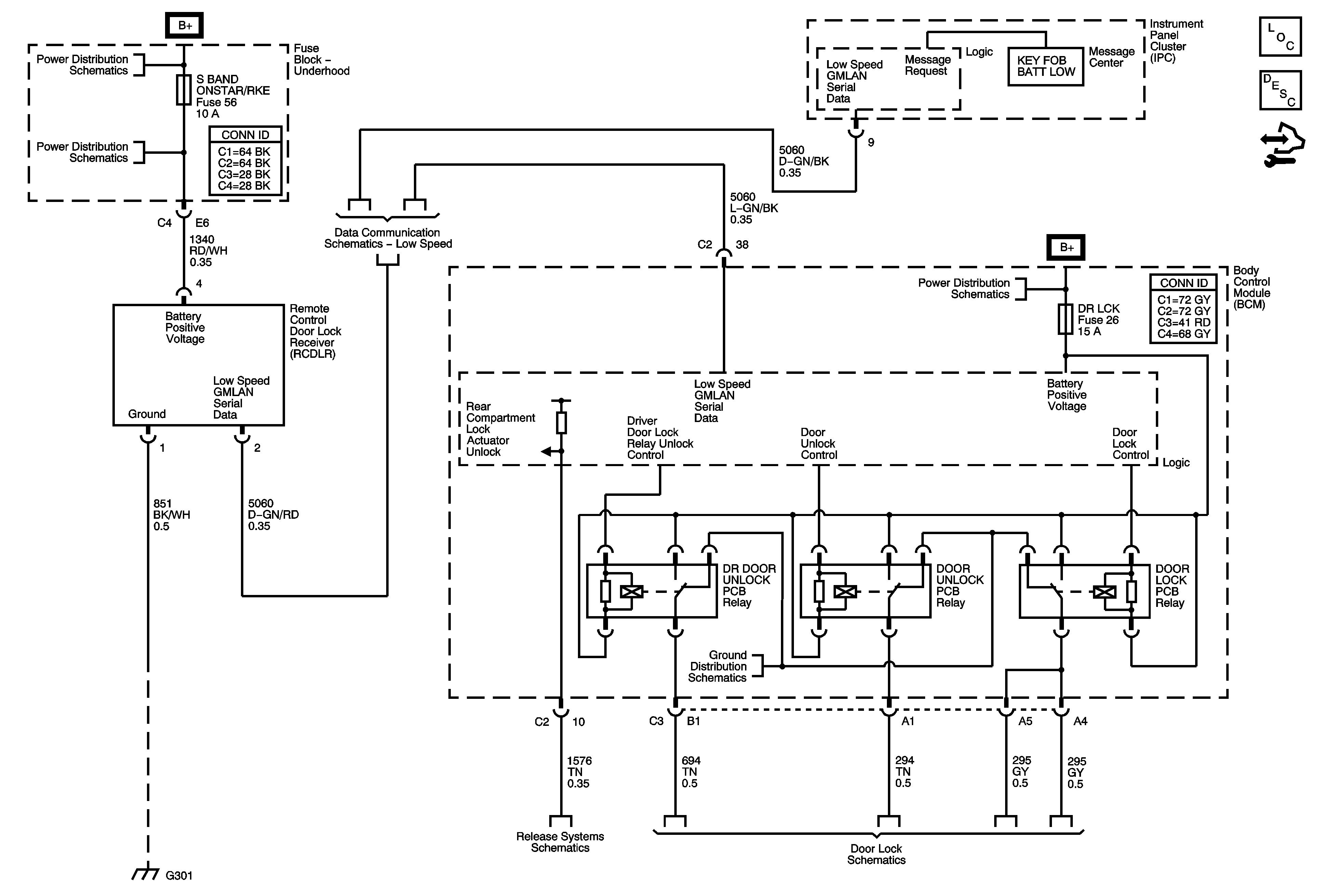
Remote Function Schematics
Master Electrical Component List
Luggage Compartment Description and Operation
Control Module References
B+ Bus Bar - 2 of 2
ABS, MIR, and S BAND ONSTAR/RKE Fuses and PWR SEATS Circuit Breaker (Underhood Fuse Block)
Low Speed LAN
BCM Fuse (Underhood Fuse Block), DR LCK, ECM/TCM, INT LIGHT, PWR WNDW, RDO, and SDM Fuses, DOOR LOCK PCB , DOOR UNLOCK PCB, DR DOOR UNLOCK PCB, INADVERTENT LOAD CONTROL PCB, and RAP Relays (BCM)
G300 - 2 of 2
G301, G302, G303, G400 and G402
Release System Schematics
Door Lock Schematics