GM Service Manual Online
For 1990-2009 cars only
Makes
🢒
Pontiac
🢒
2007
🢒
Solstice
🢒 LNF
LNF
LNF
Master Electrical Component List
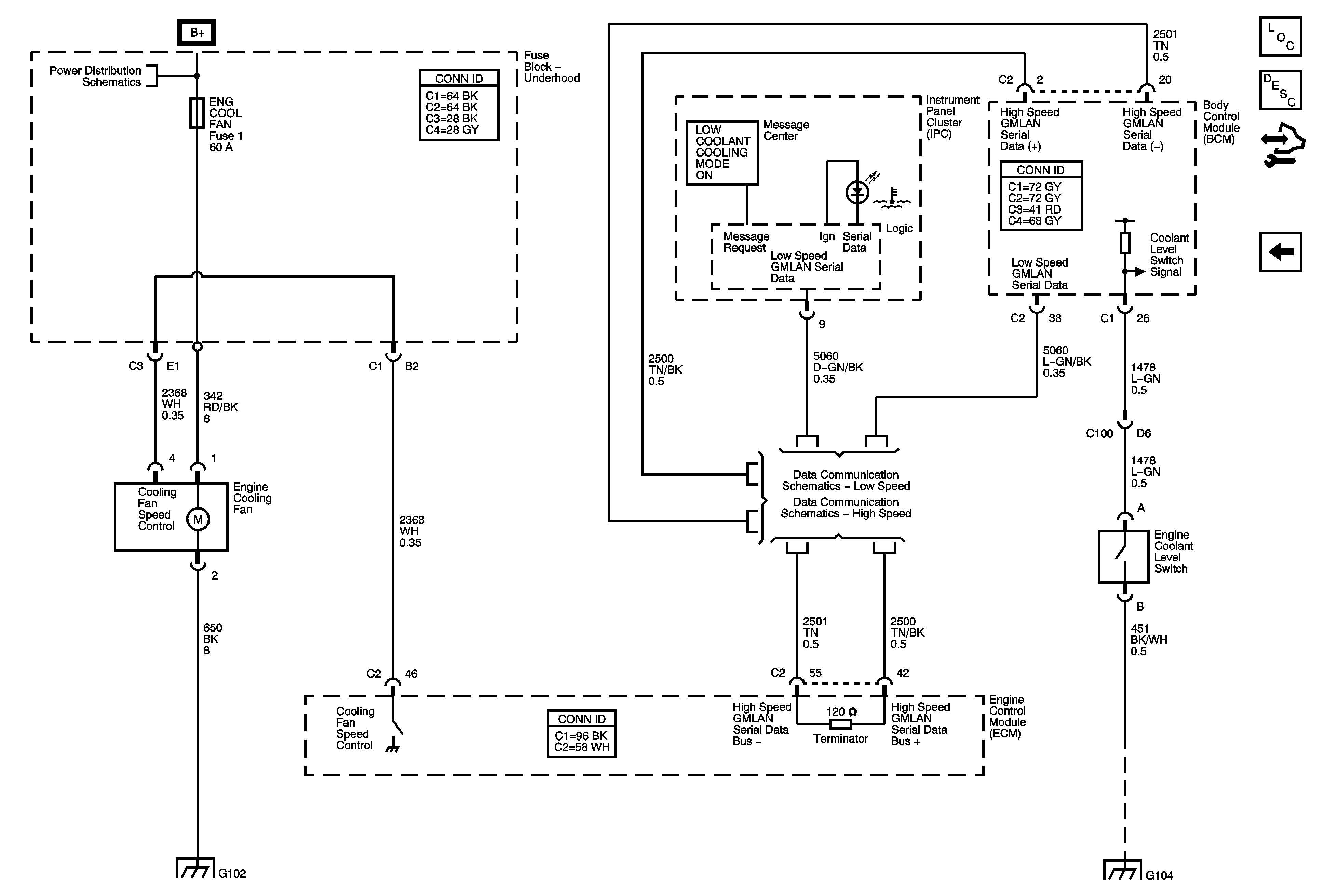
Cooling Fan Description and Operation
Control Module References
LE5
B+ Bus Bar - 1 of 2
Low Speed LAN
High Speed LAN
G101 and G102
G103, G304, G105, G104, and G106