GM Service Manual Online
For 1990-2009 cars only
Makes
🢒
Pontiac
🢒
2007
🢒
Solstice
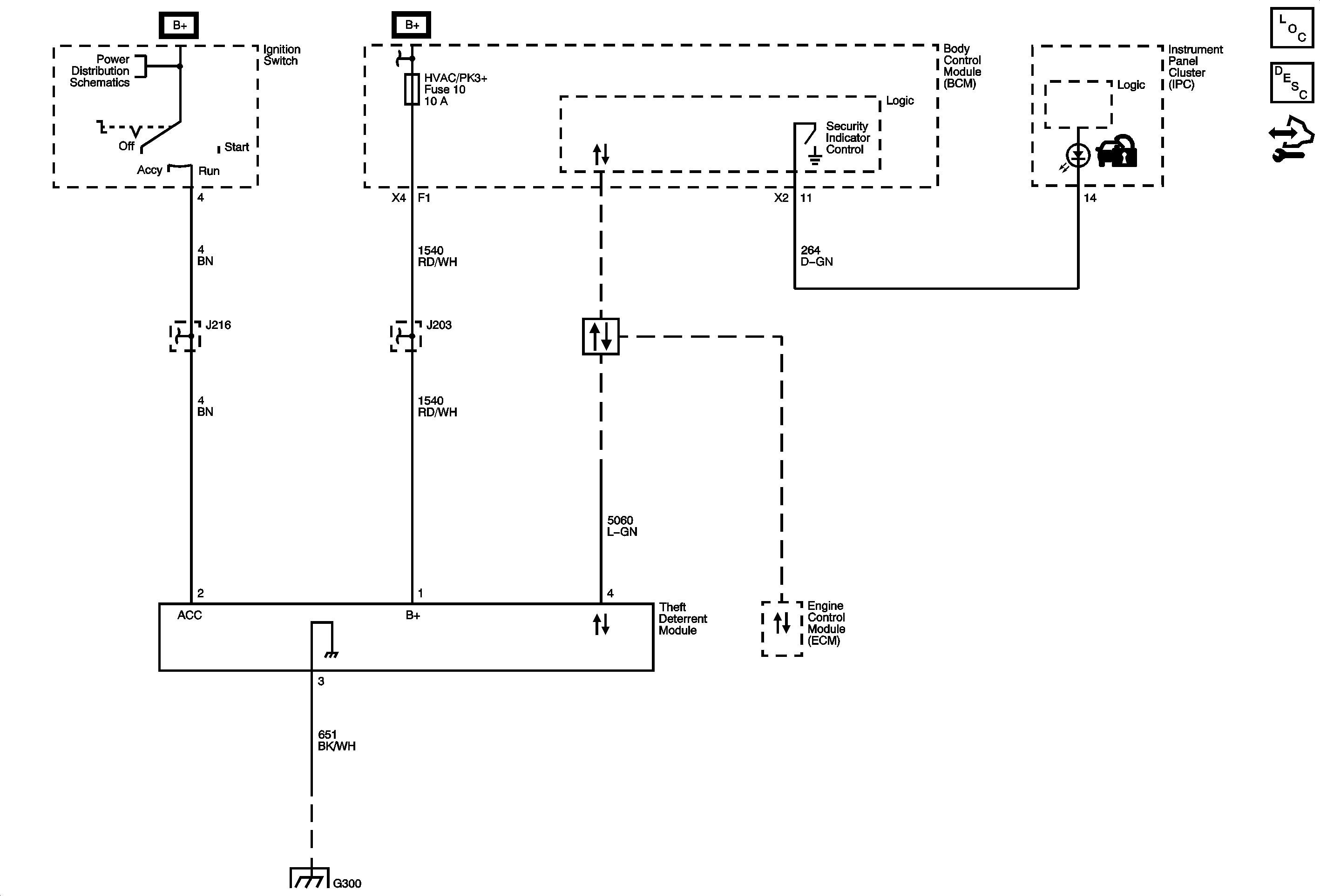
🢒 Immobilizer Schematics
Immobilizer Schematics
Master Electrical Component List
Immobilizer Description and Operation
Control Module References
Ignition Switch Modes
HVAC/PK3, AUDIO AMPLIFIER, WIPERS, HVAC/IP IGN, RESRAINTS, and EPS/SWC Fuses
Data Communication Schematics
G300 - 1 of 2