GM Service Manual Online
For 1990-2009 cars only
Makes
🢒
Pontiac
🢒
2007
🢒
Solstice
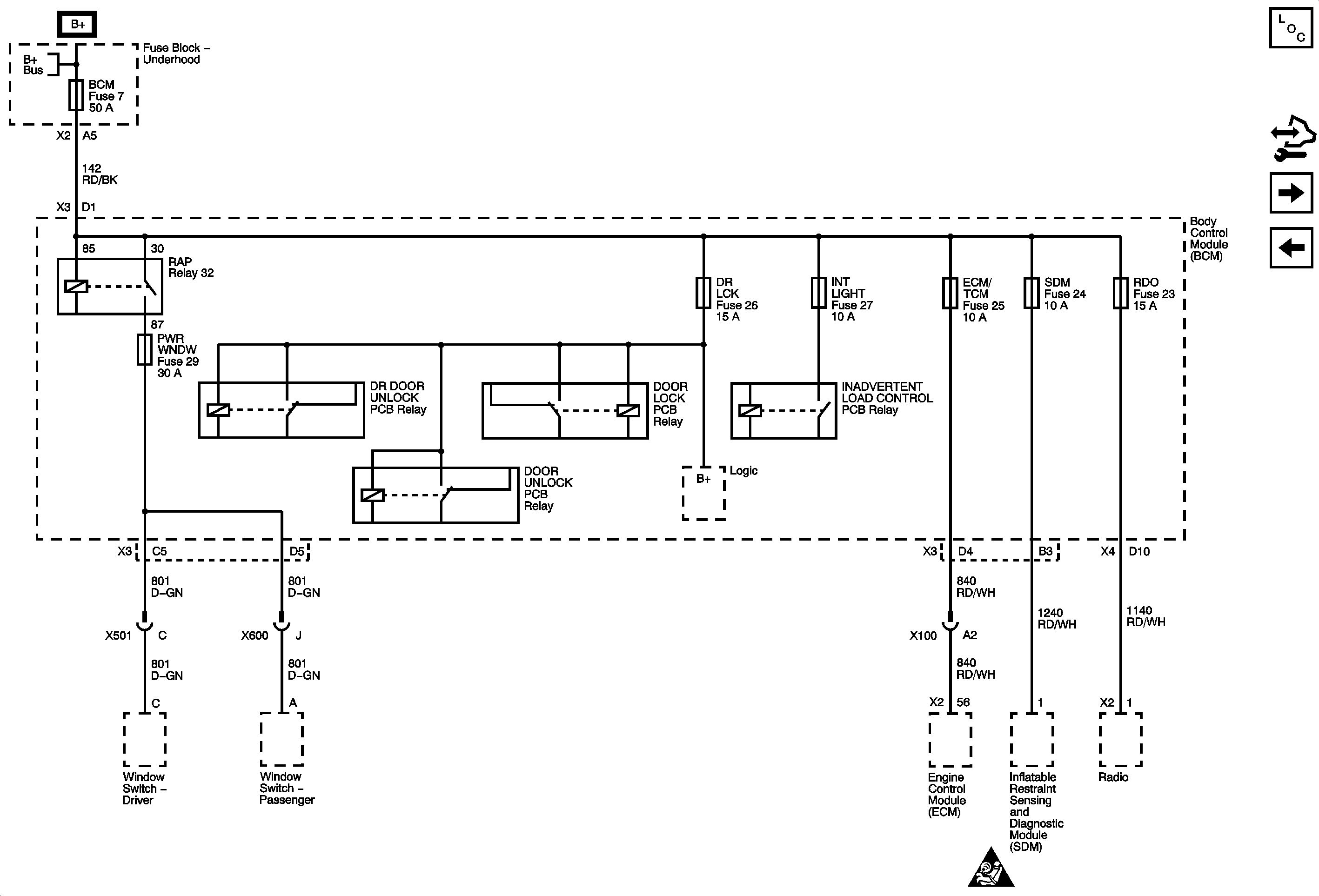
🢒 WINDOWS, DOOR LKS, INT LPS, ECM/TCM, RADIO, and SDM Fuses
WINDOWS, DOOR LKS, INT LPS, ECM/TCM, RADIO, and SDM Fuses
WINDOWS, DOOR LKS, INT LPS, ECM/TCM, RADIO, and SDM Fuses
Master Electrical Component List
Control Module References
HVAC/PK3, AUDIO AMPLIFIER, WIPERS, HVAC/IP IGN, RESRAINTS, and EPS/SWC Fuses
MIRRORS, ABS, ABS/BCM, and S-BAND ONSTAR Fuses
B+ Bus Bar - 1 of 2
SIR Schematic Icons