GM Service Manual Online
For 1990-2009 cars only
Makes
🢒
Pontiac
🢒
2007
🢒
Solstice
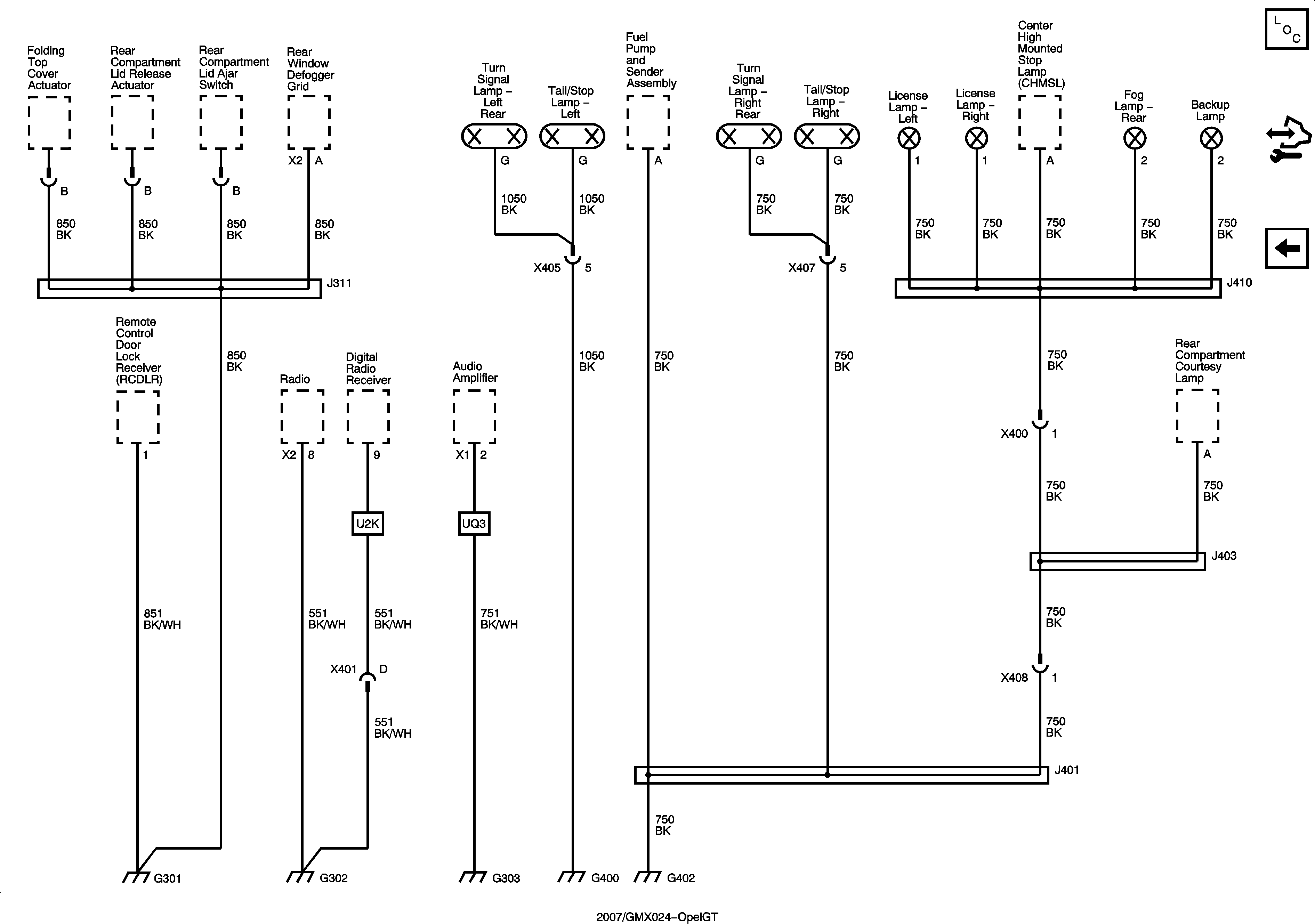
🢒 G301, G102, G303, and G402
G301, G102, G303, and G402
G301, G302, G303, G400, and G402
Master Electrical Component List
Control Module References
G300 - 2 of 2