GM Service Manual Online
For 1990-2009 cars only

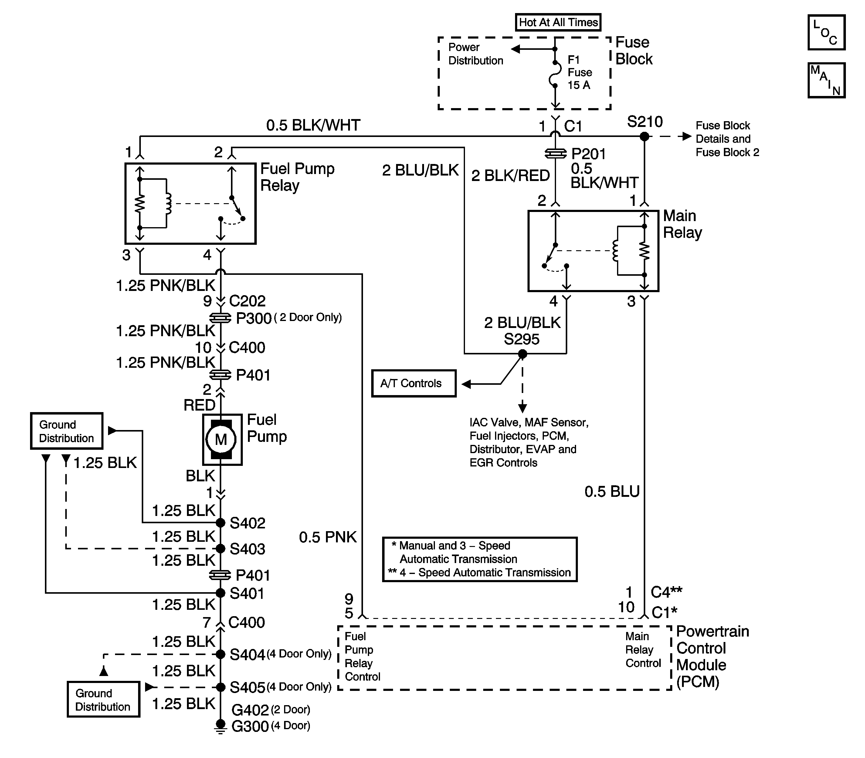
Object Number: 1557702  Size: LF
Engine Controls Schematics

Circuit Description

The Powertrain Control Module (PCM) will energize the fuel pump relay for 3 seconds when the ignition switch is turned to the ON position. When the fuel pump relay is energized the fuel pump will operate and pressurize the fuel system. When the engine is being cranked, or is running, the PCM will receive ignition system reference pulses and will continue to energize the fuel pump relay as long as the ignition system reference pulses are detected. The fuel pump will stop after 3 seconds when the ignition is ON, unless the PCM receives ignition system reference pulses.

Diagnostic Aids

A restricted or leaking fuel feed pipe or hose will cause an Engine Cranks But Will Not Start condition. Check the fuel sender assembly connections inside of the fuel tank for poor connections.

An intermittent malfunction may be caused by a poor connection, rubbed through wire insulation, or a wire broken inside the insulation. Inspect harness connectors for backed out terminals, improper mating, broken locks, improperly formed or damaged terminals and poor terminal-to-wire connections before component replacement.

Test Description

The numbers below refer to the step numbers in the Diagnostic Table.

  1. The Powertrain OBD System Check prompts the technician to complete some basic checks and store the freeze frame data on the scan tool if applicable. This creates an electronic copy of the data taken when the fault occurred. The information is then stored in the scan tool for later reference.

  2. This step checks the fuel pump operation with the ignition switch in the ON position.

  3. This step checks for an open in the fuel pump relay control circuit before the replacement of the PCM.

Step

Action

Value(s)

Yes

No

1

Did you perform the Powertrain On-Board Diagnostic (OBD) System Check?

--

Go to Step 2

Go to Powertrain On Board Diagnostic (OBD) System Check

2

  1. Turn ON the ignition, leaving the engine OFF.
  2. Remove the fuel cap.
  3. Listen for fuel pump operation and repeat the ignition cycle if necessary.

Did the fuel pump operate for approximately 3 seconds?

--

Go to Step 3

Go to Step 4

3

  1. Disconnect the fuel pump relay.
  2. Probe the fuel pump relay connector cavity 3 with a test light connected to B+.

Is the test light ON while the engine is cranking?

--

Go to Fuel System Diagnosis

Go to Step 17

4

  1. Turn ON the ignition, leaning the engine OFF.
  2. Disconnect the fuel pump relay.
  3. Probe the fuel pump relay connector cavity 2 with a test light connected to ground.

Is the test light ON?

--

Go to Step 5

Go to Step 9

5

  1. Turn OFF the ignition.
  2. Connect a fused jumper wire from the fuel pump relay connector cavity 2 to cavity 4.
  3. Turn ON the ignition, leaving the engine OFF.
  4. Listen for fuel pump operation and repeat the ignition cycle if necessary.

Is the fuel pump ON?

--

Go to Step 12

Go to Step 6

6

  1. Leave the fused jumper wire connected.
  2. Backprobe the fuel pump connector cavity 2 with a test light connected to ground.

Is test light ON?

--

Go to Step 7

Go to Step 10

7

  1. Turn OFF the ignition.
  2. Disconnect the fused jumper wire.
  3. Disconnect the fuel pump electrical connector.
  4. Probe the fuel pump connector cavity 1 with the test light connected to B+.

Is the test light ON?

--

Go to Step 8

Go to Step 11

8

Replace the fuel pump. Refer to Fuel Pump Replacement .

Is the action complete?

--

Go to Step 19

--

9

Repair the open or short in the BLU/BLK wire between the main relay and the fuel pump relay.

Is the action complete?

--

Go to Step 19

--

10

Repair the open or short in the PNK/BLK wire between the fuel pump and the fuel pump relay.

Is the action complete?

--

Go to Step 19

--

11

Repair the faulty ground connection or the open in the fuel pump ground circuit.

Is the action complete?

--

Go to Step 19

--

12

  1. Turn OFF the ignition.
  2. Disconnect the fused jumper wire.
  3. Turn ON the ignition, leaving the engine OFF.
  4. Probe the fuel pump relay connector cavity 1 with a test light connected to ground.

Is the test light ON?

--

Go to Step 13

Go to Step 15

13

Probe the fuel pump relay connector cavity 3 with the test light connected to B+.

Does the test light illuminate while cranking the engine?

--

Go to Step 16

Go to Step 14

14

Backprobe the fuel pump relay control circuit at the PCM with the test light connected to B+.

Does the test light illuminate while cranking the engine?

--

Go to Step 17

Go to Step 18

15

Repair the open or the short in the BLK/WHT wire.

Is the action complete?

--

Go to Step 19

--

16

Replace the fuel pump relay. Refer to Fuel Pump Relay Replacement .

Is the action complete?

--

Go to Step 19

--

17

Check for an open in the fuel pump relay circuit between the fuel pump relay and the PCM. Repair as necessary.

Was a repair necessary?

--

Go to Step 19

Go to Step 18

18

Replace the PCM. Refer to Powertrain Control Module Replacement .

Is the action complete?

--

Go to Step 19

--

19

Operate the vehicle within the conditions under which the original symptom was noted.

Does the system now operate properly?

--

System OK

Go to Diagnostic Aids