GM Service Manual Online
For 1990-2009 cars only

EXHAUST MANIFOLD SERVICE KIT REDUCE DAMAGE/EXHAUST LEAK

VEHICLES AFFECTED: 1984-85 'J' Car With 1.8L Turbocharged Engine (VIN Code 'J') ---------------------------------------

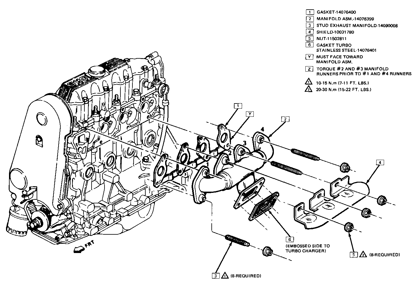
A new exhaust manifold and new gaskets have been released to reduce manifold damage and exhaust leaks on the 1.8L OHC turbo engine. Exhaust Manifold Service Kit, P/N 14076440, should be ordered which contains the following parts:

One (1) P/N 14076399 Manifold Assembly - Exhaust One (1) P/N 14076400 Gasket - Exhaust Manifold Eight (8) P/N 14090008 Stud - Exhaust Manifold Eight (8) P/N 11502811 Nut - Exhaust Manifold One (1) P/N 14076401 Gasket - Turbo to Exhaust Manifold

Refer to the Service Manual for removal and replacement procedures for the exhaust manifold (page 6A1-10) and the turbocharger (page 6J-6). When installing the gaskets ensure that the expansion joints of the exhaust manifold gasket face outward and that the embossed side of the turbocharger gasket faces the turbocharger. Refer to the illustration.

TORQUE SPECIFICATIONS

10-15 N.m ( 7-11 ft. lbs.) for studs 20-30 N.m (15-22 ft. lbs.) for nuts


Object Number: 75661  Size: FS

General Motors bulletins are intended for use by professional technicians, not a "do-it-yourselfer". They are written to inform those technicians of conditions that may occur on some vehicles, or to provide information that could assist in the proper service of a vehicle. Properly trained technicians have the equipment, tools, safety instructions and know-how to do a job properly and safely. If a condition is described, do not assume that the bulletin applies to your vehicle, or that your vehicle will have that condition. See a General Motors dealer servicing your brand of General Motors vehicle for information on whether your vehicle may benefit from the information.